LEXUS PARKING ASSIST-SENSOR SYSTEM Clearance Warning ECU Power Source Circuit

DESCRIPTION

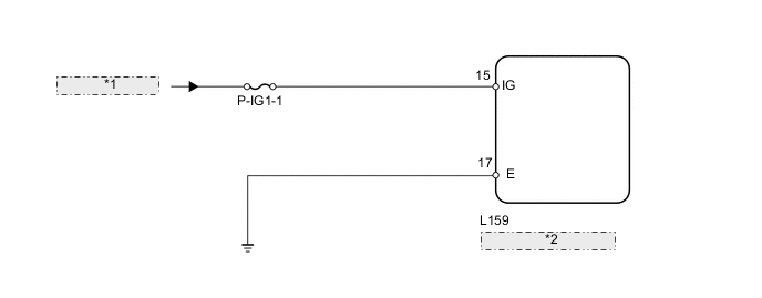
This circuit provides power to operate clearance warning ECU.

WIRING DIAGRAM

A000V3IE02
*1 from P-IG1 Relay
*2 Clearance Warning ECU

PROCEDURE


  1. INSPECT FUSE (P-IG1-1)


    1. Remove the P-IG1-1 fuse from the passenger side junction block.

    2. Measure the resistance according to the value(s) in the table below.

      Standard resistance
      Tester Connection Condition Specified Condition
      P-IG1-1 fuse Always Below 1 Ω

    NG
    OK
  2. CHECK HARNESS AND CONNECTOR (CLEARANCE WARNING ECU POWER SUPPLY)


    1. A000UFXE01
      *1 Rear view of wire harness connector: (to Clearance Warning ECU)

      Disconnect the L159 ECU connector.

    2. Measure the resistance according to the value(s) in the table below.

      Standard resistance
      Tester Connection Condition Specified Condition
      L159-15 (IG) - Body ground Always Below 1 Ω
      L159-17 (E) - Body ground Always Below 1 Ω
    3. Measure the voltage according to the value(s) in the table below.

      Standard voltage
      Tester Connection Switch Condition Specified Condition
      L159-15 (IG) - L159-17 (E) Power switch on (IG) 11 to 14 V

    OK
    NG