TELEMATICS SYSTEM(w/ Telematics Transceiver except G-BOOK), Diagnostic DTC:B1570

DTC Code DTC Name
B1570 Red LED Error

DESCRIPTION

This DTC is stored when the telematics transceiver detects an open or short in the manual (SOS) switch indicator (red) circuit of the manual (SOS) switch.

The manual (SOS) switch indicator (red) illuminates for 10 seconds and turns off when the power switch is turned on (IG).

If a malfunction in the telematics system is detected, the manual (SOS) switch indicator (red) will illuminate. However, the manual (SOS) switch indicator (red) may not illuminate when this DTC is stored.

DTC No. Detection Item DTC Detection Condition Trouble Area
B1570 Red LED Error Current for the manual (SOS) switch indicator (red) exceeds malfunction threshold for 20 seconds when the power switch on (IG).
  • Telematics transceiver

  • Map light assembly (manual (SOS) switch)

  • Harness or connector

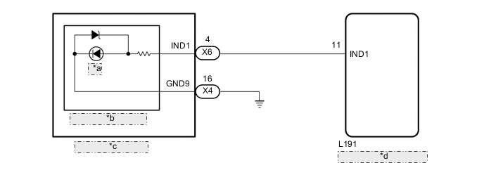
WIRING DIAGRAM

A000Z33E06
*a RED
*b Manual (SOS) Switch
*c Map Light Assembly
*d Telematics Transceiver

CAUTION / NOTICE / HINT

Note

Depending on the parts that are replaced during vehicle inspection or maintenance, performing initialization, registration or calibration may be needed. Refer to Registration for Telematics System.

Click here

Tech Tips

If DTC B1570 is stored, the manual (SOS) switch indicator (red) may not illuminate when another DTC is stored.

PROCEDURE


  1. CHECK FOR DTC


    1. Turn the power switch off.

    2. Connect the GTS to the DLC3.

    3. Turn the power switch on (IG) and wait for 20 seconds.

    4. Turn the GTS on.

    5. Check for DTCs and check that no DTCs are output.

      Click here

      OK
      No DTCs are output.
      Result
      Proceed to
      OK
      NG

    OK
    NG
  2. INSPECT MAP LIGHT ASSEMBLY (MANUAL (SOS) SWITCH) (RED INDICATOR)


    1. A000ULBC07
      *a

      Component without harness connected

      (Map Light Assembly (Manual (SOS) Switch))

      Remove the map light assembly (manual (SOS) switch).

      Click here

    2. Connect 2 dry-cell batteries (1.5 V each) in series.

    3. Connect a positive (+) lead from the batteries to terminal 4 (B) (IND1) and a negative (-) lead to terminal 16 (A) (GND9) of the map light assembly (manual (SOS) switch) connector.

    4. Check if the manual (SOS) switch indicator (red) illuminates.

      OK
      Manual (SOS) switch indicator (red) illuminates.
      Result
      Proceed to
      OK
      NG

    NG
    OK
  3. CHECK HARNESS AND CONNECTOR (MAP LIGHT ASSEMBLY (MANUAL (SOS) SWITCH) - TELEMATICS TRANSCEIVER AND BODY GROUND)


    1. Disconnect the X4 and X6 map light assembly (manual (SOS) switch) connectors.

    2. Disconnect the L191 telematics transceiver connector.

    3. Measure the resistance according to the value(s) in the table below.

      Standard Resistance
      Tester Connection Condition Specified Condition
      L191-11 (IND1) - X6-4 (IND1) Always Below 1 Ω
      L191-11 (IND1) or X6-4 (IND1) - Body ground Always 10 kΩ or higher
      X4-16 (GND9) - Body ground Always Below 1 Ω
      Result
      Proceed to
      OK
      NG

    NG
    OK
  4. REPLACE TELEMATICS TRANSCEIVER


    1. Replace the telematics transceiver with a new one.

      Click here

      Result
      Proceed to
      NEXT

    NEXT