ACTIVE STABILIZER SUSPENSION SYSTEM, Diagnostic DTC:C1901, C1902, C1903, C1904, C191C

DTC Code DTC Name
C1901 Rear Magnetic Pole Sensor Initialization Incomplete
C1902 Rear Magnetic Pole Sensor Pattern
C1903 Rear Actuator Short Detect Relay
C1904 Protection for Overload of Rear Actuator
C191C Rear Actuator Torque Decrease

DESCRIPTION

If a malfunction occurs in the rear active stabilizer control actuator's magnetic pole sensor (motor pulse sensor), the motor short relay or the motor short relay's circuit, DTC C1901, C1902, C1903, C1904 and/or C191C are output.

DTC Code Detection Condition Trouble Area
C1901 During the initial check immediately after turning power switch ON (READY), malfunction is detected in rear active stabilizer control actuator's magnetic pole sensor (motor pulse sensor)
  • Harness or connector

  • Rear active stabilizer control actuator

  • Rear active stabilizer control ECU

C1902 Malfunction is detected in rear active stabilizer control actuator's magnetic pole sensor (motor pulse sensor)
C1903 Malfunction is detected in rear active stabilizer control actuator's motor short relay
C1904 During rear active stabilizer control, rear active stabilizer control actuator stuck condition is detected
C191C During rear active stabilizer control, rear active stabilizer control actuator torque insufficient condition is detected

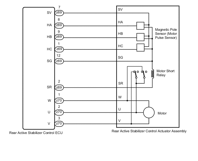
WIRING DIAGRAM

A000UCRE07

PROCEDURE


  1. CHECK CONNECTOR CONNECTION CONDITION


    1. Turn the power switch OFF.

    2. Inspect the condition of the z69 and z70 connector terminals.

      OK
      Connector and terminal are not deformed or damaged. Terminal is not loose or corroded.

      Tech Tips

      The harness from the rear active stabilizer control actuator to the rear active stabilizer control ECU is part of the rear active stabilizer control actuator. If the harness is damaged and cannot be repaired, replace the rear active stabilizer control actuator assembly Click here.


    NG
    OK
  2. INTERCHANGE FRONT AND REAR ACTIVE STABILIZER CONTROL ECU ASSEMBLY


    1. Turn the power switch OFF.

    2. Interchange the rear active stabilizer control ECU with the front active stabilizer control ECU, and install them securely.

      Tech Tips


      • Interchange the front and rear active stabilizer control ECUs and check for DTCs. After interchanging the ECUs, if a front stabilizer DTC is displayed, it can be determined that the rear active stabilizer control ECU is malfunctioning. If no DTC is output, the rear active stabilizer control actuator is malfunctioning.

      • For the ECU removal and installation procedures, refer to the front ECU procedures (see page ) or the rear ECU procedures Click here.


    NEXT
  3. CLEAR DTC


    1. Turn the power switch OFF.

    2. Connect the intelligent tester to the DLC3.

    3. Turn the power switch ON (IG) and the tester ON.

    4. Clear the DTC Click here.


    NEXT
  4. CHECK OPERATION OF REAR ACTIVE STABILIZER CONTROL ECU ASSEMBLY


    1. Turn the power switch OFF.

    2. Connect the intelligent tester to the DLC3.

    3. Turn the power switch ON (READY) and wait 30 seconds or more. Then check for front stabilizer DTCs Click here.

      OK
      DTC C1929, C192A, C192B, C192C and/or C1944 are not output.

    OK
    NG