AIR SUSPENSION SYSTEM TS and CG Terminal Circuit

DESCRIPTION

With terminals 12 (TS) and 4 (CG) of the DLC3 connected, when the power switch is turned ON (IG), test mode will start and then the DTCs will be output.

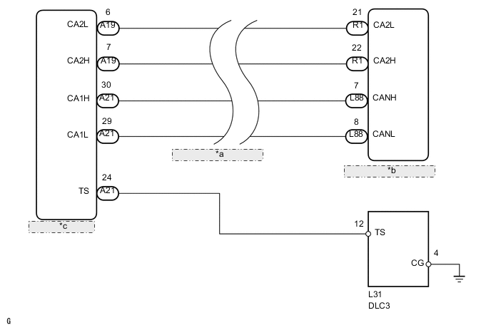
WIRING DIAGRAM

A000ZGHE02
*a CAN Communication Line
*b Suspension Control ECU
*c Skid Control ECU

CAUTION / NOTICE / HINT

Note

When replacing the skid control ECU, perform initialization of the linear solenoid valve calibration Click here.

PROCEDURE


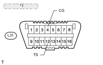
  1. INSPECT DLC3 (TS VOLTAGE)

    A000ZN9E02
    *1 Front view of DLC3:

    1. Measure the voltage according to the value(s) in the table below.

      Standard voltage
      Tester Connection Switch Condition Specified Condition
      L31-12 (TS) - L31-4 (CG) Power switch ON (IG) 11 to 14 V

    OK
    NG
  2. CHECK HARNESS AND CONNECTOR (DLC3 - SKID CONTROL ECU AND BODY GROUND)


    1. Disconnect the A21 skid control ECU connector.

      A000W48E01
      *1 Front view of wire harness connector: (to Skid Control ECU)
      *2 Front view of DLC3:
    2. Measure the resistance according to the value(s) in the table below.

      Standard resistance
      Tester Connection Condition Specified Condition
      L31-12 (TS) - A21-24 (TS) Always Below 1 Ω
      L31-12 (TS) or A21-24 (TS) - Body ground Always 10 kΩ or higher
      L31-4 (CG) - Body ground Always Below 1 Ω
      Result
      Result Proceed to
      NG A
      OK (for LHD) B
      OK (for RHD) C

    A
    B
    C