AIR SUSPENSION SYSTEM, Diagnostic DTC:C1745

DTC Code DTC Name
C1745 Exhaust Solenoid Valve Circuit Malfunction

DESCRIPTION

The exhaust valve is installed onto the height control compressor. Based on signals from the suspension control ECU, the exhaust valve opens, which releases the high pressure air within the system out of the vehicle. The exhaust valve operates until the target vehicle height is achieved. When achieved, the height control sensor outputs a signal to the suspension control ECU to stop the operation of the exhaust valve.

DTC No. Detection Condition Trouble Area
C1745

When either of the following is detected:


  • With the exhaust valve not activated, an open signal of the exhaust valve is detected for 1 second or more.

  • With the exhaust valve activated, a short signal of the exhaust valve is detected 8 times successively.


  • Height control compressor (Exhaust valve)

  • Harness or connector

  • Suspension control ECU

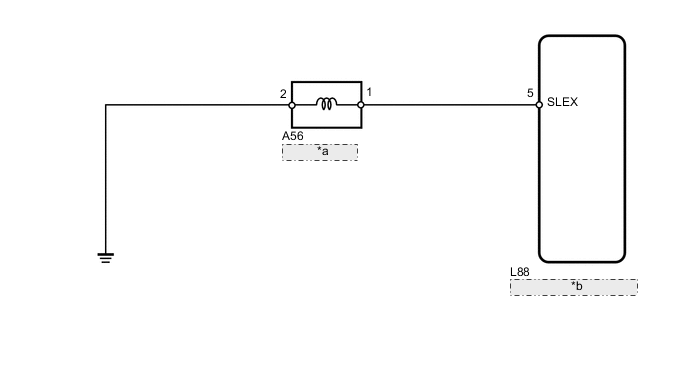
WIRING DIAGRAM

A000U3ZE02
*a Exhaust Valve
*b Suspension Control ECU

CAUTION / NOTICE / HINT

Note


  • Before performing troubleshooting, inspect the connectors of related circuits.

  • If DTC C1782 (Power Source Voltage Malfunction) is output at the same time, perform troubleshooting for C1782 first Click here.

  • Before replacing the suspension control ECU, perform all of the following again: 1) symptom simulation Click here; 2) DTC inspection; and 3) intelligent tester inspection (Data List or Active Test). If no malfunctions are found in other areas, replace the suspension control ECU.

  • If the suspension control ECU or height control sensor is replaced, the vehicle height offset calibration must be performed Click here.

PROCEDURE


  1. CLEAR DTC


    1. Clear the DTC Click here.


    NEXT
  2. CHECK EXHAUST VALVE OPERATION (ACTIVE TEST)


    1. Turn the power switch OFF.

    2. Connect the intelligent tester to the DLC3.

    3. Turn the power switch ON (IG) and the tester ON.

    4. Enter the following menus: Chassis / Air suspension / Active Test.

    5. Check the operation sound of the exhaust valve when the solenoid is turned on through the Active Test.

      Air suspension
      Tester Display Test Part Control Range Diagnostic Note
      Exhaust Solenoid Exhaust solenoid ON or OFF Operation of solenoid (clicking sound) can be heard
      OK
      Operation of solenoid (clicking sound) can be heard

    OK
    NG
  3. INSPECT HEIGHT CONTROL COMPRESSOR (EXHAUST VALVE)


    1. Turn the power switch OFF.

    2. A000UFTE06
      *a Component without harness connected: (Exhaust Valve)

      Remove the height control compressor Click here.

    3. Measure the resistance according to the value(s) in the table below.

      Standard resistance
      Tester Connection Condition Specified Condition
      1 - 2 20°C (68°F) 10 to 14 Ω

    NG
    OK
  4. CHECK HARNESS AND CONNECTOR (EXHAUST VALVE - ECU AND BODY GROUND)


    1. Turn the power switch OFF.

    2. Disconnect the L88 ECU connector.

    3. Disconnect the A56 exhaust valve connector.

    4. Measure the resistance according to the value(s) in the table below.

      A000VMRE02
      *a Rear view of wire harness connector: (to Suspension Control ECU)
      *b Front view of wire harness connector: (to Exhaust Valve)
      Standard resistance
      Tester Connection Condition Specified Condition
      A56-1 - L88-5 (SLEX) Always Below 1 Ω
      A56-1 or L88-5 (SLEX) - Body ground Always 10 kΩ or higher
      A56-2 - Body ground Always Below 1 Ω
      Result
      Result Proceed to
      NG A
      OK (for LHD) B
      OK (for RHD) C

    A
    B
    C