AIR SUSPENSION SYSTEM, Diagnostic DTC:C1751

DTC Code DTC Name
C1751 Compressor Relay Coil Malfunction

DESCRIPTION

The signal from the suspension control ECU switches the suspension control relay on, and then the height control compressor motor starts.

DTC No. Detection Condition Trouble Area
C1751

When either of the following is detected:


  • With the suspension control relay not activated, an open signal of the suspension control relay is detected for 1 second or more.

  • With the suspension control relay activated, a short signal of the suspension control relay is detected 8 times successively.


  • Suspension control relay

  • Harness or connector

  • Suspension control ECU

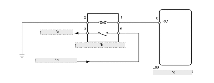
WIRING DIAGRAM

A000XZTE06
*a to Height Control Compressor
*b Suspension Control (AIR SUS)
*c from Auxiliary Battery
*d Suspension Control ECU

CAUTION / NOTICE / HINT

Note


  • Before performing troubleshooting, inspect the connectors of related circuits.

  • Before replacing the suspension control ECU, perform all of the following again: 1) symptom simulation Click here; 2) DTC inspection; and 3) intelligent tester inspection (Data List or Active Test). If no malfunctions are found in other areas, replace the suspension control ECU.

  • If the suspension control ECU or height control sensor is replaced, the vehicle height offset calibration must be performed Click here.

PROCEDURE


  1. CLEAR DTC


    1. Clear the DTC Click here.


    NEXT
  2. CHECK MOTOR RELAY OPERATION (ACTIVE TEST)


    1. Turn the power switch OFF.

    2. Connect the intelligent tester to the DLC3.

    3. Turn the power switch ON (IG) and the tester ON.

    4. Enter the following menus: Chassis / Air suspension / Active Test.

    5. Check the operation sound of the suspension control relay when the solenoid is turned on through the Active Test.

      Air suspension
      Tester Display Test Part Control Range Diagnostic Note
      Motor Relay Suspension control relay ON or OFF Operation of solenoid (clicking sound) can be heard
      OK
      Operation of solenoid (clicking sound) can be heard

    OK
    NG
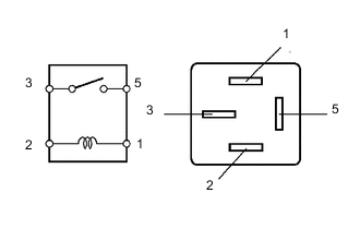
  3. INSPECT SUSPENSION CONTROL RELAY (AIR SUS)


    1. Turn the power switch OFF.

    2. A000ZV2E11

      Remove the suspension control relay from the engine room No. 5 relay block.

    3. Measure the resistance according to the value(s) in the table below.

      Standard resistance
      Tester Connection Condition Specified Condition
      3 - 5 When 12 V battery voltage is not applied to terminal 1 and 2 10 kΩ or higher
      When 12 V battery voltage is applied to terminal 1 and 2 Below 1 Ω

    NG
    OK
  4. CHECK HARNESS AND CONNECTOR (SUSPENSION CONTROL RELAY - ECU AND BODY GROUND)


    1. Disconnect the L88 ECU connector.

    2. Remove the suspension control relay from the engine room No. 5 relay block.

      A000ZDWE02
      *a Component without relay: (Engine Room No. 5 Relay Block)
      *b Rear view of wire harness connector: (to Suspension Control ECU)
      *c Suspension Control Relay
    3. Measure the resistance according to the value(s) in the table below.

      Standard resistance
      Tester Connection Condition Specified Condition
      L88-6 (RC) - Relay block suspension control relay terminal 1 Always Below 1 Ω
      L88-6 (RC) or Relay block suspension control relay terminal 1 - Body ground Always 10 kΩ or higher
      Relay block suspension control relay terminal 2 - Body ground Always Below 1 Ω
      Result
      Result Proceed to
      NG A
      OK (for LHD) B
      OK (for RHD) C

    A
    B
    C