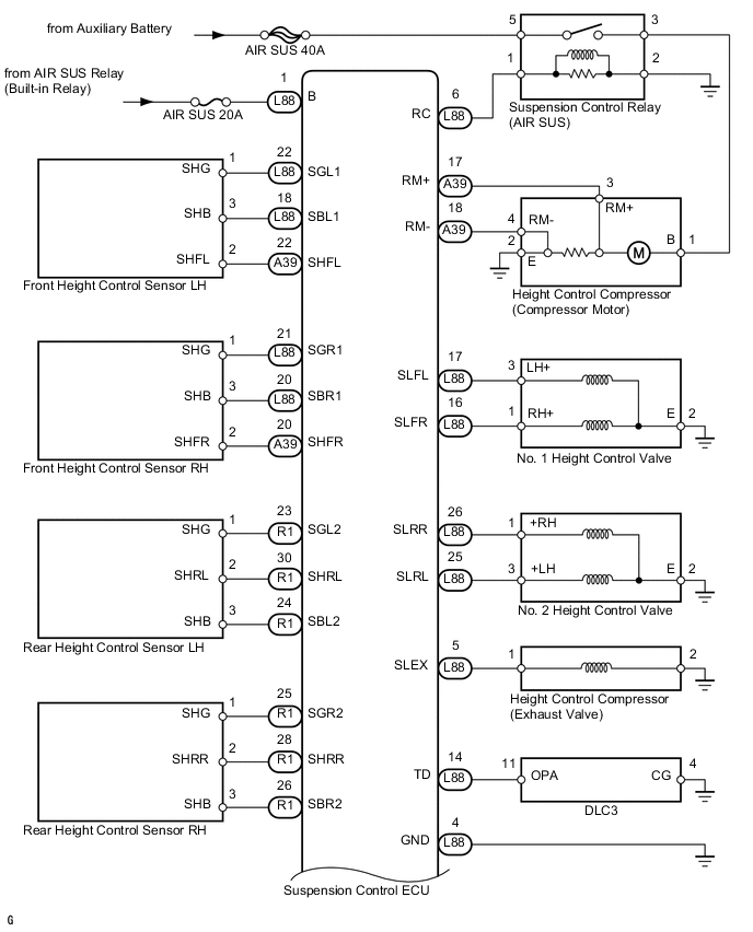
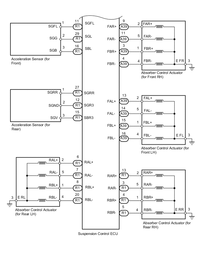
AIR SUSPENSION SYSTEM SYSTEM DIAGRAM

A000UV2E16
A000U36E05
A000U8HE03