СИСТЕМА ИММОБИЛАЙЗЕРА ДВИГАТЕЛЯ, Diagnostic DTC:B279A

Код DTC Наименование DTC
B279A Постоянная выдача сигналов высокого уровня в линии связи противоугонной системы

ОПИСАНИЕ

ЕСМ регистрирует данный код DTC, если в линии связи (EFIO-IMI) в блок идентификационного кода выдаются только сигналы высокого уровня.

Код DTC Условие обнаружения DTC Неисправный участок
B279A В линии связи (EFIO-IMI) между ECM и блоком идентификационного кода присутствуют только сигналы высокого уровня (логика диагностирования за 1 поездку*1).
  • Жгут или разъем

  • Блок идентификационного кода

  • ECM

  • Телефонный приемопередатчик в сборе*2


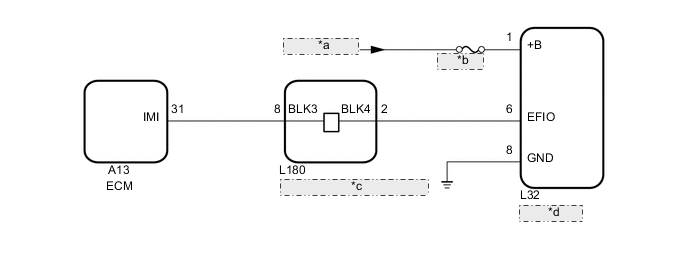
СХЕМА ЭЛЕКТРИЧЕСКИХ СОЕДИНЕНИЙ

A001B0NE03
для моделей без системы блокировки
*a от аккумуляторной батареи
*b SECURITY
*c Блок идентификационного кода
A0019N9E03
для моделей с системой блокировки
*a от аккумуляторной батареи
*b SECURITY
*c Приемопередатчик телефона в сборе
*d Блок идентификационного кода

ПРЕДОСТЕРЕЖЕНИЕ / ПРИМЕЧАНИЕ / УКАЗАНИЕ

Note


  • Перед заменой блока идентификационного кода, ECM или телефонного приемопередатчика в сборе (для моделей с системой блокировки) изучите сервисный бюллетень.

  • После ремонта выполните операцию подтверждения вывода кодов DTC и убедитесь, что коды DTC не выводятся снова.

  • Перед выполнением следующей процедуры проверки проверьте предохранители цепей, относящихся к данной системе.

Tech Tips

для моделей с системой блокировки:

После поиска неисправностей по данному DTC убедитесь, что отсутствует B279A. В противном случае выполните затем поиск неисправностей по DTC блокирующей системы.

ПОРЯДОК ВЫПОЛНЕНИЯ


  1. УДАЛИТЕ DTC


    1. Сбросьте коды DTC (см. стр. Click here).


    ДАЛЕЕ
  2. ПРОВЕРЬТЕ DTC


    1. Проверьте коды DTC (см. стр. Click here).

      Результат
      Результат Следующий шаг
      Коды DTC не выводятся А
      Помимо DTC B279A выводятся другие DTC B
      Выводится DTC B279A C

      Tech Tips

      Если выводятся какие-либо другие коды, помимо B279A, сначала выполните поиск неисправностей для данных DTC.


    А
    B
    C
  3. ПРОВЕРЬТЕ ЖГУТ ПРОВОДОВ И РАЗЪЕМ (ЛИНИЯ ПЕРЕДАЧИ ДАННЫХ SFI)


    1. Отсоедините разъем L32 блока идентификационного кода.

    2. Отсоедините разъем A13 ECM.

    3. для моделей с системой блокировки:


      1. Отсоедините разъем L180 приемопередатчика телефона в сборе.

    4. Измерьте сопротивление в соответствии со значениями, приведенными в таблице ниже.

      Номинальное сопротивление
      для моделей без системы блокировки
      Подключение диагностического прибора Условие Заданные условия
      L32-6 (EFIO) - A13-31 (IMI) Всегда Менее 1 Ом
      L32-6 (EFIO) - масса Всегда 10 кОм или более
      для моделей с системой блокировки
      Подключение диагностического прибора Условие Заданные условия
      L32-6 (EFIO) - L180-2 (BLK4) Всегда Менее 1 Ом
      L180-8 (BLK3) - A13-31 (IMI) Всегда Менее 1 Ом
      L32-6 (EFIO) - масса Всегда 10 кОм или более
      A13-31 (IMI) - масса Всегда 10 кОм или более
    5. Измерьте напряжение в соответствии со значениями, приведенными в таблице.

      Номинальное напряжение
      для моделей без системы блокировки
      Подключение диагностического прибора Условие Заданные условия
      L32-6 (EFIO) - масса Всегда Менее 1 В
      для моделей с системой блокировки
      Подключение диагностического прибора Условие Заданные условия
      L32-6 (EFIO) - масса Всегда Менее 1 В
      A13-31 (IMI) - масса Всегда Менее 1 В

    NG
    OK
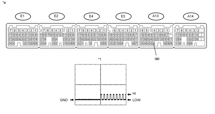
  4. ПРОВЕРЬТЕ БЛОК ИДЕНТИФИКАЦИОННОГО КОДА (КОНТАКТ EFIO)


    1. С помощью осциллографа проверьте форму сигнала.

      A001DJJE02
      Обозначения на рисунке
      *1 Осциллограмма - -
      *a

      Устройство с подсоединенным жгутом проводов

      (ECM)

      - -
      Условия измерений
      Параметр / Устройство Описание
      Контакты для подключения диагностического прибора A13-31 (IMI) - масса
      Настройки прибора 10 В/дел., 100 мс/ дел.
      Условие В течение 3 с после запуска стартера и начала первоначального сгорания, либо в течение 3 с с момента первого включения зажигания после отсоединения и подсоединения аккумуляторной батареи

      Tech Tips

      Осциллограмма в примере на рисунке приведена только для справки. Шумы, помехи и т. д. не показаны.

      OK
      Форма сигнала в норме (см. рис.).

    OK
    NG
  5. ПРОВЕРЬТЕ ЖГУТ ПРОВОДОВ И РАЗЪЕМ (БЛОК ИДЕНТИФИКАЦИОННОГО КОДА – АККУМУЛЯТОРНАЯ БАТАРЕЯ И МАССА)


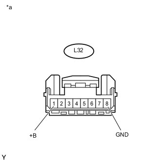
    1. A0018Y8E02
      Обозначения на рисунке
      *a

      Вид спереди разъема со стороны жгута проводов:

      (к блоку идентификационного кода)

      Отсоедините разъем L32 блока идентификационного кода.

    2. Измерьте сопротивление в соответствии со значениями, приведенными в таблице ниже.

      Номинальное сопротивление
      Подключение диагностического прибора Условие Заданные условия
      L32-8 (GND) - масса Всегда Менее 1 Ом
    3. Измерьте напряжение в соответствии со значениями, приведенными в таблице.

      Номинальное напряжение
      Подключение диагностического прибора Условие Заданные условия
      L32-1 (+B) - масса Всегда от 11 до 14 В

    NG
    OK
  6. ЗАМЕНИТЕ ECM


    1. Временно замените ECM новым.


      • Для моделей с 1UR-FSE: см. стр. Click here

      • Для моделей с 1UR-FE: см. стр. Click here


    ДАЛЕЕ
  7. ЗАРЕГИСТРИРУЙТЕ ИДЕНТИФИКАТОР ПЕРЕДАЧИ ДАННЫХ ЭБУ


    1. Зарегистрируйте идентификатор обмена данными ЭБУ - ECM (см. бюллетень технического обслуживания).


    ДАЛЕЕ
  8. УДАЛИТЕ DTC


    1. Сбросьте коды DTC (см. стр. Click here).


    ДАЛЕЕ
  9. ПРОВЕРЬТЕ DTC


    1. Проверьте коды DTC (см. стр. Click here).

      OK
      DTC B279A не выводится.
      Результат
      Результат Перейти к
      OK A
      NG (для моделей без системы блокировки) B
      NG (для моделей с системой блокировки) C

    A
    B
    C
  10. ЗАМЕНИТЕ БЛОК ИДЕНТИФИКАЦИОННОГО КОДА


    1. Временно замените блок идентификационного кода новым (см. бюллетень технического обслуживания).


    ДАЛЕЕ
  11. ЗАРЕГИСТРИРУЙТЕ ИДЕНТИФИКАТОР ПЕРЕДАЧИ ДАННЫХ ЭБУ


    1. Зарегистрируйте идентификатор обмена данными ЭБУ - ECM (см. бюллетень технического обслуживания).


    ДАЛЕЕ
  12. УДАЛИТЕ DTC


    1. Сбросьте коды DTC (см. стр. Click here).


    ДАЛЕЕ
  13. ПРОВЕРЬТЕ DTC


    1. Проверьте коды DTC (см. стр. Click here).

      OK
      DTC B279A не выводится.

    OK
    NG