PARKING ASSIST MONITOR SYSTEM(w/ Side Monitor System) CALIBRATION


  1. ADJUST PARKING ASSIST MONITOR SYSTEM


    1. This parking assist monitor system can be set from the diagnostic screen of the navigation receiver assembly*1 or radio and display receiver assembly*2 (display panel).


      • *1: for Navigation Receiver Type

      • *2: for Radio and Display Type

    2. If the following operations are performed, it is necessary to perform adjustments and checks on the diagnostic screen.

      Part Name Operation Adjustment Item Proceed to
      Spiral cable sub-assembly
      • Removal and installation of the spiral cable sub-assembly

      • Removal and installation of the connector of the spiral cable sub-assembly

      Steering angle neutral point (Initialize parking assist monitor system)

      Click here

      Steering angle setting Procedure 2
      Replacement Steering angle neutral point (Initialize parking assist monitor system)

      Click here

      Steering angle setting Procedure 2
      Parking assist ECU Replacement Parking assist ECU initialization Procedure 1
      Suspension, tires, etc. The vehicle height changes because of suspension or tire replacement Rear television camera optical axis (Back camera position setting) Procedure 3
      Side television camera optical axis (Side camera position setting)

      Click here

      Rear television camera assembly
      • Replacement

      • Installation angle of the rear television camera changes because of the removal and installation of the rear television camera, etc.

      Rear television camera optical axis (Back camera position setting) Procedure 3

      • *1: for Navigation Receiver Type

      • *2: for Radio and Display Type

      Note

      After the engine switch is turned off, the navigation receiver assembly*1 or radio and display receiver assembly*2 requires approximately a minute to record various types of memory and settings. As a result, after turning the engine switch off, wait a minute or more before disconnecting the cable from the negative (-) battery terminal.

      Tech Tips

      The adjustment values stored while performing parking assist monitor system calibration are stored in the parking assist ECU.

  2. PARKING ASSIST ECU INITIALIZATION (Procedure 1)


    • Be sure to check for DTCs before performing this procedure Click here.

    • Illustrations may differ from the actual vehicle screen depending on the device settings and options. Therefore, some detailed areas may not be shown exactly the same as on the actual vehicle screen.


    1. Preparation for adjustment


      1. Park the vehicle with the steering wheel centered.

      2. B001I3GE03
        Text in Illustration
        *a Vehicle Center
        *b Target Bar for Back Camera Adjustment
        *c Vehicle End
        *d Front Side

        Set a target bar for optical axis adjustment of the rear television camera assembly.

        Tech Tips

        Only when adjusting the optical axis of the camera, create a target bar for adjustment.

        Tech Tips


        • Set a piece of tape on the ground as the target bar for adjustment. Its width and length are 20 to 30 mm (0.787 to 1.18 in.) and 1995 to 2005 mm (6.55 to 6.58 ft.), respectively. Check the color on the navigation receiver assembly*1 or radio and display receiver assembly*2 and choose a tape color which can be easily seen.

        • Before parking the vehicle, be sure to move the vehicle forward and in reverse to check that the tires are facing straight ahead with the steering wheel centered.

        • Check that the back door is fully closed.

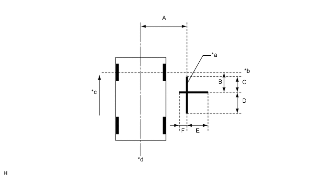
      3. Set a target bar for optical axis adjustment of the side television camera.

        Tech Tips

        Only when adjusting the optical axis of the camera, create a target bar for adjustment.


        1. for LHD:

          B001E7XE09
        2. for RHD:

          B001CN7E02
      4. Text in Illustration
        *a Target Bar for Side Camera Adjustment *b Front Wheel Axis
        *c Front Side *d Vehicle Center

        Tech Tips

        Target bars for side camera adjustment should be made with 2 pieces of 2.5 cm wide tape; one piece should be 100 cm (3.28 ft.) (C+D) and the other should be 68 cm (2.23 ft.) (E+F) long. Check the tape color on the multi-display (display panel) and choose a tape color which can be easily seen.

      5. Start diagnostic mode.


        Note

        Alignment must be performed with the engine running. For this reason, it is necessary to apply the parking brake, depress the brake pedal, and move the shift lever into the P position, and to exercise all other necessary caution to ensure that the vehicle does not begin moving unexpectedly.

        Tech Tips

        The displayed items may differ depending on vehicle specifications.


        1. B001CYJ

          Select "Function Check/Setting" on the "Service Menu" screen.

        2. B001ESL

          Select "Camera Setting" on the "Function Check/Setting I" screen.

        3. B001DFZ

          Select "Next" on the "Signal Check" screen.

          Note


          • When "CHK" (red) is displayed for any items on the "Signal Check" screen, selecting "Next" will not change the screen to the "Side Camera Position Setting" screen.

          • When "CHK" (red) is displayed for any items on the "Signal Check" screen, perform inspections using the "Signal Check" screen Click here.

          Tech Tips


          • When the outer mirrors are retracted, selecting "Next" will not change the screen to the "Side Camera Position Setting" screen.

          • If the screen does not change to the "Side Camera Position Setting" screen even though the outer mirrors are extended, perform the "MIRROR SW" check on the "Signal Check" screen Click here.

          • If the screen does not change to the "Side Camera Position Setting" screen even after "OK" (blue) is displayed as a result of the MIRROR SW check on the "Signal Check" screen, replace the parking assist ECU Click here.

      6. B001GNHE02

        Side Camera Position Setting:

        Tech Tips

        Colors used on the "Side Camera Position Setting" screen

      7. Text in Illustration
        *a Target Adjustment Bar for Side Camera Position Setting
        *b Red Frame
        *c Yellow Frame

      1. B001GMEE05

        Perform the roll angle adjustment.


        • Select switches A and B to rotate C so that it is parallel to the target adjustment bar.

      2. Perform the vertical and horizontal position adjustment.


        • Select the directional switches D, E, F and G to move C so that the target adjustment bar is centered in C.

      3. Select "Next" to display "Side Verify Mode".

    2. Side Verify Mode:


      1. B001HF9

        Check that the red cross and the target adjustment bar are aligned.

        Tech Tips

        If they are not aligned, select "Back" and perform "Side Camera Position Setting" again.

      2. Select "Next" to display "Side Camera Signal Check".

    3. Side Camera Signal Check:


      1. B001HO5

        Select "Next" to store the side camera aiming adjustment value and change the screen to the "Steering Angle Setting" screen.

        Tech Tips


        • When "Next" is selected, a beep will sound to confirm that the side camera aiming adjustment values have been stored.

        • The adjustment value will not be stored unless "Next" is selected.

    4. Steering Angle Setting:


      1. B001E78

        Perform the "STEERING CENTER MEMORIZE" operation.


        • Check that the steering wheel is centered, and then select "STEERING CENTER MEMORIZE".

        Tech Tips

        When performing removal and installation, or replacement of the television camera, steering angle adjustment is not required.

      2. Perform the "MAX STEERING ANGLE MEMORIZE" operation.


        • After adjusting the steering angle neutral point, turn the steering wheel to the left and right lock positions and select "MAX STEERING ANGLE MEMORIZE". The maximum steering angle is then stored and the screen changes to the "Back Camera Position Setting" screen.

          Tech Tips


          • The "Next" button does not respond until the system stores the steering angle neutral point and maximum steering angle.

          • It is also possible to start by initially turning the steering to the right side.

          • When "MAX STEERING ANGLE MEMORIZE" is selected, a beep will sound to confirm that the steering adjustment values have been stored.

          • The adjustment value will not be stored unless "MAX STEERING ANGLE MEMORIZE" is selected after turning the steering wheel side to side.

          • When "Back" is selected, the screen changes to "Side Verify Mode" without storing the set values.

          • Even if no DTCs are detected, selecting "MAX STEERING ANGLE MEMORIZE" may not cause the adjustment value to be stored if the steering sensor is malfunctioning.

          • If selecting "MAX STEERING ANGLE MEMORIZE" does not cause the adjustment value to be stored after adjusting the steering angle, replace the steering sensor.

    5. B001HOAE10
      Text in Illustration
      *a Target Bar for Back Camera Position Setting

      Back Camera Position Setting:

      Tech Tips


      • When adjusting the camera optical axis, "Back door is open. Do not use the rear view monitor when the back door is not completely closed." is displayed even after the back door has been closed.

      • When the back door is open, the "Back door is open. Do not use the rear view monitor when the back door is not completely closed." message will be displayed and camera position setting will not be possible.

      • If the "Back door is open. Do not use the rear view monitor when the back door is not completely closed." message is displayed even when the back door is closed, perform inspections according to Problem Symptoms Table (A back door open warning message is displayed even after back door is closed) Click here.


      1. Perform the roll angle adjustment.


        • Select switches A and B to rotate C so that it is parallel to the target adjustment bar.

      2. Perform the vertical and horizontal position adjustment.


        • Select the directional switches D, E, F and G to move C so that the target adjustment bar is centered in C.

      3. Select the "Next" to display "Back Verify Mode".

    6. Back Verify Mode:


      1. B001FMZE01

        Check that A and the target adjustment bar are overlapping.


        • If the steering angle neutral point is not aligned, perform the "STEERING CENTER MEMORIZE" and "MAX STEERING ANGLE MEMORIZE" operations.

        • If A and the target adjustment bar are not aligned even if the tires are aligned straight ahead, perform the camera position setting operation.

      2. Selecting "OK" will return the screen to the "Service Menu" screen, and complete the adjustment.

        Tech Tips


        • The update is not completed until "OK" is selected.

        • When "OK" is selected, a beep will sound to confirm that the rear camera aiming adjustment values have been stored.

        • The adjustment values are not stored until the beep has sounded.

    7. Finish diagnostic mode.


  3. STEERING ANGLE SETTING (Procedure 2)

    Tech Tips


    • Be sure to check for DTCs before performing this procedure Click here.

    • Illustrations may differ from the actual vehicle screen depending on the device settings and options. Therefore, some detailed areas may not be shown exactly the same as on the actual vehicle screen.


    1. Preparation for adjustment


      1. Park the vehicle with the steering wheel centered.

    2. Start diagnostic mode.


      Note

      Alignment must be performed with the engine running. For this reason, it is necessary to apply the parking brake, depress the brake pedal, and move the shift lever into the P position, and to exercise all other necessary caution to ensure that the vehicle does not begin moving unexpectedly.

      Tech Tips

      The displayed items may differ depending on vehicle specifications.


      1. B001CYJ

        Select "Function Check/Setting" on the "Service Menu" screen.

      2. B001ESL

        Select "Camera Setting" on the "Function Check/Setting" screen.

      3. B001CUE

        Select "Steering Angle Setting" on the "Mode Setting" screen.

        Tech Tips

        To select a grayed out item, select and hold the item for 2 seconds or more.

      4. B001DFZ

        Select "Next" on the "Signal Check" screen.

        Note


        • When "CHK" (red) is displayed for any items on the "Signal Check" screen, selecting "Next" will not change the screen to the "Steering Angle Setting" screen.

        • When "CHK" (red) is displayed for any items on the "Signal Check" screen, perform inspections using the "Signal Check" screen Click here.

    3. Steering Angle Setting:


      1. B001E78

        Perform the "STEERING CENTER MEMORIZE" operation.


        • Check that the steering wheel is centered, and then select "STEERING CENTER MEMORIZE".

        Tech Tips

        When performing removal and installation, or replacement of the television camera, steering angle adjustment is not required.

      2. Perform the "MAX STEERING ANGLE MEMORIZE" operation.


        • After adjusting the steering angle neutral point, turn the steering wheel to the left and right lock positions and select "MAX STEERING ANGLE MEMORIZE". The maximum steering angle is then stored and the screen changes to the "Mode Setting" screen.

        Tech Tips


        • The "Next" button does not respond until the system stores the steering angle neutral point and maximum steering angle.

        • It is also possible to start by initially turning the steering to the right side.

        • When "MAX STEERING ANGLE MEMORIZE" is selected, a beep will sound to confirm that the steering adjustment values have been stored.

        • The adjustment value will not be stored unless "MAX STEERING ANGLE MEMORIZE" is selected after turning the steering wheel side to side.

        • When "Back" is selected, the screen changes to "Signal Check" without storing the set values.

        • Even if no DTCs are detected, selecting "MAX STEERING ANGLE MEMORIZE" may not cause the adjustment value to be stored if the steering sensor is malfunctioning.

        • If selecting "MAX STEERING ANGLE MEMORIZE" does not cause the adjustment value to be stored after adjusting the steering angle, replace the steering sensor.

      3. Select "OK" to display "Mode Setting".

    4. Finish diagnostic mode.


    5. Confirm steering angle adjustment.

      Tech Tips

      If the steering angle has been adjusted, confirm the steering angle adjustment on the parking assist monitor screen after finishing diagnostic mode.


      1. Check on the parking assist screen that the predicted path line moves until the steering wheel is fully turned to either the left or right.

        Tech Tips

        If the predicted path line stops moving before the steering wheel is fully turned to either the left or right, the steering angle adjustment values have not been stored correctly. In this case, perform "STEERING CENTER MEMORIZE" and "MAX STEERING ANGLE MEMORIZE" again.

  4. BACK CAMERA POSITION SETTING (Procedure 3)

    Tech Tips

    Be sure to check for DTCs before performing this procedure Click here.


    1. Preparation for adjustment


      1. Park the vehicle with the steering wheel centered.

      2. B001I3GE03
        Text in Illustration
        *a Vehicle Center
        *b Target Bar for Back Camera Adjustment
        *c Vehicle End
        *d Front Side

        Set a target bar for optical axis adjustment of the rear television camera.

        Tech Tips

        Only when adjusting the optical axis of the camera, create a target bar for adjustment.

        Tech Tips


        • Set a piece of tape on the ground as the target bar for adjustment. Its width and length should be 20 to 30 mm (0.787 to 1.18 in.) and 1995 to 2005 mm (6.55 to 6.58 ft.), respectively. Check the color on the multi-display and choose a tape color which can be easily seen.

        • Before parking the vehicle, be sure to move the vehicle forward and in reverse to check that the tires are facing straight ahead with the steering wheel centered.

        • Check that the back door is fully closed.

      3. Start diagnostic mode.


        Note

        Alignment must be performed with the engine running. For this reason, it is necessary to apply the parking brake, depress the brake pedal, and move the shift lever into the P position, and to exercise all other necessary caution to ensure that the vehicle does not begin moving unexpectedly.

        Tech Tips

        The displayed items may differ depending on vehicle specifications.


        1. B001CYJ

          Select "Function Check/Setting" on the "Service Menu" screen.

        2. B001ESL

          Select "Camera Setting" on the "Function Check/Setting" screen.

        3. B001CUE

          Select "Back Camera Setting" on the "Mode Setting" screen.

          Tech Tips

          To select a grayed out item, select and hold the item for 2 seconds or more.

        4. B001DFZ

          Select "Next" on the "Signal Check" screen.

          Note


          • When "CHK" (red) is displayed for any items on the "Signal Check" screen, selecting "Next" will not change the screen to the "Back Camera Position Setting" screen.

          • When "CHK" (red) is displayed for any items on the "Signal Check" screen, perform inspections using the "Signal Check" screen Click here.

      4. B001HOAE12
      5. Text in Illustration
        *a Target Bar for Back Camera Position Setting

    Back Camera Position Setting:

    Tech Tips


    • When adjusting the camera optical axis, "Back door is open. Do not use the rear view monitor when the back door is not completely closed." is displayed even after the back door has been closed.

    • When the back door is open, the "Back door is open. Do not use the rear view monitor when the back door is not completely closed." message will be displayed and camera position setting will not be possible.

    • If the "Back door is open. Do not use the rear view monitor when the back door is not completely closed." message is displayed even when the back door is closed, perform inspections according to Problem Symptoms Table (A back door open warning message is displayed even after back door is closed) Click here.


    1. Perform the roll angle adjustment.


      • Select switches A and B to rotate C so that it is parallel to the target adjustment bar.

    2. Perform the vertical and horizontal position adjustment.


      • Select the directional switches D, E, F and G to move C so that the target adjustment bar is centered in C.

    3. Select the "Next" button on the "Back Camera Position Setting" screen.

  5. B001FMZE01

    Back Verify Mode:


    1. Check that A and the target adjustment bar are overlapping.


      • If the steering angle neutral point is not aligned, perform the "STEERING CENTER MEMORIZE" and "MAX STEERING ANGLE MEMORIZE" operations.

      • If A and the target adjustment bar are not aligned even if the tires are aligned straight ahead, perform the camera position setting operation.

    2. Selecting "OK" will return the screen to the "Service Menu", and complete the adjustment.

      Tech Tips


      • The update is not completed until "OK" is selected.

      • When "OK" is selected, a beep will sound to confirm that the rear camera aiming adjustment values have been stored.

  6. Finish diagnostic mode.