TOYOTA PARKING ASSIST-SENSOR SYSTEM(w/o Multi-display) Back Sonar Sensor LH Circuit

DESCRIPTION

The ultrasonic sensor sends and receives ultrasonic waves. Based on the received wave, the sensor calculates the approximate distance between the vehicle and obstacle and sends the distance value as a signal to the clearance warning ECU.

WIRING DIAGRAM

B001EN1E36
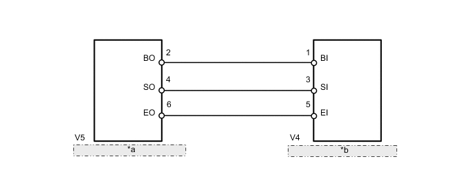
*a No. 1 Ultrasonic Sensor (Rear Corner Sensor LH)
*b No. 1 Ultrasonic Sensor (Rear Center Sensor LH)

PROCEDURE


  1. INSPECT NO. 1 ULTRASONIC SENSOR (REAR CENTER SENSOR LH)


    1. A01XLMPE01

      Remove the No. 1 ultrasonic sensor (rear center sensor LH) Click here.

    2. Measure the resistance according to the value(s) in the table below.

      Standard Resistance
      Tester Connection Condition Specified Condition
      1 (BI) - 5 (EI) Always 10 kΩ or higher
      1 (BI) - 2 (BO) Always 10 kΩ or higher
      3 (SI) - 4 (SO) Always Below 1 Ω
      5 (EI) - 6 (EO) Always Below 1 Ω

    NG
    OK
  2. CHECK HARNESS AND CONNECTOR (REAR CENTER SENSOR LH - REAR CORNER SENSOR LH)


    1. Disconnect the V4 No. 1 ultrasonic sensor (rear center sensor LH) connector.

    2. Disconnect the V5 No. 1 ultrasonic sensor (rear corner sensor LH) connector.

    3. Measure the resistance according to the value(s) in the table below.

      Standard Resistance
      Tester Connection Condition Specified Condition
      V4-1 (BI) - V5-2 (BO) Always Below 1 Ω
      V4-3 (SI) - V5-4 (SO) Always Below 1 Ω
      V4-5 (EI) - V5-6 (EO) Always Below 1 Ω
      V4-1 (BI) - Body ground Always 10 kΩ or higher
      V4-3 (SI) - Body ground Always 10 kΩ or higher
      V4-5 (EI) - Body ground Always 10 kΩ or higher

    OK
    NG