TOYOTA PARKING ASSIST-SENSOR SYSTEM(w/ Multi-display), Diagnostic DTC:C1AEC

DTC Code DTC Name
C1AEC Front Sensor Communication Malfunction

DESCRIPTION

This DTC is stored when there is an open or short circuit in the communication line between the front sensors and ECU, or when there is a malfunction in a front sensor.

DTC Code DTC Detection Condition Trouble Area
C1AEC An open or short circuit in the communication line between the front sensors and ECU or a malfunction in a front sensor during initialization mode after the ignition switch is turned ON.
  • Front ultrasonic sensor circuit

  • Clearance warning ECU

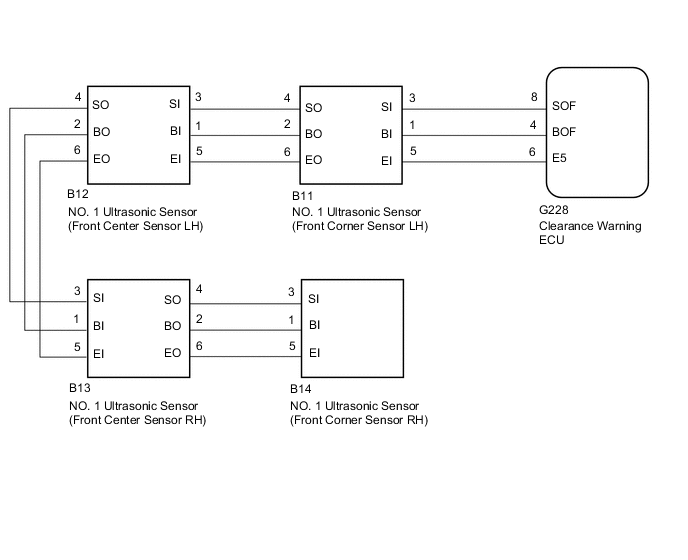
WIRING DIAGRAM

B001FCWE25

PROCEDURE


  1. CHECK FOR DTC


    1. Clear the DTCs Click here.

    2. Check for DTCs Click here.

      Result
      Result Proceed to
      No DTC is output A
      DTC C1AEC is output B

    A
    B
  2. CHECK HARNESS AND CONNECTOR (CLEARANCE WARNING ECU - FRONT CORNER SENSOR LH)


    1. Disconnect the G228 clearance warning ECU connector.

    2. Disconnect the B11 No. 1 ultrasonic sensor (front corner sensor LH) connector.

    3. Measure the resistance according to the value(s) in the table below.

      Standard Resistance
      Tester Connection Condition Specified Condition
      G228-4 (BOF) - B11-1 (BI) Always Below 1 Ω
      G228-8 (SOF) - B11-3 (SI) Always Below 1 Ω
      G228-6 (E5) - B11-5 (EI) Always Below 1 Ω
      G228-4 (BOF) - Body ground Always 10 kΩ or higher
      G228-8 (SOF) - Body ground Always 10 kΩ or higher
      G228-6 (E5) - Body ground Always 10 kΩ or higher

    NG
    OK
  3. CHECK HARNESS AND CONNECTOR (FRONT CORNER SENSOR LH - FRONT CENTER SENSOR LH)


    1. Disconnect the B11 No. 1 ultrasonic sensor (front corner sensor LH) connector.

    2. Disconnect the B12 No. 1 ultrasonic sensor (front center sensor LH) connector.

    3. Measure the resistance according to the value(s) in the table below.

      Standard Resistance
      Tester Connection Condition Specified Condition
      B11-2 (BO) - B12-1 (BI) Always Below 1 Ω
      B11-4 (SO) - B12-3 (SI) Always Below 1 Ω
      B11-6 (EO) - B12-5 (EI) Always Below 1 Ω
      B11-2 (BO) - Body ground Always 10 kΩ or higher
      B11-4 (SO) - Body ground Always 10 kΩ or higher
      B11-6 (EO) - Body ground Always 10 kΩ or higher

    NG
    OK
  4. CHECK HARNESS AND CONNECTOR (FRONT CENTER SENSOR LH - FRONT CENTER SENSOR RH)


    1. Disconnect the B12 No. 1 ultrasonic sensor (front center sensor LH) connector.

    2. Disconnect the B13 No. 1 ultrasonic sensor (front center sensor RH) connector.

    3. Measure the resistance according to the value(s) in the table below.

      Standard Resistance
      Tester Connection Condition Specified Condition
      B12-2 (BO) - B13-1 (BI) Always Below 1 Ω
      B12-4 (SO) - B13-3 (SI) Always Below 1 Ω
      B12-6 (EO) - B13-5 (EI) Always Below 1 Ω
      B12-2 (BO) - Body ground Always 10 kΩ or higher
      B12-4 (SO) - Body ground Always 10 kΩ or higher
      B12-6 (EO) - Body ground Always 10 kΩ or higher

    NG
    OK
  5. CHECK HARNESS AND CONNECTOR (FRONT CENTER SENSOR RH - FRONT CORNER SENSOR RH)


    1. Disconnect the B13 No. 1 ultrasonic sensor (front center sensor RH) connector.

    2. Disconnect the B14 No. 1 ultrasonic sensor (front corner sensor RH) connector.

    3. Measure the resistance according to the value(s) in the table below.

      Standard Resistance
      Tester Connection Condition Specified Condition
      B13-2 (BO) - B14-1 (BI) Always Below 1 Ω
      B13-4 (SO) - B14-3 (SI) Always Below 1 Ω
      B13-6 (EO) - B14-5 (EI) Always Below 1 Ω
      B13-2 (BO) - Body ground Always 10 kΩ or higher
      B13-4 (SO) - Body ground Always 10 kΩ or higher
      B13-6 (EO) - Body ground Always 10 kΩ or higher

    NG
    OK
  6. INSPECT NO. 1 ULTRASONIC SENSOR (FRONT CORNER SENSOR LH)


    1. Remove the No. 1 ultrasonic sensor (front corner sensor LH) Click here.

    2. Inspect the No. 1 ultrasonic sensor (front corner sensor LH) Click here.


    NG
    OK
  7. INSPECT ULTRASONIC SENSOR FRONT CENTER (FRONT CENTER SENSOR LH)


    1. Remove the No. 1 ultrasonic sensor (front center sensor LH) Click here.

    2. Inspect the No. 1 ultrasonic sensor (front center sensor LH) Click here.


    NG
    OK
  8. INSPECT NO. 1 ULTRASONIC SENSOR (FRONT CENTER SENSOR RH)


    1. Remove the No. 1 ultrasonic sensor (front center sensor RH) Click here.

    2. Inspect the No. 1 ultrasonic sensor (front center sensor RH) Click here.


    NG
    OK
  9. REPLACE NO. 1 ULTRASONIC SENSOR (FRONT CORNER SENSOR RH)


    1. Replace the No. 1 ultrasonic sensor (front corner sensor RH) with a normally functioning sensor Click here.


    NEXT
  10. CHECK FOR DTC (C1AEC)


    1. Clear the DTCs Click here.

    2. Check for DTCs Click here.

      Result
      Result Proceed to
      No DTC is output A
      DTC C1AEC is output B

    A
    B
  11. REPLACE NO. 1 ULTRASONIC SENSOR (FRONT CENTER SENSOR LH)


    1. Replace the No. 1 ultrasonic sensor (front center sensor LH) with a normally functioning sensor Click here.

      Tech Tips

      All of the sensors are interchangeable. To confirm whether a sensor is functioning normally, switch it with a known good sensor from the other end of the vehicle.


    NEXT
  12. CHECK FOR DTC (C1AEC)


    1. Clear the DTCs Click here.

    2. Check for DTCs Click here.

      Result
      Result Proceed to
      No DTC is output A
      DTC C1AEC is output B

    A
    B
  13. REPLACE NO. 1 ULTRASONIC SENSOR (FRONT CENTER SENSOR RH)


    1. Replace the No. 1 ultrasonic sensor (front center sensor RH) with a normally functioning sensor Click here.

      Tech Tips

      All of the sensors are interchangeable. To confirm whether a sensor is functioning normally, switch it with a known good sensor from the other end of the vehicle.


    NEXT
  14. CHECK FOR DTC (C1AEC)


    1. Clear the DTCs Click here.

    2. Check for DTCs Click here.

      Result
      Result Proceed to
      No DTC is output A
      DTC C1AEC is output B

    A
    B
  15. REPLACE NO. 1 ULTRASONIC SENSOR (FRONT CORNER SENSOR LH)


    1. Replace the No. 1 ultrasonic sensor (front corner sensor LH) with a normally functioning sensor Click here.

      Tech Tips

      All of the sensors are interchangeable. To confirm whether a sensor is functioning normally, switch it with a known good sensor from the other end of the vehicle.


    NEXT
  16. CHECK FOR DTC (C1AEC)


    1. Clear the DTCs Click here.

    2. Check for DTCs Click here.

      Result
      Result Proceed to
      No DTC is output A
      DTC C1AEC is output (for LHD) B
      DTC C1AEC is output (for RHD) C

    A
    B
    C