TOYOTA PARKING ASSIST-SENSOR SYSTEM(w/ Multi-display) SYSTEM DIAGRAM


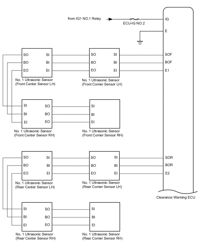
  1. SYSTEM DIAGRAM (for 4 Sensor Type)

    B001H0UE02
    A01XEEJE04
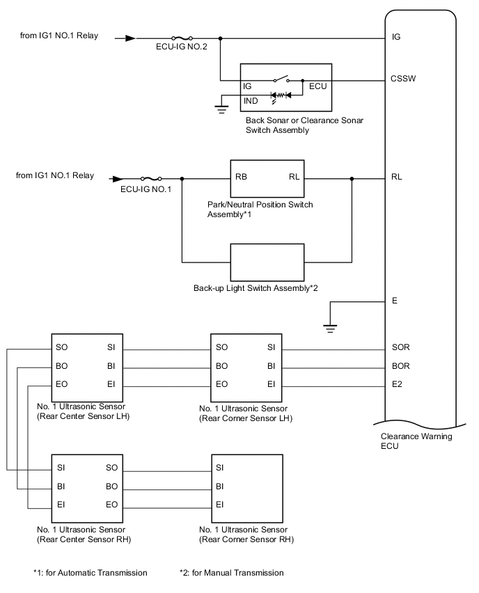
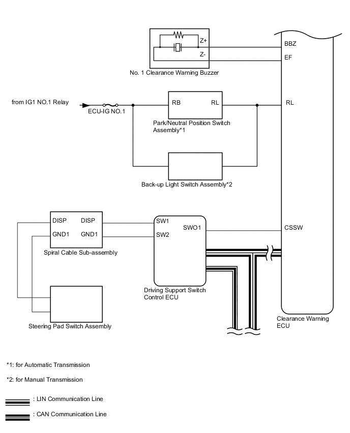
  2. SYSTEM DIAGRAM (for 8 Sensor Type)

    A01XDREE05
    A01XJWRE02
    A01XJKGE02
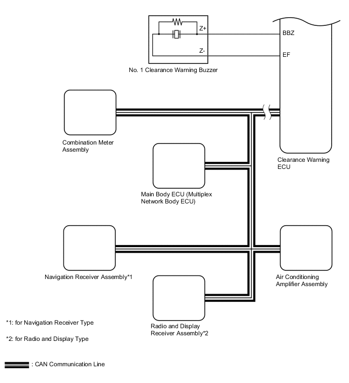
    Communication Table
    Sender Receiver Signal Line
    Main Body ECU (Multiplex Network Body ECU) Clearance Warning ECU Destination information CAN
    Combination Meter Assembly Clearance Warning ECU Vehicle speed CAN
    Air Conditioning Amplifier Assembly Clearance Warning ECU Ambient temperature information CAN
    Clearance Warning ECU Combination Meter Assembly
    • Clearance sonar indicator illumination request

    • Corner sensor information

    • Front center sensor and rear center sensor information

    • Clearance sonar sensor diagnosis

    CAN
    Driving Support Switch Control ECU Combination Meter Assembly Operation information received from the multi-function switch of the steering pad switch assembly which is displayed on the multi-information display in the combination meter assembly LIN
    Clearance Warning ECU
    • Navigation Receiver Assembly*1

    • Radio and Display Receiver Assembly*2

    Display signals from the clearance warning ECU which are displayed on the display panel CAN

    • *1: for Navigation Receiver Type

    • *2: for Radio and Display Type