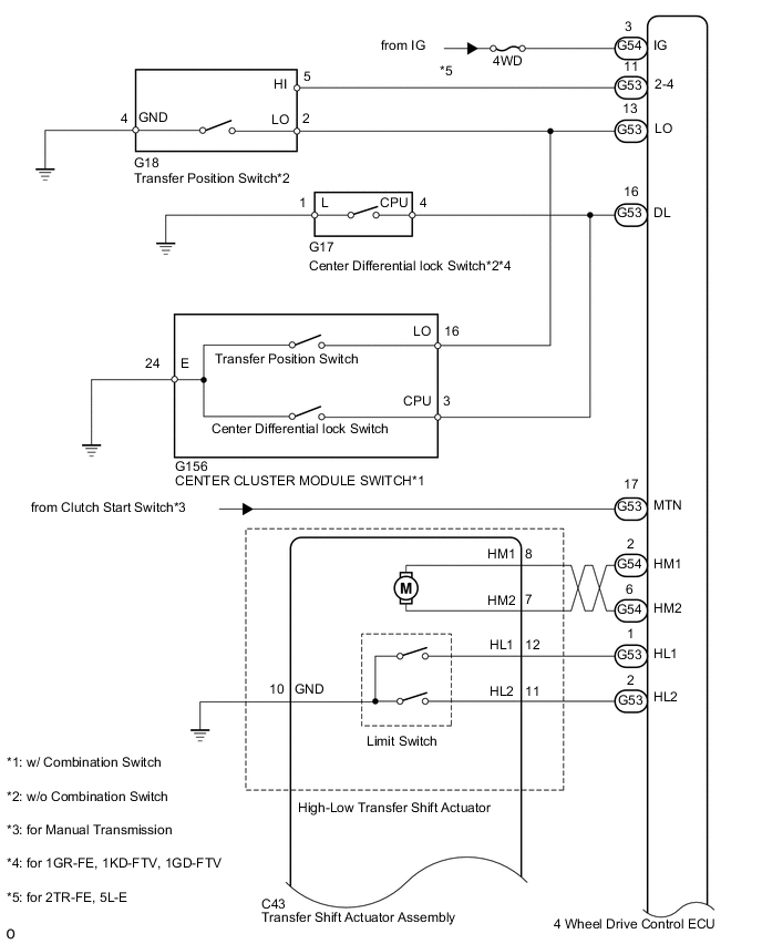
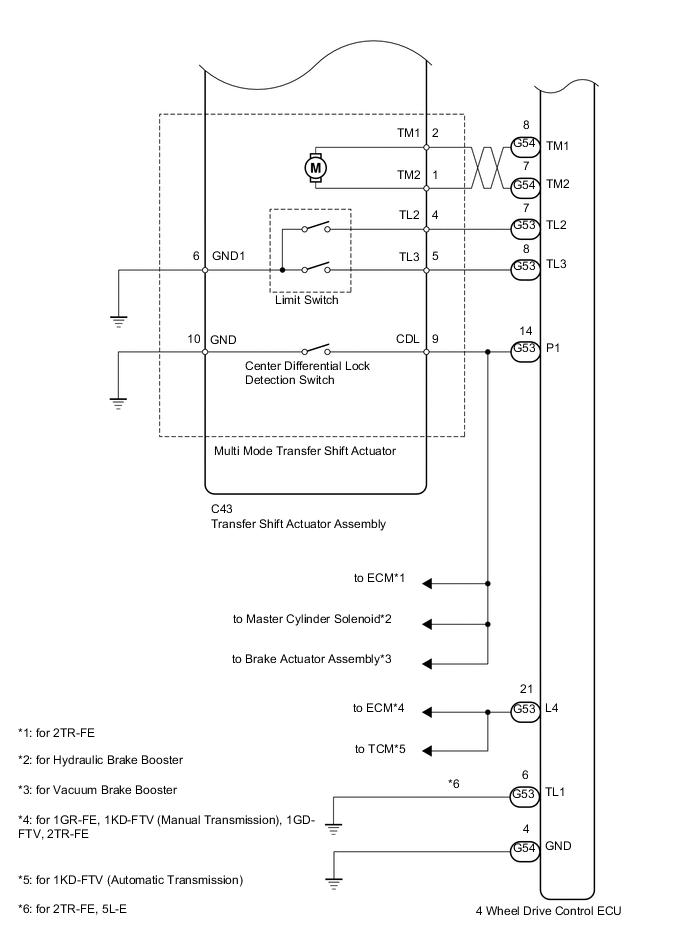
TRANSFER SYSTEM SYSTEM DIAGRAM

A01XIBME03
A01XFT5E01
A01XDU9E10