ENTRY AND START SYSTEM(for Start Function) Engine does not Start

DESCRIPTION

When the electrical key transmitter sub-assembly is in the cabin and the engine switch is pressed, the certification ECU (smart key ECU assembly) receives a signal and changes the power source mode. Additionally, when the shift lever in P*1 and the brake pedal*1 or clutch pedal*2 is depressed, the engine can be started by pressing the engine switch. If the steering is unlocked, the engine can also be started by pressing the engine switch with the shift lever in P*1 and the brake pedal*1 or clutch pedal*2 depressed.


Related Data List and Active Test Items
Problem Symptom Data List and Active Test
Engine does not Start

    Power Source Control

  • Stop Light Switch1

  • Steering Unlock Switch

  • Shift P Signal*

  • IG Relay Monitor (Inside)

  • IG Relay Monitor (Outside)

  • Latch Circuit

  • Starter Request Signal

  • Power Supply Condition

  • Neutral SW/ Clutch SW


    Entry&Start

  • Immobiliser

  • Engine Start Request

  • S Code Check

  • L Code Check


    Starting Control

  • Starter SW

  • Shift Position Status*

  • Ignition


WIRING DIAGRAM

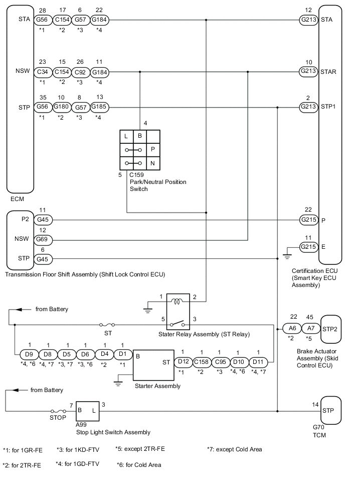
Figure 1. for Automatic Transmission:

B001ETTE01

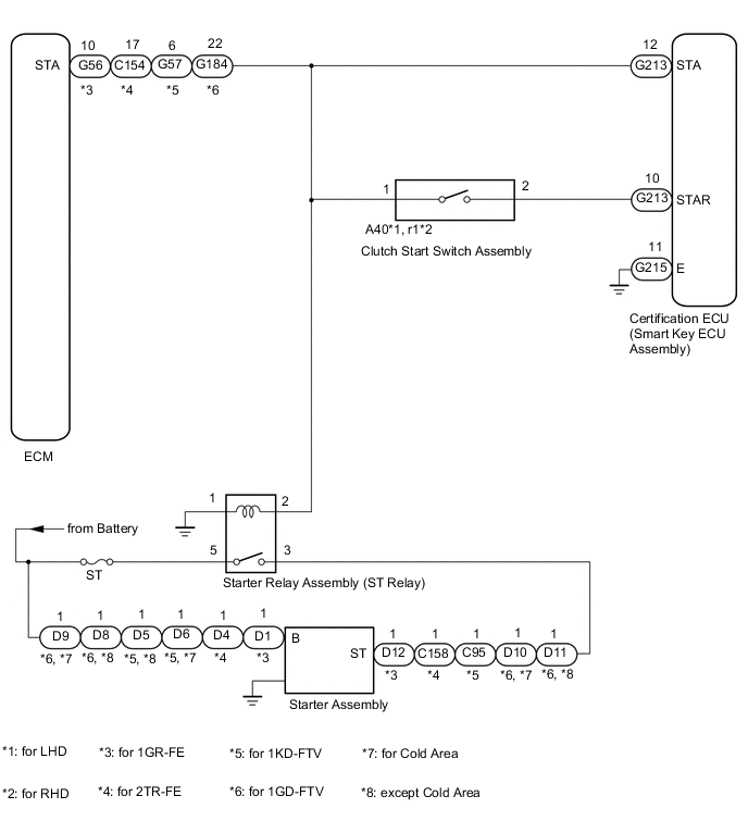
Figure 2. for Manual Transmission:

B001E0ZE01

CAUTION / NOTICE / HINT

Note


  • When using the GTS with the engine switch off, connect the GTS to the DLC3 and turn a courtesy light switch on and off at intervals of 1.5 seconds or less until communication between the GTS and the vehicle begins. Then select Model Code "KEY REGIST" under manual mode and enter the following menus: Body Electrical / Entry&Start(CAN). While using the GTS, periodically turn a courtesy light switch on and off at intervals of 1.5 seconds or less to maintain communication between the GTS and the vehicle.

  • If the entry and start system (for Start Function) has been canceled, enable the system before performing troubleshooting.

    Click here

  • Inspect the fuses of circuits related to this system before performing the following procedure.

  • Before replacing the certification ECU (smart key ECU assembly) or an electrical key transmitter sub-assembly, refer to the Service Bulletin.

  • After completing repairs, confirm that the problem does not recur.

  • After repair, confirm that no DTCs are output by performing "DTC Output Confirmation Operation".

  • When disconnecting the cable from the negative (-) battery terminal while performing repairs, some systems need to be initialized after the cable is reconnected.

    Click here

PROCEDURE


  1. CHECK ENGINE SWITCH CONDITION


    1. Get into the vehicle while carrying an electrical key transmitter sub-assembly.

    2. for Automatic Transmission:

      Shift lever in P.

    3. With the brake pedal*1 or clutch pedal*2 released, check that pressing the engine switch causes the power source mode to change.


      • *1: for Automatic Transmission

      • *2: for Manual Transmission

      Result
      Result Proceed to
      Power source mode changes : Off → on (ACC) → on (IG) → off A
      Power source mode does not change to on (ACC) or on (IG) B
      Power source mode changes to on (IG) but not to on (ACC) C
      Power source mode changes to on (ACC) but not to on (IG) D

    B
    C
    D
    A
  2. CHECK VEHICLE CONDITION


    1. Check vehicle condition.

      Result
      Proceed to
      for Manual Transmission
      for Automatic Transmission

    for Automatic Transmission
    for Manual Transmission
  3. READ VALUE USING GTS (Neutral SW/ Clutch SW)


    1. Enter the following menus: Body Electrical / Power Source Control / Data List.

    2. Read the Data List according to the display on the GTS.

      Power Source Control
      Tester Display Measurement Item Range Normal Condition Diagnostic Note
      Neutral SW/ Clutch SW State of clutch pedal ON or OFF

      ON: Clutch pedal depressed

      OFF: Clutch pedal released


      • Use this item to help determine if the clutch position switch is malfunctioning.

      • The engine cannot be started when this item is "OFF".

      OK
      The GTS display changes correctly in response to the shift state.
      Result
      Proceed to
      OK
      NG

    NG
    OK
  4. READ VALUE USING GTS (STARTER REQUEST SIGNAL)


    1. Enter the following menus: Body Electrical / Power Source Control / Data List.

    2. Read the Data List according to the display on the GTS.

      Power Source Control
      Tester Display Measurement Item Range Normal Condition Diagnostic Note
      Starter Request Signal Engine start request signal status OFF or ON

      OFF: The engine switch is not pressed

      ON: With the clutch pedal depressed, the engine switch is pressed and held


      • When the engine cannot be started due to a start request signal malfunction, OFF is displayed.

      • When the engine switch is pressed, the duration of time that ON is displayed will be extremely short. As such, the engine switch needs to be pressed and held for a certain period of time.

      Note

      Check that the key indicator display is displayed in the combination meter assembly, and then press the engine switch.

      OK
      The GTS display changes correctly in response to the engine switch operation.
      Result
      Proceed to
      OK
      NG

    NG
    OK
  5. READ VALUE USING GTS (STARTER SW)


    1. Get into the vehicle while carrying an electrical key transmitter sub-assembly.

    2. Enter the following menus: Body Electrical / Starting Control / Data List.

    3. Read the Data List while pressing the engine switch with the clutch pedal depressed according to the display on the GTS.

      Starting Control
      Tester Display Measurement Item Range Normal Condition Diagnostic Note
      Starter SW Starter operation request OFF or ON

      OFF: Starter operation not requested

      ON: Starter operation requested

      When OFF is displayed, the engine will not crank.
      OK
      The GTS display changes.
      Result
      Proceed to
      OK
      NG

    NG
    OK
  6. CHECK HARNESS AND CONNECTOR (CERTIFICATION ECU (SMART KEY ECU ASSEMBLY) - ST NO. 1 RELAY)


    1. B001GAPC03
      *a

      Engine Room Relay Block

      (Starter Relay Assembly (ST Relay) Installation Terminal)

      Remove the starter relay assembly (ST relay).

    2. Measure the voltage according to the value(s) in the table below.

      Standard Voltage
      Tester Connection Condition Specified Condition
      Starter relay assembly (ST relay) installation terminal 2 - Body ground Engine switch pressed and held with clutch pedal depressed (starter on) → Approximately 1 second after engine switch released (starter off) 6 V or higher* → 1.0 V or less

      Tech Tips

      *: While the engine is cranking, the battery voltage may drop to approximately 6 V.

      Result
      Proceed to
      OK
      NG

    OK
    NG
  7. READ VALUE USING GTS (Neutral SW/ Clutch SW)


    1. Disconnect the G56*1, C154*2, G57*3 and G184*4 ECM connector.


      • *1: for 1GR-FE

      • *2: for 2TR-FE

      • *3: for 1KD-FTV

      • *4: for 1GD-FTV

    2. Enter the following menus: Body Electrical / Power Source Control / Data List.

    3. Read the Data List according to the display on the GTS.

      Power Source Control
      Tester Display Measurement Item Range Normal Condition Diagnostic Note
      Neutral SW/ Clutch SW State of clutch pedal ON or OFF

      ON: Clutch pedal depressed

      OFF: Clutch pedal released


      • Use this item to help determine if the clutch position switch is malfunctioning.

      • The engine cannot be started when this item is "OFF".

      OK
      The GTS display changes correctly in response to the shift state.
      Result
      Proceed to
      OK
      NG

    OK
    NG
  8. INSPECT CLUTCH START SWITCH ASSEMBLY


    1. Remove the clutch start switch assembly.

      Click here

    2. Inspect the clutch start switch assembly.

      Click here

      Result
      Proceed to
      OK
      NG

    NG
    OK
  9. CHECK HARNESS AND CONNECTOR (CERTIFICATION ECU (SMART KEY ECU ASSEMBLY) - ECM, CLUTCH START SWITCH ASSEMBLY AND STARTER RELAY ASSEMBLY (ST RELAY)


    1. Disconnect the G213 certification ECU (smart key ECU assembly) connector.

    2. Disconnect the A40*1 or r1*2 clutch start switch assembly connector.


      • *1: for LHD

      • *2: for RHD

    3. Remove the starter relay assembly (ST relay).

    4. Measure the resistance according to the value(s) in the table below.

      Standard Resistance
      Tester Connection Condition Specified Condition
      G213-10 (STAR) - A40-2*1 Always Below 1 Ω
      G213-10 (STAR) - r1-2*2 Always Below 1 Ω
      G213-12 (STA) - A40-1*1 Always Below 1 Ω
      G213-12 (STA) - r1-1*2 Always Below 1 Ω
      G213-10 (STAR) or A40-2 - Body ground*1 Always 10 kΩ or higher
      G213-10 (STAR) or r1-2 - Body ground*2 Always 10 kΩ or higher
      G213-12 (STA) or A40-1 - Body ground*1 Always 10 kΩ or higher
      G213-12 (STA) or r1-1 - Body ground*2 Always 10 kΩ or higher

      • *1: for LHD

      • *2: for RHD

      Result
      Proceed to
      OK
      NG

    NG
    OK
  10. INSPECT STARTER RELAY ASSEMBLY (ST RELAY)


    1. Inspect the starter relay assembly (ST relay).


      Result
      Proceed to
      OK
      NG

    OK
    NG
  11. READ VALUE USING GTS (STOP LIGHT SWITCH1)


    1. Connect the GTS to the DLC3.

    2. Turn the engine switch on (IG).

    3. Turn the GTS on.

    4. Enter the following menus: Body Electrical / Power Source Control / Data List.

    5. Read the Data List according to the display on the GTS.

      Power Source Control
      Tester Display Measurement Item Range Normal Condition Diagnostic Note
      Stop Light Switch1 State of brake pedal OFF or ON

      OFF: Brake pedal released

      ON: Brake pedal depressed


      • Use this item to determine if the stop light switch assembly is malfunctioning.

      • The engine cannot be started when this item is OFF.

      • If the stop light switch assembly is malfunctioning, the engine can be started by pressing and holding the engine switch for a certain period of time.

      OK
      The GTS display changes correctly in response to the brake pedal operation.
      Result
      Proceed to
      OK
      NG

    NG
    OK
  12. READ VALUE USING GTS (Neutral SW/ Clutch SW)


    1. Enter the following menus: Body Electrical / Power Source Control / Data List.

    2. Read the Data List according to the display on the GTS.

      Power Source Control
      Tester Display Measurement Item Range Normal Condition Diagnostic Note
      Neutral SW/ Clutch SW Shift position (P and N) ON or OFF

      ON: Shift lever in P or N

      OFF: Shift lever in any position other than P or N


      • Use this item to determine whether the park/neutral start switch assembly is malfunctioning.

      • When the engine cannot be started due to a park/neutral start switch assembly malfunction, OFF is displayed.

      OK
      The GTS display changes correctly in response to the shift state.
      Result
      Proceed to
      OK
      NG

    NG
    OK
  13. READ VALUE USING GTS (STARTER REQUEST SIGNAL)


    1. Enter the following menus: Body Electrical / Power Source Control / Data List.

    2. Read the Data List according to the display on the GTS.

      Power Source Control
      Tester Display Measurement Item Range Normal Condition Diagnostic Note
      Starter Request Signal Engine start request signal status OFF or ON

      OFF: The engine switch is not pressed

      ON: With the shift lever in P and the brake pedal depressed, the engine switch is pressed and held


      • When the engine cannot be started due to a start request signal malfunction, OFF is displayed.

      • When the engine switch is pressed, the duration of time that ON is displayed will be extremely short. As such, the engine switch needs to be pressed and held for a certain period of time.

      Note

      Check that the key indicator display is displayed in the combination meter assembly, and then press the engine switch.

      OK
      The GTS display changes correctly in response to the engine switch operation.
      Result
      Proceed to
      OK
      NG

    NG
    OK
  14. READ VALUE USING GTS (STARTER SW)


    1. Get into the vehicle while carrying an electrical key transmitter sub-assembly.

    2. Shift lever in P.

    3. Enter the following menus: Body Electrical / Starting Control / Data List.

    4. Read the Data List while pressing the engine switch with the brake pedal depressed according to the display on the GTS.

      Starting Control
      Tester Display Measurement Item Range Normal Condition Diagnostic Note
      Starter SW Starter operation request OFF or ON

      OFF: Starter operation not requested

      ON: Starter operation requested

      When OFF is displayed, the engine will not crank.
      OK
      The GTS display changes.
      Result
      Proceed to
      OK
      NG

    NG
    OK
  15. CHECK HARNESS AND CONNECTOR (CERTIFICATION ECU (SMART KEY ECU ASSEMBLY) - ST NO. 1 RELAY)


    1. B001GAPC03
      *a

      Engine Room Relay Block

      (Starter Relay Assembly (ST Relay) Installation Terminal)

      Remove the starter relay assembly (ST relay).

    2. Measure the voltage according to the value(s) in the table below.

      Standard Voltage
      Tester Connection Condition Specified Condition
      Starter relay assembly (ST relay) installation terminal 2 - Body ground Engine switch pressed and held with brake pedal depressed (starter on) → Approximately 1 second after engine switch released (starter off) 6 V or higher* → 1.0 V or less

      Tech Tips

      *: While the engine is cranking, the battery voltage may drop to approximately 6 V.

      Result
      Proceed to
      OK
      NG

    NG
    OK
  16. CHECK HARNESS AND CONNECTOR (ST NO. 1 RELAY - POWER SUPPLY AND BODY GROUND)


    1. B001GAPC03
      *a

      Engine Room Relay Block

      (Starter Relay Assembly (ST Relay) Installation Terminal)

      Measure the resistance according to the value(s) in the table below.

      Standard Resistance
      Tester Connection Condition Specified Condition
      Starter relay assembly (ST relay) installation terminal 1 - Body ground Always Below 1 Ω
    2. Measure the voltage according to the value(s) in the table below.

      Standard Voltage
      Tester Connection Condition Specified Condition
      Starter relay assembly (ST relay) installation terminal 5 - Body ground Always 11 to 14 V
      Result
      Proceed to
      OK
      NG

    NG
    OK
  17. INSPECT STARTER RELAY ASSEMBLY (ST RELAY)


    1. Inspect the starter relay assembly (ST relay).


      Result
      Proceed to
      OK
      NG

    NG
    OK
  18. CHECK HARNESS AND CONNECTOR (STARTER RELAY ASSEMBLY (ST RELAY) - STARTER ASSEMBLY)


    1. Disconnect the D12*1, C158*2, C95*3, D10*4, *5 and D11*4, *6 starter assembly connector.


      • *1: for 1GR-FE

      • *2: for 2TR-FE

      • *3: for 1KD-FTV

      • *4: for 1GD-FTV

      • *5: except Cold Area

      • *6: for Cold Area

    2. Measure the resistance according to the value(s) in the table below.

      Standard Resistance
      Tester Connection Condition Specified Condition
      Starter Relay Assembly (ST relay) installation terminal 3 - D12-1 (ST)*1 Always Below 1 Ω
      Starter Relay Assembly (ST relay) installation terminal 3 or D12-1 (ST) - Body ground*1 Always 10 kΩ or higher
      Starter Relay Assembly (ST relay) installation terminal 3 - C158-1 (ST)*2 Always Below 1 Ω
      Starter Relay Assembly (ST relay) installation terminal 3 or C158-1 (ST) - Body ground*2 Always Below 1 Ω
      Starter Relay Assembly (ST relay) installation terminal 3 - C95-1 (ST)*3 Always Below 1 Ω
      Starter Relay Assembly (ST relay) installation terminal 3 or C95-1 (ST) - Body ground*3 Always Below 1 Ω
      Starter Relay Assembly (ST relay) installation terminal 3 - D10-1 (ST)*4, *5 Always Below 1 Ω
      Starter Relay Assembly (ST relay) installation terminal 3 or D10-1 (ST) - Body ground*4, *5 Always Below 1 Ω
      Starter Relay Assembly (ST relay) installation terminal 3 - D11-1 (ST)*4, *6 Always Below 1 Ω
      Starter Relay Assembly (ST relay) installation terminal 3 or D11-1 (ST) - Body ground*4, *6 Always Below 1 Ω

      • *1: for 1GR-FE

      • *2: for 2TR-FE

      • *3: for 1KD-FTV

      • *4: for 1GD-FTV

      • *5: for Cold Area

      • *6: except Cold Area

      Result
      Proceed to
      OK
      NG

    NG
    OK
  19. CHECK HARNESS AND CONNECTOR (STARTER ASSEMBLY - POWER SUPPLY)


    1. B001E6BC02
      *a

      Wire harness connector

      (to Starter Assembly)

      Disconnect the starter assembly connector.

    2. Measure the voltage according to the value(s) in the table below.

      Standard Voltage
      Tester Connection Condition Specified Condition
      D1-1 (B) - Body ground*1 Always 11 to 14 V
      D4-1 (B) - Body ground*2 Always 11 to 14 V
      D5-1 (B) - Body ground*3, *5 Always 11 to 14 V
      D6-1 (B) - Body ground*3, *6 Always 11 to 14 V
      D8-1 (B) - Body ground*4, *5 Always 11 to 14 V
      D9-1 (B) - Body ground*4, *6 Always 11 to 14 V

      • *1: for 1GR-FE

      • *2: for 2TR-FE

      • *3: for 1KD-FTV

      • *4: for 1GD-FTV

      • *5: except Cold Area

      • *6: for Cold Area

      Result
      Proceed to
      OK
      NG

    NG
    OK
  20. INSPECT STARTER ASSEMBLY


    1. Remove the starter assembly.


    2. Inspect the starter assembly.


      Result
      Proceed to
      OK (for 1GR-FE)
      OK (for 2TR-FE)
      OK (for 1GD-FTV)
      OK (for 1GD-FTV (w/ Urea SCR System))
      OK (for 1KD-FTV)
      NG

    OK (for 1GR-FE)
    OK (for 2TR-FE)
    OK (for 1GD-FTV)
    OK (for 1GD-FTV (w/ Urea SCR System))
    OK (for 1KD-FTV)
    NG
  21. READ VALUE USING GTS (Shift P Signal)


    1. Enter the following menus: Body Electrical / Power Source Control / Data List.

    2. Read the Data List according to the display on the GTS.

      Tester Display Measurement Item Range Normal Condition Diagnostic Note
      Shift P Signal P position signal status Normal2, Normal3, Normal4, Normal5 or Unknown

      Normal2: Signal normal and park (P) selected

      Normal3: Signal normal and shift state other than (P)

      Normal4: Signal normal and park (N) selected

      Normal5: Signal normal and park other than (P) or (N) selected

      Unknown: -

      Use this item to determine if the P position signal is malfunctioning.
      OK
      The GTS display changes correctly in response to the shift state.
      Result
      Proceed to
      OK
      NG

    OK
    NG
  22. CHECK HARNESS AND CONNECTOR (CERTIFICATION ECU (SMART KEY ECU ASSEMBLY) - TRANSMISSION FLOOR SHIFT ASSEMBLY (SHIFT LOCK CONTROL ECU))


    1. Disconnect the G215 certification ECU (smart key ECU assembly) connector.

    2. Disconnect the G45 transmission floor shift assembly (shift lock control ECU).

    3. Measure the resistance according to the value(s) in the table below.

      Standard Resistance
      Tester Connection Condition Specified Condition
      G215-22 (P) - G45-11 (P2) Always Below 1 Ω
      G215-22 (P) or G45-11 (P2) - Body ground Always 10 kΩ or higher
      Result
      Proceed to
      OK
      NG

    NG
    OK
  23. CHECK CERTIFICATION ECU (SMART KEY ECU ASSEMBLY)


    1. B001HOWC69
      *a

      Front view of wire harness connector

      (to Certification ECU (Smart Key ECU Assembly))

      Reconnect the G215 certification ECU (smart key ECU assembly) connector.

    2. Measure the voltage according to the value(s) in the table below.

      Standard Voltage
      Tester Connection Condition Specified Condition
      G215-22 (P) - Body ground Shift lever in P → Shift lever not in P 9 V or higher → 2.76 V or less
      Result
      Proceed to
      OK
      NG

    OK
    NG
  24. CHECK STEERING LOCK


    1. Check that the steering unlocks when the engine switch is turned on (ACC).

      OK
      The steering unlocks.
      Result
      Proceed to
      OK
      NG

    NG
    OK
  25. CHECK THEFT WARNING INDICATOR LIGHT ASSEMBLY (SECURITY INDICATOR LIGHT) (IMMOBILISER FUNCTION UNSET)


    1. Get into the vehicle while carrying an electrical key transmitter sub-assembly.

    2. for Automatic Transmission:

      Shift lever in P.

    3. Press the engine switch with the brake pedal*1 or clutch pedal*2 released and check that the theft warning indicator light assembly (security indicator light) changes from blinking to off at the same time that the power source mode changes to on (ACC).


      • *1: for Automatic Transmission

      • *2: for Manual Transmission

      OK
      The theft warning indicator light assembly (security indicator light) changes from blinking to off at the same time that the power source mode changes to on (ACC).

      Tech Tips

      The immobiliser function can be determined to be operating correctly if the theft warning indicator light assembly (security indicator light) changes from blinking to off at the same time that the power source mode changes to on (ACC).

      Result
      Proceed to
      OK
      NG

    OK
    NG
  26. READ VALUE USING GTS (Neutral SW/ Clutch SW)


    1. Disconnect the C34*1, C154*2, C92*3 and G184*4 ECM connector.


      • *1: for 1GR-FE

      • *2: for 2TR-FE

      • *3: for 1KD-FTV

      • *4: for 1GD-FTV

    2. Read the Data List according to the display on the GTS.

      Power Source Control
      Tester Display Measurement Item Range Normal Condition Diagnostic Note
      Neutral SW/ Clutch SW Shift position (P and N) ON or OFF

      ON: Shift lever in P or N

      OFF: Shift lever in any position other than P or N


      • Use this item to determine whether the park/neutral start switch assembly is malfunctioning.

      • When the engine cannot be started due to a park/neutral start switch assembly malfunction, OFF is displayed.

      OK
      The GTS display changes correctly in response to the shift state.
      Result
      Proceed to
      OK
      NG

    OK
    NG
  27. INSPECT PARK/NEUTRAL POSITION SWITCH ASSEMBLY


    1. Remove the park/neutral position switch.


    2. Inspect the park/neutral position switch.


      Result
      Proceed to
      OK
      NG

    NG
    OK
  28. CHECK HARNESS AND CONNECTOR (CERTIFICATION ECU (SMART KEY ECU ASSEMBLY) - ECM, PARK/NEUTRAL POSITION SWITCH ASSEMBLY AND STARTER RELAY ASSEMBLY (ST RELAY)


    1. Disconnect the G213 certification ECU (smart key ECU assembly) connector.

    2. Disconnect the C159 park/neutral position switch connector.

    3. Remove the starter relay assembly (ST relay).

    4. Measure the resistance according to the value(s) in the table below.

      Standard Resistance
      Tester Connection Condition Specified Condition
      G213-10 (STAR) - C159-4 (B) Always Below 1 Ω
      G213-12 (STA) - C159-5 (L) Always Below 1 Ω
      G213-10 (STAR) or C159-4 (B) - Body ground Always 10 kΩ or higher
      G213-12 (STA) or C159-5 (L) - Body ground Always 10 kΩ or higher
      Result
      Proceed to
      OK
      NG

    NG
    OK
  29. INSPECT STARTER RELAY ASSEMBLY (ST RELAY)


    1. Inspect the starter relay assembly (ST relay).


      Result
      Proceed to
      OK
      NG

    OK
    NG
  30. CHECK HARNESS AND CONNECTOR (STOP LIGHT SWITCH ASSEMBLY - POWER SUPPLY AND BODY GROUND)


    1. B001CNFC01
      *a

      Front view of wire harness connector

      (to Stop Light Switch Assembly)

      Disconnect the stop light switch assembly connector.

    2. Measure the voltage according to the value(s) in the table below.

      Standard Voltage
      Tester Connection Condition Specified Condition
      A99-7 (B) - Body ground Always 11 to 14 V
    3. Measure the resistance according to the value(s) in the table below.

      Standard Resistance
      Tester Connection Condition Specified Condition
      A99-2 (GND) - Body ground Always Below 1 Ω
      Result
      Proceed to
      OK
      NG

    NG
    OK
  31. CHECK HARNESS AND CONNECTOR CERTIFICATION ECU (SMART KEY ECU ASSEMBLY) - ECM, TRANSMISSION FLOOR SHIFT ASSEMBLY (SHIFT LOCK CONTROL ECU), BRAKE ACTUATOR ASSEMBLY AND TCM)


    1. Disconnect the G213 certification ECU (smart key ECU assembly) connector.

    2. Disconnect the G56*1, G180*2, G57*3 and G185*4 ECM connector.


      • *1: for 1GR-FE

      • *2: for 2TR-FE

      • *3: for 1KD-FTV

      • *4: for 1GD-FTV

    3. Disconnect the A6*1 or A7*2 brake actuator assembly (skid control ECU) connector.


      • *1: for 2TR-FE

      • *2: except 2TR-FE

    4. Disconnect the G45 transmission floor shift assembly (shift lock control ECU) connector.

    5. Disconnect the G70 TCM connector.

    6. Measure the resistance according to the value(s) in the table below.

      Standard Resistance
      Tester Connection Condition Specified Condition
      G213-2 (STP1) - A99-3 (L) Always Below 1 Ω
      G213-2 (STP1) or A99-3 (L) - Body ground Always 10 kΩ or higher
      Result
      Proceed to
      OK
      NG

    NG
    OK
  32. INSPECT STOP LIGHT SWITCH ASSEMBLY


    1. Inspect the stop light switch assembly.

      Click here

      Result
      Proceed to
      OK
      NG

    OK
    NG