ECD SYSTEM, Diagnostic DTC:P0617

DTC Code DTC Name
P0617 Starter Relay Circuit High

DESCRIPTION

While the engine is being cranked, positive battery voltage is applied to terminal STA of the ECM.

If the ECM detects the starter control (STA) signal while the vehicle is being driven, it determines that there is a malfunction in the STA circuit. The ECM then illuminates the MIL and stores the DTC.

This monitor runs when the vehicle has been driven at 20 km/h (12.5 mph) or more for more than 20 seconds.

P0617
DTC Detection Drive Pattern DTC Detection Condition Trouble Area
Drive the vehicle for 25 seconds or more at a speed of 20 km/h (12.5 mph) or more and an engine speed of 1000 rpm or more

Conditions (a), (b) and (c) are met for 20 seconds (1 trip detection logic):

(a) Vehicle speed is more than 20 km/h (12.5 mph).

(b) Engine speed is more than 1000 rpm.

(c) STA signal is on.


  • Starter relay circuit

  • Ignition switch assembly

  • Clutch pedal switch assembly*1

  • Park/neutral position switch assembly*2

*1: for Manual Transmission

*2: for Automatic Transmission

Related Data List
DTC No. Data List
P0617 Starter Signal

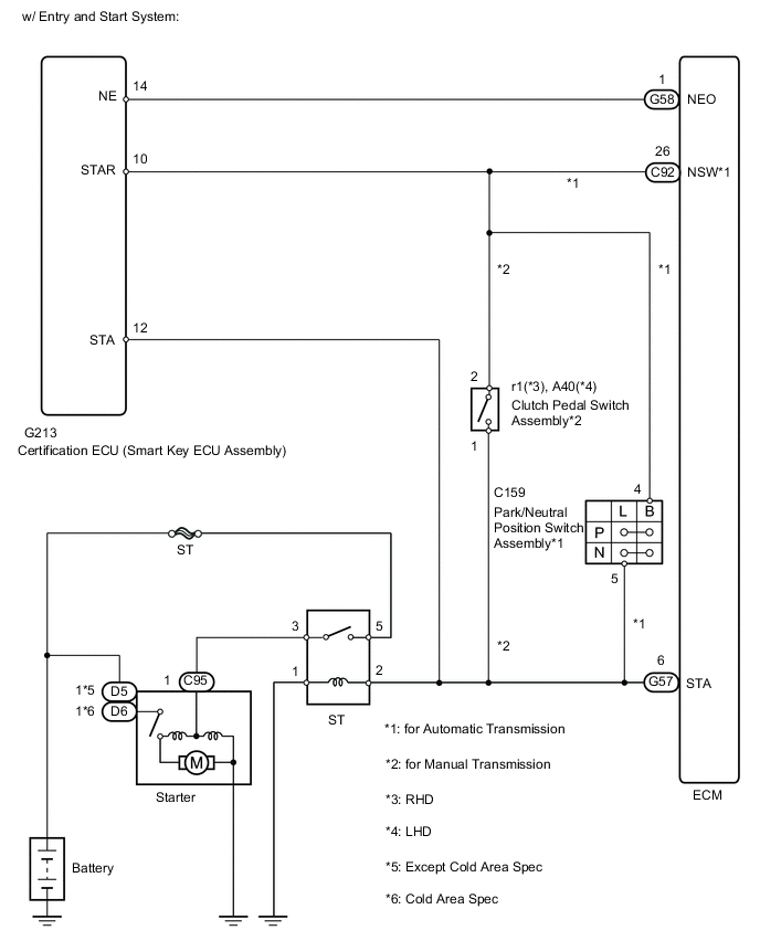
WIRING DIAGRAM

B001GHQE03
B001I6QE08

CAUTION / NOTICE / HINT

Note

After replacing the ECM, the new ECM needs registration (See page ) and initialization Click here.

Tech Tips


  • The following troubleshooting process is based on the premise that the engine can crank normally. If the engine does not crank, proceed to Problem Symptoms Table Click here.

  • If this DTC is output, inspect the starter.

PROCEDURE


  1. CHECK IF VEHICLE IS EQUIPPED WITH ENTRY AND START SYSTEM


    1. Check if the vehicle is equipped with the entry and start system.

      Result
      Result Proceed to
      w/ Entry and Start System A
      w/o Entry and Start System B

    B
    A
  2. READ VALUE USING INTELLIGENT TESTER (STARTER SIGNAL)


    1. Connect the intelligent tester to the DLC3.

    2. Turn the ignition switch to ON and turn the tester on.

    3. Enter the following menus: Powertrain / Engine and ECT / Data List / Starter Signal.

    4. Read the value displayed on the tester when the ignition switch is turned to ON.

      OK
      Switch Condition Starter Signal
      Ignition switch ON OFF
      Result
      Result Proceed to
      NG (for Manual Transmission) A
      NG (for Automatic Transmission) B
      OK C

    B
    C
    A
  3. CHECK HARNESS AND CONNECTOR (CLUTCH PEDAL SWITCH ASSEMBLY - CERTIFICATION ECU)


    1. Disconnect the clutch pedal switch assembly connector.

    2. Disconnect the certification ECU (smart key ECU assembly) connector.

    3. Measure the resistance according to the value(s) in the table below.

      Standard Resistance
      for LHD
      Tester Connection Condition Specified Condition
      A40-2 or G213-10 (STAR) - Body ground Always 10 kΩ or higher
      for RHD
      Tester Connection Condition Specified Condition
      r1-2 or G213-10 (STAR) - Body ground Always 10 kΩ or higher
    4. Reconnect the clutch pedal switch assembly connector.

    5. Reconnect the certification ECU (smart key ECU assembly) connector.


    NG
    OK
  4. CHECK HARNESS AND CONNECTOR (CLUTCH PEDAL SWITCH ASSEMBLY - ST RELAY)


    1. Remove the ST relay from the engine room relay block.

    2. Disconnect the clutch pedal switch assembly connector.

    3. Measure the resistance according to the value(s) in the table below.

      Standard Resistance
      for LHD
      Tester Connection Condition Specified Condition
      ST relay terminal 2 or A40-1 - Body ground Always 10 kΩ or higher
      for RHD
      Tester Connection Condition Specified Condition
      ST relay terminal 2 or r1-1 - Body ground Always 10 kΩ or higher
    4. Reinstall the ST relay.

    5. Reconnect the clutch pedal switch assembly connector.


    NG
    OK
  5. CHECK HARNESS AND CONNECTOR (CLUTCH PEDAL SWITCH ASSEMBLY - ECM)


    1. Disconnect the ECM connector.

    2. Disconnect the clutch pedal switch assembly connector.

    3. Measure the resistance according to the value(s) in the table below.

      Standard Resistance
      for LHD
      Tester Connection Condition Specified Condition
      G57-6 (STA) or A40-1 - Body ground Always 10 kΩ or higher
      for RHD
      Tester Connection Condition Specified Condition
      G57-6 (STA) or r1-1 - Body ground Always 10 kΩ or higher
    4. Reconnect the ECM connector.

    5. Reconnect the clutch pedal switch assembly connector.


    NG
    OK
  6. INSPECT CLUTCH PEDAL SWITCH ASSEMBLY


    1. Inspect the clutch pedal switch assembly Click here.


    OK
    NG
  7. CHECK HARNESS AND CONNECTOR (PARK/NEUTRAL POSITION SWITCH - CERTIFICATION ECU)


    1. Disconnect the park/neutral position switch connector.

    2. Disconnect the certification ECU (smart key ECU assembly) connector.

    3. Measure the resistance according to the value(s) in the table below.

      Standard Resistance
      Tester Connection Condition Specified Condition
      C159-4 (B) or G213-10 (STAR) - Body ground Always 10 kΩ or higher
    4. Reconnect the park/neutral position switch connector.

    5. Reconnect the certification ECU (smart key ECU assembly) connector.


    NG
    OK
  8. CHECK HARNESS AND CONNECTOR (PARK/NEUTRAL POSITION SWITCH - ST RELAY)


    1. Remove the ST relay from the engine room relay block.

    2. Disconnect the park/neutral position switch connector.

    3. Measure the resistance according to the value(s) in the table below.

      Standard Resistance
      Tester Connection Condition Specified Condition
      ST relay terminal 2 or C159-5 (L) - Body ground Always 10 kΩ or higher
    4. Reinstall the ST relay.

    5. Reconnect the park/neutral position switch connector.


    NG
    OK
  9. CHECK HARNESS AND CONNECTOR (PARK/NEUTRAL POSITION SWITCH - ECM)


    1. Disconnect the ECM connector.

    2. Disconnect the park/neutral position switch connector.

    3. Measure the resistance according to the value(s) in the table below.

      Standard Resistance
      Tester Connection Condition Specified Condition
      C159-5 (L) or G57-6 (STA) - Body ground Always 10 kΩ or higher
    4. Reconnect the ECM connector.

    5. Reconnect the park/neutral position switch connector.


    NG
    OK
  10. INSPECT PARK/NEUTRAL POSITION SWITCH ASSEMBLY


    1. Inspect the park/neutral position switch assembly Click here.


    OK
    NG
  11. READ VALUE USING INTELLIGENT TESTER (STARTER SIGNAL)


    1. Connect the intelligent tester to the DLC3.

    2. Turn the ignition switch to ON and turn the tester on.

    3. Enter the following menus: Powertrain / Engine and ECT / Data List / Starter Signal.

    4. Read the value displayed on the tester when the ignition switch is turned to ON.

      OK
      Switch Condition Starter Signal
      Ignition switch ON OFF

    OK
    NG
  12. INSPECT IGNITION SWITCH


    1. Inspect the ignition switch assembly Click here.

      Result
      Result Proceed to
      OK (for Manual Transmission) A
      OK (for Automatic Transmission) B
      NG C

    B
    C
    A
  13. CHECK HARNESS AND CONNECTOR (CLUTCH PEDAL SWITCH ASSEMBLY - IGNITION SWITCH)


    1. Disconnect the clutch pedal switch assembly connector.

    2. Disconnect the ignition switch assembly connector.

    3. Measure the resistance according to the value(s) in the table below.

      Standard Resistance
      for LHD
      Tester Connection Condition Specified Condition
      A40-2 or G2-1 (ST1) - Body ground Always 10 kΩ or higher
      for RHD
      Tester Connection Condition Specified Condition
      r1-2 or G2-1 (ST1) - Body ground Always 10 kΩ or higher
    4. Reconnect the clutch pedal switch assembly connector.

    5. Reconnect the ignition switch assembly connector.


    NG
    OK
  14. CHECK HARNESS AND CONNECTOR (CLUTCH PEDAL SWITCH ASSEMBLY - ST RELAY)


    1. Remove the ST relay from the engine room relay block.

    2. Disconnect the clutch pedal switch assembly connector.

    3. Measure the resistance according to the value(s) in the table below.

      Standard Resistance
      for LHD
      Tester Connection Condition Specified Condition
      ST relay terminal 2 or A40-1 - Body ground Always 10 kΩ or higher
      for RHD
      Tester Connection Condition Specified Condition
      ST relay terminal 2 or r1-1 - Body ground Always 10 kΩ or higher
    4. Reinstall the ST relay.

    5. Reconnect the clutch pedal switch assembly connector.


    NG
    OK
  15. CHECK HARNESS AND CONNECTOR (CLUTCH PEDAL SWITCH ASSEMBLY - ECM)


    1. Disconnect the ECM connector.

    2. Disconnect the clutch pedal switch assembly connector.

    3. Measure the resistance according to the value(s) in the table below.

      Standard Resistance
      for LHD
      Tester Connection Condition Specified Condition
      G57-6 (STA) or A40-1 - Body ground Always 10 kΩ or higher
      for RHD
      Tester Connection Condition Specified Condition
      G57-6 (STA) or r1-1 - Body ground Always 10 kΩ or higher
    4. Reconnect the ECM connector.

    5. Reconnect the clutch pedal switch assembly connector.


    NG
    OK
  16. INSPECT CLUTCH PEDAL SWITCH ASSEMBLY


    1. Inspect the clutch pedal switch assembly Click here.


    OK
    NG
  17. CHECK HARNESS AND CONNECTOR (PARK/NEUTRAL POSITION SWITCH - IGNITION SWITCH)


    1. Disconnect the park/neutral position switch connector.

    2. Disconnect the ignition switch assembly connector.

    3. Measure the resistance according to the value(s) in the table below.

      Standard Resistance
      Tester Connection Condition Specified Condition
      C159-4 (B) or G2-1 (ST1) - Body ground Always 10 kΩ or higher
    4. Reconnect the park/neutral position switch connector.

    5. Reconnect the ignition switch assembly connector.


    NG
    OK
  18. CHECK HARNESS AND CONNECTOR (PARK/NEUTRAL POSITION SWITCH - ST RELAY)


    1. Remove the ST relay from the engine room relay block.

    2. Disconnect the park/neutral position switch connector.

    3. Measure the resistance according to the value(s) in the table below.

      Standard Resistance
      Tester Connection Condition Specified Condition
      ST relay terminal 2 or C159-5 (L) - Body ground Always 10 kΩ or higher
    4. Reinstall the ST relay.

    5. Reconnect the park/neutral position switch connector.


    NG
    OK
  19. CHECK HARNESS AND CONNECTOR (PARK/NEUTRAL POSITION SWITCH - ECM)


    1. Disconnect the ECM connector.

    2. Disconnect the park/neutral position switch connector.

    3. Measure the resistance according to the value(s) in the table below.

      Standard Resistance
      Tester Connection Condition Specified Condition
      C159-5 (L) or G57-6 (STA) - Body ground Always 10 kΩ or higher
    4. Reconnect the ECM connector.

    5. Reconnect the park/neutral position switch connector.


    NG
    OK
  20. INSPECT PARK/NEUTRAL POSITION SWITCH ASSEMBLY


    1. Inspect the park/neutral position switch assembly Click here.


    NG
    OK
  21. REPLACE ECM


    1. Replace the ECM Click here.


    NEXT
  22. REPLACE CLUTCH PEDAL SWITCH ASSEMBLY


    1. Replace the clutch pedal switch assembly Click here.


    NEXT
  23. REPLACE PARK/NEUTRAL POSITION SWITCH ASSEMBLY


    1. Replace the park/neutral position switch assembly Click here.


    NEXT
  24. REPLACE IGNITION SWITCH


    1. Replace the ignition switch assembly Click here.


    NEXT
  25. REPAIR OR REPLACE HARNESS OR CONNECTOR


    1. Repair or replace the harness or connector.


    NEXT
  26. CONFIRM WHETHER DTC OUTPUT RECURS


    1. Connect the intelligent tester to the DLC3.

    2. Clear the DTCs Click here.

    3. Turn the ignition switch off.

    4. Turn the ignition switch to ON.

    5. Drive the vehicle for 25 seconds or more at a speed of 20 km/h (12.5 mph) or more and an engine speed of 1000 rpm or more.

    6. Confirm that the DTC is not output again.


    NEXT