ECD SYSTEM, Diagnostic DTC:P0500

DTC Code DTC Name
P0500 Vehicle Speed Sensor "A"

DESCRIPTION

Vehicles which are equipped with a manual transaxle detect the vehicle speed using the speed sensor. The speed sensor transmits a 4-pulse signal for every revolution of the rotor shaft, which is rotated by the transaxle output shaft via the driven gear. The 4-pulse signal is converted into a more precise rectangular waveform by the waveform shaping circuit inside the combination meter. The signal is then transmitted to the ECM. The ECM determines the vehicle speed based on the frequency of the pulse signal.

B001D1CE12
*a 4-Pulse
*b from Wheel Speed Sensor
*c Skid Control ECU
*d Combination Meter Assembly
P0500
DTC Detection Drive Pattern DTC Detection Condition Trouble Area
Drive the vehicle at 10 km/h (6.3 mph) or more

Conditions (a), (b) and (c) are met for 8 seconds or more (2 trip detection logic):

(a) Engine coolant temperature is higher than 70°C (158°F).

(b) Injection volume is 19 mm3/st or more.

(c) No speed signal is input to the ECM.


  • Open or short in speedometer circuit

  • Speedometer assembly

  • ECM

Drive the vehicle at 10 km/h (6.3 mph) or more

Conditions (a) and (b) are met for 5 seconds or more (2 trip detection logic):

(a) The fuel-cut operation is being performed.

(b) No speed signal is input to the ECM.

Related Data List
DTC No. Data List
P0500 Vehicle Speed

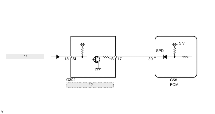
WIRING DIAGRAM

B001DLGE49
*1 from Skid Control ECU
*2 Combination Meter Assembly

CAUTION / NOTICE / HINT

Note

After replacing the ECM, the new ECM needs registration (See page ) and initialization Click here.

Tech Tips

Read freeze frame data using the intelligent tester. Freeze frame data records the engine condition when malfunctions are detected. When troubleshooting, freeze frame data can help determine if the vehicle was moving or stationary, if the engine was warmed up or not, and other data from the time the malfunction occurred.

PROCEDURE


  1. CHECK OPERATION OF SPEEDOMETER


    1. Drive the vehicle and check whether the operation of the speedometer in the combination meter assembly is normal.

      Tech Tips

      The vehicle speed sensor is operating normally if the speedometer reading is normal.

      OK
      The vehicle speed sensor is operating normally.

    NG
    OK
  2. READ VALUE USING INTELLIGENT TESTER (VEHICLE SPEED)


    1. Connect the intelligent tester to the DLC3.

    2. Turn the ignition switch to ON and start the engine.

    3. Turn the tester on.

    4. Enter the following menus: Powertrain / Engine and ECT / Data List / All Data / Vehicle Speed.

    5. Drive the vehicle.

    6. Read the value displayed on the tester.

      OK
      Vehicle speed displayed on tester and speedometer display are equal.

    OK
    NG
  3. CHECK HARNESS AND CONNECTOR

    B001HJEE02
    Text in Illustration
    *a

    Front view of wire harness connector

    (to combination meter assembly)


    1. Disconnect the combination meter assembly connector.

    2. Measure the voltage according to the value(s) in the table below.

      Standard Voltage
      Tester Connection Switch Condition Specified Condition
      G304-32 (+S) - Body ground Ignition switch ON 4.5 to 5.5 V
    3. Reconnect the combination meter assembly connector.


    NG
    OK
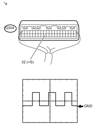
  4. CHECK COMBINATION METER ASSEMBLY (SPD SIGNAL WAVEFORM)

    B001D55E03
    Text in Illustration
    *a

    Component with harness connected

    (combination meter assembly)


    1. Move the shift lever to neutral.

    2. Jack up the vehicle.

    3. Check the voltage between the terminal of the combination meter assembly and the body ground while a wheel is turned slowly.

      Standard Voltage
      Tester Connection Switch Condition Specified Condition
      G304-32 (+S) - Body ground Ignition switch ON Voltage generated intermittently

      Tech Tips

      The output voltage should fluctuate up and down, similarly to the diagram, when the wheel is turned slowly.

      Result
      Result Proceed to
      OK A
      NG B

    A
    B
  5. CHECK HARNESS AND CONNECTOR (COMBINATION METER ASSEMBLY - ECM)


    1. Disconnect the combination meter assembly connector.

    2. Disconnect the ECM connector.

    3. Measure the resistance according the value(s) in the table below.

      Standard Resistance (Check for Open)
      Tester Connection Condition Specified Condition
      G304-32 (+S) - G58-30 (SPD) Always Below 1 Ω
      Standard Resistance (Check for Short)
      Tester Connection Condition Specified Condition
      G304-32 (+S) or G58-30 (SPD) - Body ground Always 10 kΩ or higher
    4. Reconnect the combination meter assembly connector.

    5. Reconnect the ECM connector.


    NG
    OK
  6. REPLACE ECM


    1. Replace the ECM Click here.


    NEXT
  7. CHECK SPEEDOMETER CIRCUIT


    1. Check the speedometer circuit Click here.

      Tech Tips

      Inspect the brake actuator assembly and speed sensor.


    NEXT
  8. REPLACE COMBINATION METER ASSEMBLY


    1. Replace the combination meter assembly Click here.


    NEXT
  9. REPAIR OR REPLACE HARNESS OR CONNECTOR


    1. Repair or replace the harness or connector.


    NEXT
  10. CONFIRM WHETHER MALFUNCTION HAS BEEN SUCCESSFULLY REPAIRED


    1. Connect the intelligent tester to the DLC3.

    2. Clear the DTCs Click here.

    3. Turn the ignition switch off.

    4. Start the engine.

    5. Drive the vehicle at 10 km/h (6.3 mph) or more.

    6. Enter the following menus: Powertrain / Engine and ECT / DTC.

    7. Confirm that the pending DTC is not output again.


    NEXT