ECD SYSTEM, Diagnostic DTC:P0102, P0103

DTC Code DTC Name
P0102 Mass or Volume Air Flow Circuit Low Input
P0103 Mass or Volume Air Flow Circuit High Input

DESCRIPTION

The intake mass air flow meter assembly consists of a platinum hot wire, temperature sensor and control circuit installed in a plastic housing. The temperature sensor (located in the intake air by-pass of the housing) detects the intake air temperature.

There is little variation in the output from the intake mass air flow meter assembly, as it is hardly affected by the resistance of the wire harness.

The internal circuit of the intake mass air flow meter assembly contains a hot wire and cold wire. A voltage is output through a bridge circuit (refer to the illustration) indicating the cooling of the hot wire according to the intake air amount. This voltage is then converted into a periodic signal by the periodic signal conversion circuit and output to the ECM. The frequency varies between approximately 1945 and 8500 Hz depending on the air flow rate. The ECM calculates the mass air flow rate based on this frequency.

B001DJOE08
P0102
DTC Detection Drive Pattern DTC Detection Condition Trouble Area
3 seconds after engine is started Mass air flow meter signal frequency is less than 85 Hz with the engine speed at 5000 rpm or less for 3 seconds (1 trip detection logic).
  • Open or short in mass air flow meter circuit

  • Mass air flow meter

  • ECM

P0103
DTC Detection Drive Pattern DTC Detection Condition Trouble Area
3 seconds after engine is started Mass air flow meter signal frequency is more than 9800 Hz with the engine speed at 5000 rpm or less for 3 seconds (1 trip detection logic).
  • Open or short in Mass air flow meter circuit

  • Mass air flow meter

  • ECM

Related Data List
DTC No. Data List
P0102 MAF
P0103

Tech Tips


  • If DTC P0102 is stored, the following symptoms may appear (as the ECM mistakenly determines that there is less air than the actual intake air amount, EGR is decreased according to the target EGR):


    • Combustion noise worsens

  • If DTC P0103 is stored, the following symptoms may appear (as the ECM mistakenly determines that there is more air than the actual intake air amount, EGR is increased according to the target EGR):


    • Misfire

    • White smoke

    • Black smoke

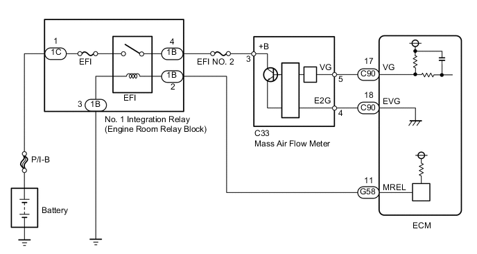
WIRING DIAGRAM

B001F44E03

CAUTION / NOTICE / HINT

Note


  • Inspect the fuses of circuits related to this system before performing the following inspection procedure.

  • After replacing the ECM, the new ECM needs registration (See page ) and initialization Click here.

Tech Tips

Read freeze frame data using the intelligent tester. Freeze frame data records the engine condition when malfunctions are detected. When troubleshooting, freeze frame data can help determine if the vehicle was moving or stationary, if the engine was warmed up or not, and other data from the time the malfunction occurred.

PROCEDURE


  1. INSPECT MASS AIR FLOW METER (POWER SOURCE CIRCUIT)

    B001CF5E02
    Text in Illustration
    *a

    Front view of wire harness connector

    (to mass air flow meter)


    1. Disconnect the mass air flow meter connector.

    2. Measure the voltage according to the value(s) in the table below.

      Standard Voltage
      Tester Connection Switch Condition Specified Condition
      C33-3 (+B) - Body ground Ignition switch ON 11 to 14 V
    3. Reconnect the mass air flow meter connector.


    NG
    OK
  2. CHECK HARNESS AND CONNECTOR (MASS AIR FLOW METER - ECM)


    1. Disconnect the mass air flow meter connector.

    2. Disconnect the ECM connector.

    3. Measure the resistance according to the value(s) in the table below.

      Standard Resistance (Check for Open)
      Tester Connection Condition Specified Condition
      C33-5 (VG) - C90-17 (VG) Always Below 1 Ω
      C33-4 (E2G) - C90-18 (EVG) Always Below 1 Ω
      Standard Resistance (Check for Short)
      Tester Connection Condition Specified Condition
      C33-5 (VG) or C90-17 (VG) - Body ground Always 10 kΩ or higher
    4. Reconnect the mass air flow meter connector.

    5. Reconnect the ECM connector.


    OK
    NG
  3. CHECK HARNESS AND CONNECTOR (MASS AIR FLOW METER - ENGINE ROOM RELAY BLOCK)


    1. Disconnect the mass air flow meter connector.

    2. Remove the No. 1 integration relay from the engine room relay block.

    3. Measure the resistance according to the value(s) in the table below.

      Standard Resistance (Check for Open)
      Tester Connection Condition Specified Condition
      C33-3 (+B) - 1B-4 Always Below 1 Ω
      Standard Resistance (Check for Short)
      Tester Connection Condition Specified Condition
      C33-3 (+B) or 1B-4 - Body ground Always 10 kΩ or higher
    4. Reconnect the mass air flow meter connector.

    5. Reinstall the No. 1 integration relay.


    OK
    NG
  4. REPAIR OR REPLACE HARNESS OR CONNECTOR


    1. Repair or replace the harness or connector.


    NEXT
  5. CHECK ECM POWER SOURCE CIRCUIT


    1. Check the ECM power source circuit Click here.


    NEXT
  6. REPLACE MASS AIR FLOW METER


    1. Replace the mass air flow meter Click here.


    NEXT
  7. CHECK WHETHER DTC OUTPUT RECURS


    1. Connect the intelligent tester to the DLC3.

    2. Clear the DTCs Click here.

    3. Start the engine and wait for 3 seconds or more.

    4. Enter the following menus: Powertrain / Engine and ECT / DTC.

    5. Read the DTCs.

      Result
      Result Proceed to
      P0102 or P0103 A
      No output B

    B
    A
  8. REPLACE ECM


    1. Replace the ECM Click here.


    NEXT
  9. CONFIRM WHETHER MALFUNCTION HAS BEEN SUCCESSFULLY REPAIRED


    1. Connect the intelligent tester to the DLC3.

    2. Clear the DTCs Click here.

    3. Start the engine and wait for 3 seconds or more.

    4. Enter the following menus: Powertrain / Engine and ECT / DTC.

    5. Confirm that the DTC is not output again.


    NEXT