ECD SYSTEM, Diagnostic DTC:U0101

DTC Code DTC Name
U0101 Lost Communication with TCM

DESCRIPTION

The ECM (engine control unit) communicates with the TCM (transmission control ECU) through the Controller Area Network (CAN).

If there is a problem with this communication, the ECM stores a DTC.

DTC Detection Drive Pattern DTC Detection Condition Trouble Area
Ignition switch ON for 3 seconds

Both conditions are met for 1.25 seconds (1 trip detection logic):


  • The battery voltage is 10.5 V or higher.

  • No communication between the ECM and TCM.


  • ECM

  • TCM

  • ECM to TCM circuit

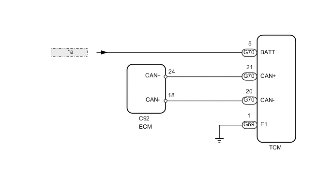
WIRING DIAGRAM

B001CCSE08
*a from EFI Fuse

PROCEDURE


  1. CHECK FOR ANY OTHER DTCS OUTPUT (IN ADDITION TO DTC U0101)


    1. Connect the intelligent tester to the DLC3.

    2. Turn the ignition switch to ON and turn the tester on.

    3. Enter the following menus: Powertrain / Engine and ECT / DTC.

    4. Read the DTCs.

      Result
      Result Proceed to
      DTC U0101 is output A
      DTC U0101 and other DTCs are output B

      Tech Tips

      If any DTCs other than U0101 are output, troubleshoot those DTCs first.


    B
    A
  2. INSPECT TCM POWER SOURCE CIRCUIT (POWER SOURCE AND BODY GROUND)


    1. B001DAXE02
      Text in Illustration
      *a

      Rear view of wire harness connector

      (to TCM)

      Disconnect the TCM connector.

    2. Measure the voltage according to the value(s) in the table below.

      Standard Voltage
      Tester Connection Switch Condition Specified Condition
      G70-5 (BATT) - G69-1 (E1) Ignition switch ON 11 to 14 V
    3. Reconnect the TCM connector.


    NG
    OK
  3. CHECK HARNESS AND CONNECTOR (ECM - TCM)


    1. Disconnect the TCM connector.

    2. Disconnect the ECM connector.

    3. Measure the resistance according to the value(s) in the table below.

      Standard Resistance
      Tester Connection Condition Specified Condition
      C92-24 (CAN+) - G70-21 (CAN+) Always Below 1 Ω
      C92-18 (CAN-) - G70-20 (CAN-) Always Below 1 Ω
      C92-24 (CAN+) or G70-21 (CAN+) - Body ground or other terminals Always 1 MΩ or higher
      C92-18 (CAN-) or G70-20 (CAN-) - Body ground or other terminals Always 1 MΩ or higher
    4. Reconnect the TCM connector.

    5. Reconnect the ECM connector.


    NG
    OK
  4. REPLACE ECM


    1. Replace the ECM Click here.


    NEXT
  5. CHECK WHETHER DTC OUTPUT RECURS (DTC U0101)


    1. Connect the intelligent tester to the DLC3.

    2. Turn the ignition switch to ON and turn the tester on.

    3. Enter the following menus: Powertrain / Engine and ECT / DTC.

    4. Read the DTCs.

      Result
      Result Proceed to
      DTC is not output A
      DTC U0101 is output B

    A
    B