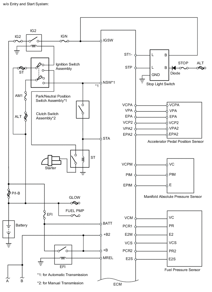
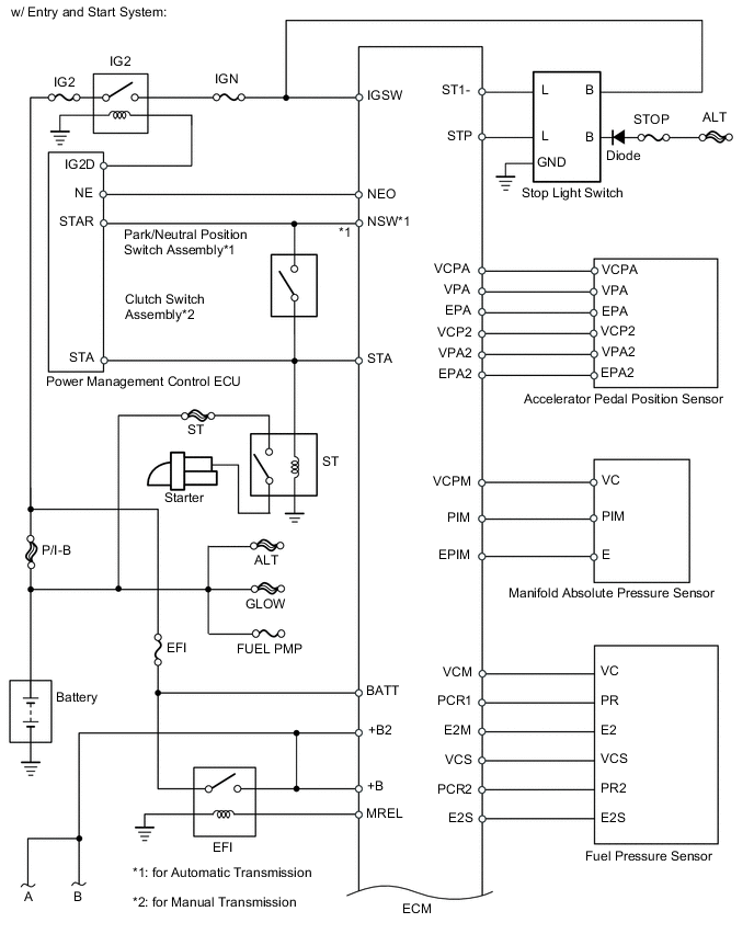
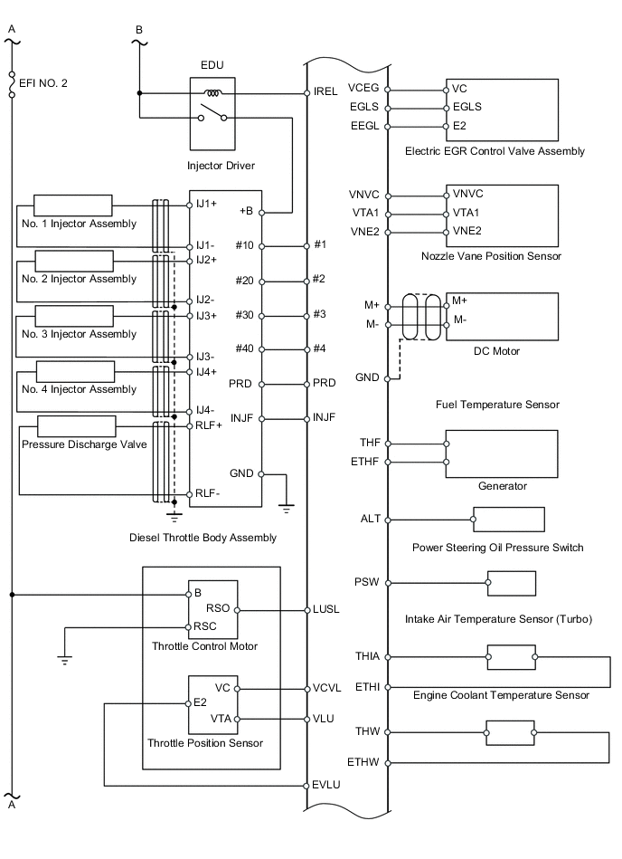
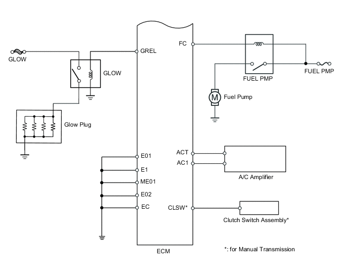
ECD SYSTEM SYSTEM DIAGRAM

A01XCG7E02
A01XGLPE02
B001DGCE03
A01XKH7E02
A01XIAME03