FUEL SYSTEM SYSTEM DIAGRAM


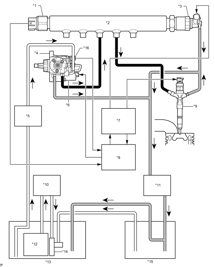
  1. FUEL FLOW DIAGRAM

    B001FVYE02
    Text in Illustration (for Single Tank Type)
    *1 Fuel Pressure Sensor *2 Common Rail
    *3 Pressure Discharge Valve *4 Fuel Supply Pump
    *5 Suction Control Valve *6 Injector Driver
    *7 ECM *8 Fuel Injector
    *9 Fuel Cooler *10 Fuel Filter
    *11 Fuel Tank *12 Fuel Temperature Sensor
    B001E1P High Pressure Fuel B001FGK Return Fuel
    B001IGR Suction Fuel - -
    B001CI4E02
    Text in Illustration (for Double Tank Type)
    *1 Fuel Pressure Sensor *2 Common Rail
    *3 Pressure Discharge Valve *4 Fuel Supply Pump
    *5 Fuel Filter (for Engine Room Side) *6 Suction Control Valve
    *7 Injector Driver *8 ECM
    *9 Fuel Injector *10 Fuel Filter (for Fuel Tank Side)
    *11 Fuel Cooler *12 Fuel Pump
    *13 Fuel Main Tank *14 Jet Pump
    *15 Fuel Sub Tank *16 Fuel Temperature Sensor
    B001E1P High Pressure Fuel B001FGK Return Fuel
    B001IGR Suction Fuel - -
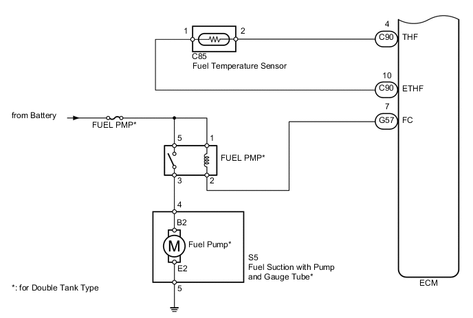
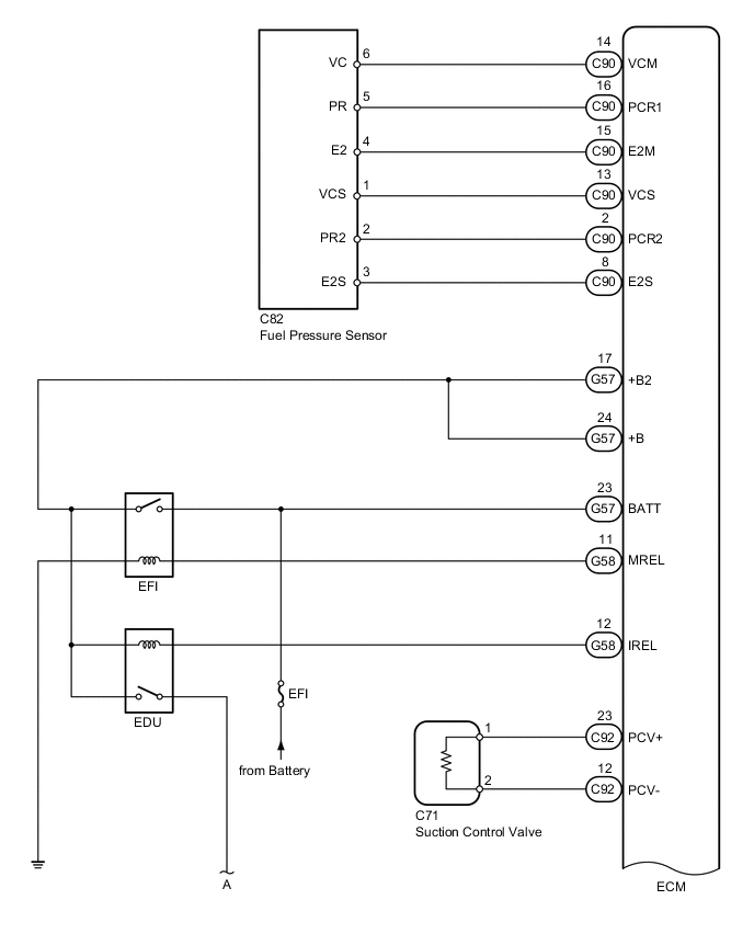
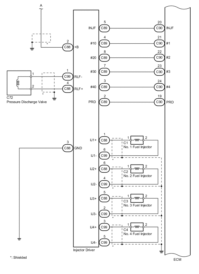
  2. FUEL SYSTEM WIRING DIAGRAM


    1. By storing fuel at high pressure, the common rail system provides high pressure fuel injection.

      B001DMZE01
      B001CTVE01
      B001D7FE01