РЕЛЕ ПРОВЕРКА БЕЗ СНЯТИЯ С АВТОМОБИЛЯ

ПОРЯДОК ВЫПОЛНЕНИЯ


  1. ПРОВЕРЬТЕ РЕЛЕ ФАР (HEAD HI, HEAD LO)


    1. A01XARE

      Извлеките реле фар из блока реле моторного отсека.

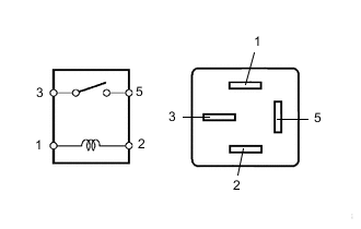
    2. A01X246E01

      Измерьте сопротивление в соответствии со значениями, приведенными в таблице ниже.

      Номинальное сопротивление
      Контакты для подключения диагностического прибора Условие Заданные условия
      3 - 5 Напряжение аккумуляторной батареи не подается на контакты 1 и 2 10 кОм или более
      Напряжение аккумуляторной батареи подается на контакты 1 и 2 Менее 1 Ом

      Если результат проверки не отвечает требованиям, замените реле.

    3. Установите реле фар в блок реле моторного отсека.

  2. ПРОВЕРЬТЕ РЕЛЕ ПРОТИВОТУМАННЫХ ФАР (FR FOG)


    1. A01XBUI

      Извлеките реле противотуманных фар из блока реле моторного отсека.

    2. A01X7GPE01

      Измерьте сопротивление в соответствии со значениями, приведенными в таблице ниже.

      Номинальное сопротивление
      Подключение диагностического прибора Условие Заданные условия
      3 - 5 Напряжение аккумуляторной батареи не подается на контакты 1 и 2 10 кОм или более
      Напряжение аккумуляторной батареи подается на контакты 1 и 2 Менее 1 Ом

      Если результат проверки не отвечает требованиям, замените реле.

    3. Установите реле противотуманных фар в блок реле моторного отсека.

  3. ПРОВЕРЬТЕ РЕЛЕ УПРАВЛЕНИЯ СТОП-СИГНАЛАМИ В СБОРЕ


    1. Для моделей с подкузовной панелью пола:

      Снимите нижнюю крышку № 1 (см. стр. Click here).

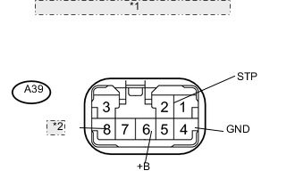
    2. A01X4GAE01
      *1 Устройство с подсоединенным жгутом проводов: (реле управления стоп-сигналами)
      *2 OUT

      Измерьте напряжение в соответствии со значениями, приведенными в таблице.

      Номинальное напряжение
      Подключение диагностического прибора Положение переключателя Заданные условия
      A39-6 (+B) - A39-4 (GND) Всегда 11-14 В
      A39-2 (STP) - масса выключатель стоп-сигналов в положении ON (ВКЛ) 11-14 В
      выключатель стоп-сигналов в положении OFF (ВЫКЛ) Менее 1 В
      A39-8 (OUT) - масса выключатель стоп-сигналов в положении ON (ВКЛ) 11-14 В
      выключатель стоп-сигналов в положении OFF (ВЫКЛ) Менее 1 В

      Если результат проверки не отвечает требованиям, замените реле управления стоп-сигналами.

    3. Для моделей с подкузовной панелью пола:

      Установите нижнюю крышку № 1 (см. стр. Click here).