СИСТЕМА ИЗМЕРИТЕЛЬНЫХ ПРИБОРОВ И ИНДИКАТОРОВ Не работает весь щиток приборов

ОПИСАНИЕ

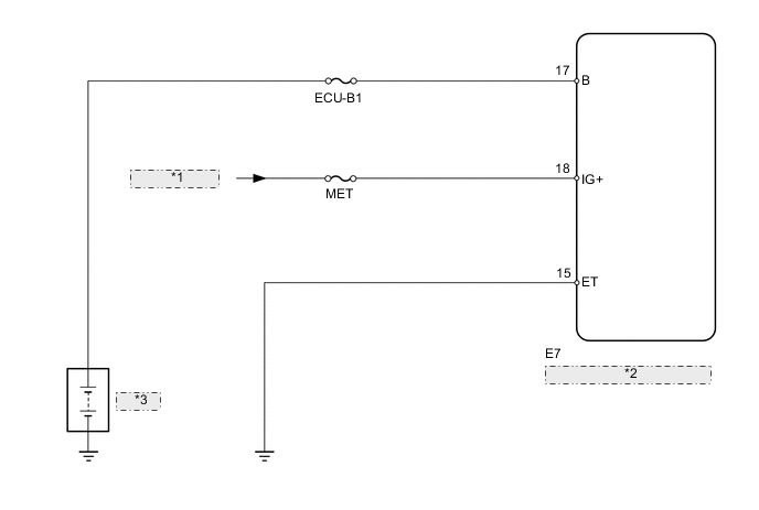
Эта цепь представляет собой цепь питания щитка приборов. Данная цепь обеспечивает питание 2 типов: один является источником питания постоянной мощности и, в основном, используется в качестве резервного источника питания, а другой является источником питания, в основном используемым для передачи сигналов. Питание постоянной мощности, главным образом, используется в качестве резервного питания главного процессора щитка приборов. Однако его можно применять и для обеспечения обмена данными. Если при установке замка зажигания в положение ON (ВКЛ.) напряжение 12 В не поступит на контакт IG+, индикатор работать не будет.

СХЕМА ЭЛЕКТРИЧЕСКИХ СОЕДИНЕНИЙ

A01X3O3E01
*1 От реле IG2
*2 Щиток приборов в сборе
*3 Аккумуляторная батарея

ПОРЯДОК ВЫПОЛНЕНИЯ


  1. ПРОВЕРЬТЕ ПРЕДОХРАНИТЕЛЬ (МЕТ, ECU-B1)


    1. Извлеките предохранители MET и ECU-B1 из блока реле моторного отсека.

    2. Измерьте сопротивление в соответствии со значениями, приведенными в таблице ниже.

      Номинальное сопротивление
      Подключение диагностического прибора Условие Заданные условия
      Предохранитель MET Всегда Менее 1 Ом
      Предохранитель ECU-B1

    NG
    OK
  2. ПРОВЕРЬТЕ ЖГУТ ПРОВОДОВ И РАЗЪЕМ (ЩИТОК ПРИБОРОВ В СБОРЕ - АККУМУЛЯТОРНАЯ БАТАРЕЯ И МАССА КУЗОВА)

    A01X00FE01
    *1 Вид сзади разъема со стороны жгута проводов: (к щитку приборов в сборе)

    1. Отсоедините разъем Е7 щитка приборов.

    2. Измерьте сопротивление и напряжение в соответствии со значениями, приведенными в таблице.

      Номинальное сопротивление
      Подключение диагностического прибора Условие Заданные условия
      E7-15 (ET) - масса Всегда Менее 1 Ом
      Номинальное напряжение
      Подключение диагностического прибора Положение переключателя Заданные условия
      E7-17 (B) - масса Всегда 11-14 В
      E7-18 (IG+) - масса Зажигание включено
      Результат
      Результат Перейти к
      NG А
      OK (для моделей с мультиинформационным дисплеем) B
      OK (для моделей без мультиинформационного дисплея) C

    А
    B
    C