| Код DTC | Наименование DTC |
|---|---|
| B1500 | Обнаружен обрыв цепи датчика уровня топлива |
ОПИСАНИЕ
Этот код DTC выдается по шине CAN, когда щиток приборов обнаруживает неисправность датчика уровня топлива.
| Код DTC | Условие обнаружения DTC | Неисправный участок |
|---|---|---|
| B1500 | Когда щиток приборов обнаруживает неисправность датчика уровня топлива. |
|
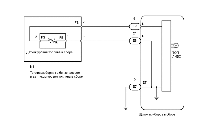
СХЕМА ЭЛЕКТРИЧЕСКИХ СОЕДИНЕНИЙ
ПОРЯДОК ВЫПОЛНЕНИЯ
СНИМИТЕ ПОКАЗАНИЯ ПОРТАТИВНОГО ДИАГНОСТИЧЕСКОГО ПРИБОРА (УКАЗАТЕЛЬ УРОВНЯ ТОПЛИВА)
Действуя в соответствии с указаниями на дисплее портативного диагностического прибора, выберите режим Data List (см. стр. Click here).
| Информация на дисплее прибора | Измеряемая величина / диапазон измерения | Нормальное состояние | Замечание по диагностике |
|---|---|---|---|
| Fuel Input | Входной сигнал датчика уровня топлива в сборе (главного) / мин.: 0, макс.: 127,5 | Уровень входного сигнала датчика топлива | Единицы: L |
| OK |
|---|
| Значение уровня топлива, отображаемое на портативном диагностическом приборе, почти совпадает с показаниями стрелки индикатора. |
| Результат | Перейти к |
|---|---|
| NG | А |
| OK (для моделей с мультиинформационным дисплеем) | B |
| OK (для моделей без мультиинформационного дисплея) | C |
| B |
|
ЗАМЕНИТЕ ЩИТОК ПРИБОРОВ В СБОРЕ (см. стр. Click here) |
| C |
|
ЗАМЕНИТЕ ЩИТОК ПРИБОРОВ В СБОРЕ (см. стр. Click here) |
| А |
|
ПРОВЕРЬТЕ ЖГУТ ПРОВОДОВ И РАЗЪЕМ (ЩИТОК ПРИБОРОВ – БЕНЗОНАСОС С ДАТЧИКОМ И МАССА)
| *1 | Вид сзади разъема со стороны жгута проводов: (к щитку приборов в сборе) |
| *2 | Вид спереди разъема со стороны жгута проводов: (к датчику уровня топлива в сборе) |
Отсоедините разъемы E7 и E8 щитка приборов в сборе.
Отсоедините разъем N1 топливозаборника с бензонасосом и датчиком уровня топлива в сборе.
Измерьте сопротивление в соответствии со значениями, приведенными в таблице ниже.
| Номинальное сопротивление | |||||||||||||||
|---|---|---|---|---|---|---|---|---|---|---|---|---|---|---|---|
|
| NG |
|
ОТРЕМОНТИРУЙТЕ ИЛИ ЗАМЕНИТЕ ЖГУТ ПРОВОДОВ ИЛИ РАЗЪЕМ |
| OK |
|
ПРОВЕРЬТЕ ТОПЛИВОЗАБОРНИК С БЕНЗОНАСОСОМ И ДАТЧИКОМ УРОВНЯ ТОПЛИВА В СБОРЕ
| *1 | Устройство с неподсоединенным жгутом проводов (топливозаборник с бензонасосом и датчиком уровня топлива в сборе) |
| *2 | Разъем A |
| *3 | Разъем B |
Снимите датчик уровня топлива в сборе.
Tech Tips
для моделей с двигателем 1GR-FE (см. стр. Click here)
Для моделей с 1UR-FE (см. стр. Click here)
Для моделей с 3UR-FE (см. стр. Click here)
для моделей с двигателем 1VD-FTV (См. стр. Click here)
Измерьте сопротивление в соответствии со значениями, приведенными в таблице ниже.
| Номинальное сопротивление | |||||||||
|---|---|---|---|---|---|---|---|---|---|
|
| Результат | Перейти к |
|---|---|
| OK | А |
| NG (для моделей с 1GR-FE) | B |
| NG (для моделей с 1UR-FE) | C |
| NG (для моделей с 3UR-FE) | D |
| NG (для моделей с 1VD-FTV) | E |
| B |
|
ЗАМЕНИТЕ ТОПЛИВОЗАБОРНИК С БЕНЗОНАСОСОМ И ДАТЧИКОМ УРОВНЯ ТОПЛИВА В СБОРЕ (см. стр. Click here) |
| C |
|
ЗАМЕНИТЕ ТОПЛИВОЗАБОРНИК С БЕНЗОНАСОСОМ И ДАТЧИКОМ УРОВНЯ ТОПЛИВА В СБОРЕ (см. стр. Click here) |
| D |
|
ЗАМЕНИТЕ ТОПЛИВОЗАБОРНИК С БЕНЗОНАСОСОМ И ДАТЧИКОМ УРОВНЯ ТОПЛИВА В СБОРЕ (см. стр. Click here) |
| E |
|
ЗАМЕНИТЕ ТОПЛИВОЗАБОРНИК С БЕНЗОНАСОСОМ И ДАТЧИКОМ УРОВНЯ ТОПЛИВА В СБОРЕ (см. стр. Click here) |
| А |
|
ПРОВЕРЬТЕ ДАТЧИК УРОВНЯ ТОПЛИВА В СБОРЕ
| *1 | Устройство с неподсоединенным жгутом проводов (датчик уровня топлива в сборе) |
Снимите датчик уровня топлива в сборе.
Tech Tips
Для моделей с 1GR-FE (см. стр. Click here)
Для моделей с 1UR-FE (см. стр. Click here)
Для моделей с 3UR-FE (см. стр. Click here)
Для моделей с 1VD-FTV (См. стр. Click here)
Измерьте сопротивление в соответствии со значениями, приведенными в таблице ниже.
| Номинальное сопротивление | ||||||||
|---|---|---|---|---|---|---|---|---|
|
| Результат | Перейти К |
|---|---|
| OK | А |
| NG (для моделей с 1GR-FE) | B |
| NG (для моделей с 1UR-FE) | C |
| NG (для моделей с 3UR-FE) | D |
| NG (для моделей с 1VD-FTV) | E |
| B |
|
ЗАМЕНИТЕ ДАТЧИК УРОВНЯ ТОПЛИВА В СБОРЕ (см. стр. Click here) |
| C |
|
ЗАМЕНИТЕ ДАТЧИК УРОВНЯ ТОПЛИВА В СБОРЕ (см. стр. Click here) |
| D |
|
ЗАМЕНИТЕ ДАТЧИК УРОВНЯ ТОПЛИВА В СБОРЕ (см. стр. Click here) |
| E |
|
ЗАМЕНИТЕ ДАТЧИК УРОВНЯ ТОПЛИВА В СБОРЕ (см. стр. Click here) |
| А |
|
ПРОВЕРЬТЕ ТИП ЩИТКА ПРИБОРОВ
Проверьте тип щитка приборов
| Результат | Перейти к |
|---|---|
| Для моделей с мультиинформационным дисплеем: | А |
| Для моделей без мультиинформационного дисплея | B |
| А |
|
ЗАМЕНИТЕ ЩИТОК ПРИБОРОВ В СБОРЕ (см. стр. Click here) |
| B |
|
ЗАМЕНИТЕ ЩИТОК ПРИБОРОВ В СБОРЕ (см. стр. Click here) |