СИСТЕМА ИЗМЕРИТЕЛЬНЫХ ПРИБОРОВ И ИНДИКАТОРОВ Неисправность указателя напряжения

ОПИСАНИЕ

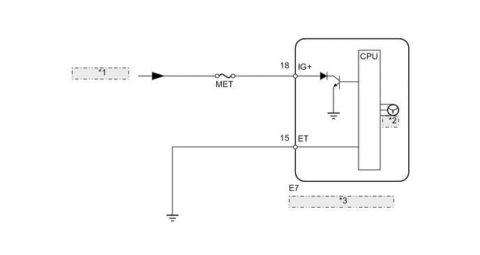
Вольтметр указывает напряжение, поданное на вывод IG+ комбинации приборов.

СХЕМА ЭЛЕКТРИЧЕСКИХ СОЕДИНЕНИЙ

A01X43OE04
*1 От реле IG2
*2 VOLT
*3 Щиток приборов в сборе

ПОРЯДОК ВЫПОЛНЕНИЯ


  1. ПРОВЕРЬТЕ ПРЕДОХРАНИТЕЛЬ (МЕТ)


    1. Извлеките предохранитель МЕТ из блока реле моторного отсека.

    2. Измерьте сопротивление в соответствии со значениями, приведенными в таблице ниже.

      Номинальное сопротивление
      Подключение диагностического прибора Условие Заданные условия
      Предохранитель MET Всегда Менее 1 Ом

    NG
    OK
  2. ВЫПОЛНИТЕ АКТИВНУЮ ДИАГНОСТИКУ С ПОМОЩЬЮ ПОРТАТИВНОГО ДИАГНОСТИЧЕСКОГО ПРИБОРА (ВОЛЬТМЕТР)


    1. Действуя в соответствии с указаниями на дисплее портативного диагностического прибора, выберите режим Active Test (см. стр. Click here).

      Щиток приборов
      Информация на дисплее прибора Испытываемое устройство Диапазон регулирования Замечание по диагностике
      Volt meter Operation Вольтметр 0, 3, 6, 9, 12, 15 или 18 Выполняйте проверку, когда автомобиль остановлен, а двигатель работает на холостом ходу
      OK
      Стрелка индикатора в норме.
      Результат
      Результат Перейти к
      OK А
      NG (для моделей с мультиинформационным дисплеем) B
      NG (для моделей без мультиинформационного дисплея) C

    B
    C
    А
  3. ПРОВЕРЬТЕ ЖГУТ ПРОВОДОВ И РАЗЪЕМ (ЩИТОК ПРИБОРОВ - АККУМУЛЯТОРНАЯ БАТАРЕЯ И МАССА)

    A01X5IGE01
    *1 Вид сзади разъема со стороны жгута проводов: (к щитку приборов в сборе)

    1. Отсоедините разъем Е7 щитка приборов.

    2. Измерьте сопротивление и напряжение в соответствии со значениями, приведенными в таблице.

      Номинальное сопротивление
      Подключение диагностического прибора Условие Заданные условия
      E7-15 (ET) - масса Всегда Менее 1 Ом
      Номинальное напряжение
      Подключение диагностического прибора Положение переключателя Заданные условия
      E7-18 (IG+) Зажигание включено 11-14 В
      Зажигание выключено Менее 1 В
      Результат
      Результат Перейти К
      NG А
      OK (для моделей с мультиинформационным дисплеем) B
      OK (для моделей без мультиинформационного дисплея) C

    А
    B
    C