СИСТЕМА ПОСАДКИ И ЗАПУСКА (для функции запуска), Diagnostic DTC:B2271

Код DTC Наименование DTC
B2271 Сбой контроля фиксации зажигания

ОПИСАНИЕ

Этот DTC сохраняется при обнаружении неисправности в цепи IG или цепи фиксации IG в ЭБУ сертификации (ЭБУ электронного ключа зажигания в сборе).

Tech Tips

При отсоединении провода от отрицательного вывода (-) аккумуляторной батареи и повторного подсоединения его к этому выводу источник питания возвращается к тому же режиму работы, что и до отсоединения провода.

Код DTC Условие обнаружения DTC Неисправный участок Операция подтверждения вывода DTC
B2271

Удовлетворено одно из следующих условий (логика диагностирования за 1 поездку*1):


  • Цепь IG в ЭБУ сертификации (ЭБУ электронного ключа зажигания в сборе) неисправна.*2

  • Цепь фиксации IG в ЭБУ сертификации (ЭБУ электронного ключа зажигания в сборе) неисправна.*3


  • Предохранитель AM2

  • ЭБУ сертификации (ЭБУ электронного ключа зажигания в сборе)

  • Жгут или разъем

IG ON

Состояние автомобиля и аварийный режим при обнаружении неисправности
Состояние автомобиля при обнаружении неисправности Аварийный режим при обнаружении неисправности
Выключатель зажигания не устанавливается в состояние ON (ВКЛ) (IG) (невозможно запустить двигатель). Невозможно переключение источника питания в режим ON (ВКЛ) (IG).

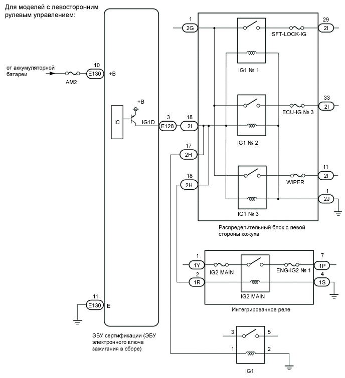
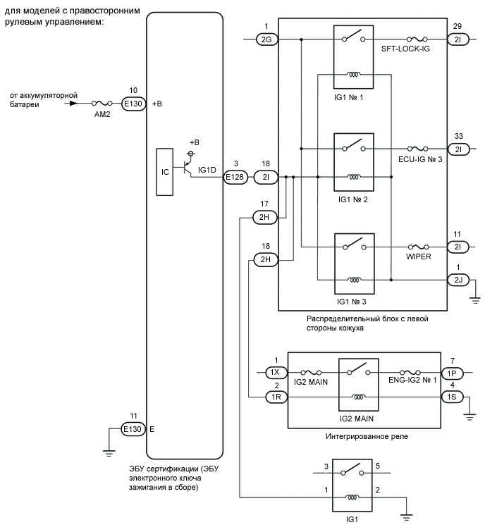
СХЕМА ЭЛЕКТРИЧЕСКИХ СОЕДИНЕНИЙ

B001ZKJE05
B001ZKJE04

ПРЕДОСТЕРЕЖЕНИЕ / ПРИМЕЧАНИЕ / УКАЗАНИЕ

Note


  • При использовании GTS с выключенным зажиганием двигателя, подсоедините GTS к DLC3 и включайте и выключайте освещение проема двери с интервалами 1,5 секунды или менее до тех пор, пока не начнется обмен данными между GTS и автомобилем. Затем выберите тип автомобиля в ручном режиме и перейдите в следующие пункты меню:

    Body Electrical / Entry&Start. При использовании GTS периодически включайте и выключайте выключатель освещения дверного проема с интервалом не более 1,5 с, чтобы поддерживать связь между GTS и автомобилем.

  • Система посадки и запуска (при реализации функции запуска) обменивается данными с использованием мультиплексной системы передачи данных (системы передачи данных LIN) и системы передачи данных CAN. Выполните диагностику связи согласно указаниям раздела "Процедура поиска неисправностей" (см. стр. Click here). Приступать к диагностике системы посадки и запуска (функции запуска) следует только после подтверждения нормальной работы систем передачи данных.

  • Перед заменой ЭБУ сертификации (ЭБУ электронного ключа зажигания) изучите меры предосторожности для системы посадки и запуска (функции запуска) (см. стр. Click here).

  • Перед выполнением следующей процедуры проверки проверьте предохранители цепей, относящихся к данной системе.

  • После ремонта выполните операцию подтверждения вывода кодов DTC и убедитесь, что коды DTC не выводятся снова.

Нажмите здесь

Tech Tips

Связанные параметры режимов Data List и Active Test
DTC Параметр Data List Параметр Active Test
B2271

    Power Source Control

  • IG Relay Monitor (Inside)

  • Latch Circuit


    Starting Control

  • Ignition

-

ПОРЯДОК ВЫПОЛНЕНИЯ


  1. ПРОВЕРЬТЕ ЖГУТ ПРОВОДОВ И РАЗЪЕМ (ИСТОЧНИК ПИТАНИЯ)


    1. Отсоедините разъем E130 ЭБУ сертификации (ЭБУ электронного ключа зажигания).

    2. B001YVSE01
      Обозначения на рисунке
      *a

      Вид спереди разъема со стороны жгута проводов:

      (к ЭБУ сертификации (ЭБУ электронного ключа зажигания в сборе))

      Измерьте напряжение в соответствии со значениями, приведенными в таблице.

      Номинальное напряжение
      Подключение диагностического прибора Условие Заданные условия
      E130-10 (+B) - масса Всегда 11 - 14 В

    NG
    OK
  2. ПРОВЕРЬТЕ ЖГУТ ПРОВОДОВ И РАЗЪЕМ (МАССА)


    1. Отсоедините разъем E130 ЭБУ сертификации (ЭБУ электронного ключа зажигания).

    2. B001XW8E01
      Обозначения на рисунке
      *a

      Вид спереди разъема со стороны жгута проводов:

      (к ЭБУ сертификации (ЭБУ электронного ключа зажигания в сборе))

      Измерьте сопротивление в соответствии со значениями, приведенными в таблице ниже.

      Номинальное сопротивление
      Подключение диагностического прибора Условие Заданные условия
      E130-11 (E) - масса Всегда Менее 1 Ом

    NG
    OK
  3. ПРОВЕРЬТЕ ЭБУ СЕРТИФИКАЦИИ (ЭБУ ЭЛЕКТРОННОГО КЛЮЧА)


    1. Подсоедините разъем E130 ЭБУ сертификации (ЭБУ электронного ключа зажигания).

    2. B001WD3E01
      Обозначения на рисунке
      *a

      Устройство с подсоединенным жгутом проводов

      (ЭБУ сертификации (ЭБУ электронного ключа зажигания в сборе))

      Измерьте напряжение в соответствии со значениями, приведенными в таблице.

      Номинальное напряжение
      Подключение диагностического прибора Условие Заданные условия
      E128-3 (IG1D) - масса Выключатель зажигания в состоянии ON (ВКЛ) (ACC) → в состоянии ON (ВКЛ) (IG) 1 В или ниже → 9 или выше

    OK
    NG