СИСТЕМА ПЕРЕДАЧИ ДАННЫХ CAN (для моделей с левосторонним рулевым управлением без ЭБУ центрального сетевого шлюза) Короткое замыкание в линиях шины CAN

ОПИСАНИЕ

В шинах CAN может быть короткое замыкание, если сопротивление между контактами 6 (CANH) и 14 (CANL) разъема DLC3 составляет менее 53 Ом.

Неисправность Неисправный участок
Сопротивление между контактами 6 (CANH) и 14 (CANL) разъема DLC3 составляет менее 53 Ом.
  • Короткое замыкание между шинами CAN

  • ECM

  • ЭБУ полного привода

  • ЭБУ рулевого управления с усилителем*1

  • Блок управления системы SRS

  • ЭБУ системы предупреждения о ненадлежащем давлении в шинах*2

  • Блок управления системой кондиционирования в сборе

  • ЭБУ центрального сетевого шлюза

  • Главный ЭБУ кузова (бортовой ЭБУ сети мультиплексной связи)

  • Электромагнитный клапан главного цилиндра (ЭБУ системы противоскольжения)

  • ЭБУ системы управления уровнем фар

  • ЭБУ сертификации (ЭБУ электронного ключа зажигания в сборе)*3

  • ЭБУ рулевого управления*4

  • Витой кабель с датчиком в сборе (датчик угла поворота рулевого колеса)

  • Приемник мультимедийного модуля*5

  • Радиоприемник с дисплеем в сборе*6

  • Щиток приборов в сборе

  • Разъем или вспомогательная шина CAN DLC3

  • Разъем распределительного блока шины CAN № 1

  • Разъем распределительного блока шины CAN № 2


СХЕМА ЭЛЕКТРИЧЕСКИХ СОЕДИНЕНИЙ

B001ZUIE01
B001Y23E01
B00207FE02

ПРЕДОСТЕРЕЖЕНИЕ / ПРИМЕЧАНИЕ / УКАЗАНИЕ

Note


  • Перед измерением сопротивления шины CAN, выключите зажигание и оставьте автомобиль в покое на 1 минуту или более, не трогая замок зажигания, другие переключатели и не открывая/закрывая двери. После этого, отсоедините провод от отрицательного (-) вывода аккумуляторной батареи и перед измерением сопротивления оставьте автомобиль в покое на 1 минуту или более.

  • После выключения двигателя следует подождать некоторое время, прежде чем отсоединять провод от вывода аккумуляторной батареи. Поэтому, прежде чем приступать к этой работе, обязательно ознакомьтесь с примечанием относительно отсоединения провода от вывода аккумуляторной батареи (см. стр. Click here).

Tech Tips


  • Управление замком зажигания, любыми выключателями или связанными с дверными защелками ЭБУ и датчиками, обмен данными с которыми осуществляется посредством сети CAN, приводит к колебанию сопротивления.

  • Если DTC регистрируется при непродолжительном движении на автомобиле даже после удаления кодов DTC, неисправность может возникать вследствие вибрации автомобиля. В подобных случаях необходимо пошевелить разъемы ЭБУ или жгутов проводов во время проверки, чтобы установить причину неисправности.

ПОРЯДОК ВЫПОЛНЕНИЯ


  1. ПРОВЕРЬТЕ ШИНЫ CAN НА КОРОТКОЕ ЗАМЫКАНИЕ (ЕСМ — РАЗЪЕМ РАСПРЕДЕЛИТЕЛЬНОГО БЛОКА ШИНЫ CAN № 1)


    1. B001YT4E02
      Обозначения на рисунке
      *A для моделей с 1UR-FE
      *B для моделей с 1VD-FTV
      *C Для моделей с 3UR-FE
      *a

      Вид спереди разъема со стороны жгута проводов:

      (к ECM)

      Отсоедините провод от отрицательного (-) вывода аккумуляторной батареи.

    2. Отсоедините разъем ЭБУ.

    3. Измерьте сопротивление в соответствии со значениями, приведенными в таблице ниже.

      Номинальное сопротивление
      для моделей с 1UR-FE, 1GR-FE:
      Подключение диагностического прибора Условие Заданные условия
      A38-10 (CANH) - A38-11 (CANL) Провод отсоединен от отрицательного (-) вывода аккумуляторной батареи 108 - 132 Ом
      Для моделей с 1VD-FTV:
      Подключение диагностического прибора Условие Заданные условия
      A38-41 (CANH) - A38-49 (CANL) Провод отсоединен от отрицательного (-) вывода аккумуляторной батареи 108 - 132 Ом
      Для моделей с 3UR-FE:
      Подключение диагностического прибора Условие Заданные условия
      A38-11 (CANH) - A38-19 (CANL) Провод отсоединен от отрицательного (-) вывода аккумуляторной батареи 108 - 132 Ом
      Результат
      Результат Перейти к
      OK (для моделей с 1UR-FE) А
      OK (для моделей с 1VD-FTV) B
      OK (для моделей с 1GR-FE) C
      OK (для моделей с 3UR-FE) D
      NG E

    А
    B
    C
    D
    E
  2. ПОДСОЕДИНИТЕ РАЗЪЕМ


    1. Подсоедините разъем A38 ECM.


    ДАЛЕЕ
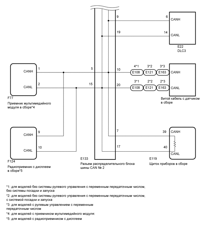
  3. ПРОВЕРЬТЕ ШИНЫ CAN НА КОРОТКОЕ ЗАМЫКАНИЕ (ЩИТОК ПРИБОРОВ В СБОРЕ — РАЗЪЕМ РАСПРЕДЕЛИТЕЛЬНОГО БЛОКА ШИНЫ CAN № 2)


    1. B001VKJE01
      Обозначения на рисунке
      *a

      Вид сзади разъема со стороны жгута проводов

      (к щитку приборов в сборе)

      Отсоедините разъем щитка приборов.

    2. Измерьте сопротивление в соответствии со значениями, приведенными в таблице ниже.

      Номинальное сопротивление
      Подключение диагностического прибора Условие Заданные условия
      E119-39 (CANH) - E119-40 (CANL) Провод отсоединен от отрицательного (-) вывода аккумуляторной батареи 108 - 132 Ом

    OK
    NG
  4. ПОДСОЕДИНИТЕ РАЗЪЕМ


    1. Подсоедините разъем E119 щитка приборов.


    ДАЛЕЕ
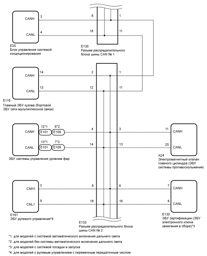
  5. ПРОВЕРЬТЕ ШИНЫ CAN НА КОРОТКОЕ ЗАМЫКАНИЕ (РАЗЪЕМ РАСПРЕДЕЛИТЕЛЬНОГО БЛОКА ШИНЫ CAN № 1)


    1. Отсоедините разъем распределительного блока шины CAN № 1.

      B001YXKE01
      Обозначения на рисунке
      *a

      Вид спереди разъема со стороны жгута проводов:

      (к разъему распределительного блока шины CAN № 1)

      *b к разъему № 2 распределительного блока шины CAN
      *c к ЭБУ полного привода *d к ЭБУ рулевого управления с усилителем (для моделей с электромагнитным клапаном регулирования расхода)
      *e к центральному блоку управления системы SRS *f к ЭБУ системы предупреждения о ненадлежащем давлении в шинах (для моделей с системой предупреждения о ненадлежащем давлении в шинах)
      *g к ЭБУ буфера шины (для моделей с ЭБУ буфера шины) *h К ECM
      *i К блоку управления системой кондиционирования - -
    2. Измерьте сопротивление в соответствии со значениями, приведенными в таблице ниже.

      Номинальное сопротивление
      Подключение диагностического прибора Условие Заданные условия Куда подсоединить
      E135-1 (CANH) - E135-11 (CANL) Провод отсоединен от отрицательного (-) вывода аккумуляторной батареи 108 - 132 Ом Разъем распределительного блока шины CAN № 2
      E135-2 (CANH) - E135-12 (CANL) Провод отсоединен от отрицательного (-) вывода аккумуляторной батареи 200 Ом или более ЭБУ полного привода
      E135-3 (CANH) - E135-13 (CANL) Провод отсоединен от отрицательного (-) вывода аккумуляторной батареи 200 Ом или более ЭБУ рулевого управления с усилителем*1
      E135-4 (CANH) - E135-14 (CANL) Провод отсоединен от отрицательного (-) вывода аккумуляторной батареи 200 Ом или более Блок управления системы SRS
      E135-5 (CANH) - E135-15 (CANL) Провод отсоединен от отрицательного (-) вывода аккумуляторной батареи 200 Ом или более ЭБУ системы предупреждения о ненадлежащем давлении в шинах*2
      E135-6 (CANH) - E135-16 (CANL) Провод отсоединен от отрицательного (-) вывода аккумуляторной батареи 200 Ом или более ЭБУ буфера шины*3
      E135-7 (CANH) - E135-17 (CANL) Провод отсоединен от отрицательного (-) вывода аккумуляторной батареи 108 - 132 Ом ECM
      E135-8 (CANH) - E135-18 (CANL) Провод отсоединен от отрицательного (-) вывода аккумуляторной батареи 200 Ом или более Блок управления системой кондиционирования в сборе

      • *1: для моделей с электромагнитным клапаном регулирования расхода

      • *2: Для моделей с системой предупреждения о ненадлежащем давлении в шинах

      • *3: для моделей с ЭБУ буфера шины

      Результат
      Результат Следующий шаг
      OK А
      NG (главная шина CAN ECM) B
      NG (главная шина CAN распределительного блока шины CAN № 2) C
      NG (вспомогательные шины CAN ЭБУ или датчика) D

    А
    B
    D
    C
  6. ПОДСОЕДИНИТЕ РАЗЪЕМ


    1. Подсоедините разъем E135 распределительного блока шины CAN № 1.


    ДАЛЕЕ
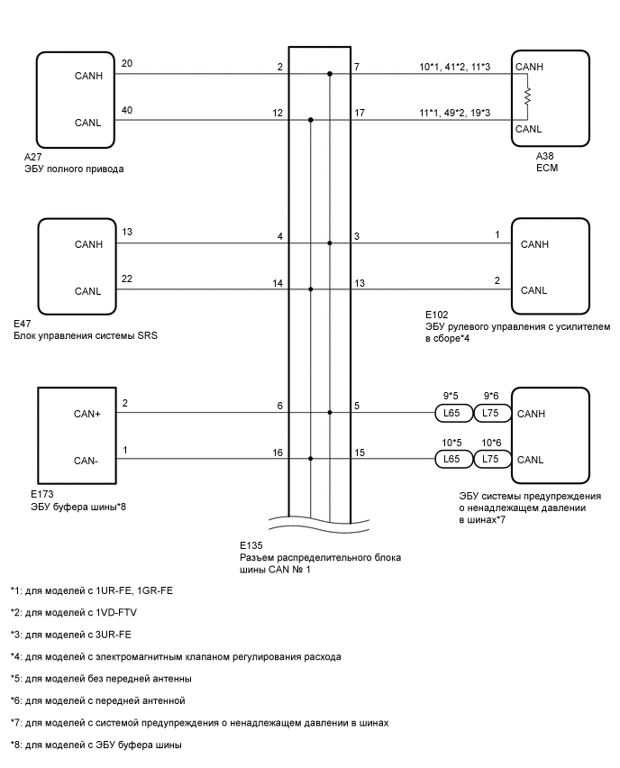
  7. ПРОВЕРЬТЕ ШИНЫ CAN НА КОРОТКОЕ ЗАМЫКАНИЕ (РАЗЪЕМ РАСПРЕДЕЛИТЕЛЬНОГО БЛОКА ШИНЫ CAN № 2)


    1. Отсоедините разъем распределительного блока шины CAN № 2.

      B001YZ2E01
      Обозначения на рисунке
      *a

      Вид спереди разъема со стороны жгута проводов:

      (к разъему распределительного блока шины CAN № 2)

      *b к разъему № 1 распределительного блока шины CAN
      *c К главному ЭБУ кузова (бортовому ЭБУ сети мультиплексной связи) *d К электромагнитному клапану главного цилиндра (ЭБУ системы противоскольжения)
      *e К ЭБУ системы управления уровнем фар в сборе *f
      • к приемнику мультимедийного модуля (для моделей с приемником мультимедийного модуля)

      • К радиоприемнику с дисплеем в сборе (для моделей с радиоприемником с дисплеем)

      *g к ЭБУ сертификации (ЭБУ электронного ключа зажигания в сборе) (для моделей с системой посадки и запуска) *h К щитку приборов в сборе
      *i

      к витому кабелю с датчиком в сборе (датчику угла поворота рулевого колеса)

      К ЭБУ рулевого управления (для моделей с VGRS)

      *j К DLC3
      *k К ЭБУ рулевого управления (для моделей с VGRS)
    2. Измерьте сопротивление в соответствии со значениями, приведенными в таблице ниже.

      Номинальное сопротивление
      Подключение диагностического прибора Условие Заданные условия Куда подсоединить
      E133-1 (CANH) - E133-11 (CANL) Провод отсоединен от отрицательного (-) вывода аккумуляторной батареи 108 - 132 Ом Разъем распределительного блока шины CAN № 1
      E133-2 (CANH) - E133-12 (CANL) Провод отсоединен от отрицательного (-) вывода аккумуляторной батареи 200 Ом или более Главный ЭБУ кузова (бортовой ЭБУ сети мультиплексной связи)
      E133-3 (CANH) - E133-13 (CANL) Провод отсоединен от отрицательного (-) вывода аккумуляторной батареи 200 Ом или более Электромагнитный клапан главного цилиндра (ЭБУ системы противоскольжения)
      E133-4 (CANH) - E133-14 (CANL) Провод отсоединен от отрицательного (-) вывода аккумуляторной батареи 200 Ом или более ЭБУ системы управления уровнем фар
      E133-5 (CANH) - E133-15 (CANL) Провод отсоединен от отрицательного (-) вывода аккумуляторной батареи 200 Ом или более
      • Приемник мультимедийного модуля*1

      • Радиоприемник с дисплеем в сборе*2

      E133-6 (CANH) - E133-16 (CANL) Провод отсоединен от отрицательного (-) вывода аккумуляторной батареи 200 Ом или более ЭБУ сертификации (ЭБУ электронного ключа зажигания в сборе)*3
      E133-7 (CANH) - E133-17 (CANL) Провод отсоединен от отрицательного (-) вывода аккумуляторной батареи 108 - 132 Ом Щиток приборов в сборе
      E133-8 (CANH) - E133-18 (CANL) Провод отсоединен от отрицательного (-) вывода аккумуляторной батареи 200 Ом или более ЭБУ рулевого управления*4
      E133-9 (CANH) - E133-19 (CANL) Провод отсоединен от отрицательного (-) вывода аккумуляторной батареи 200 Ом или более DLC3
      E133-10 (CANH) - E133-20 (CANL) Провод отсоединен от отрицательного (-) вывода аккумуляторной батареи 200 Ом или более Витой кабель с датчиком в сборе (датчик угла поворота рулевого колеса)

      • *1: для моделей с приемником мультимедийного модуля

      • *2: для моделей с радиоприемником с дисплеем

      • *3: для моделей с системой посадки и запуска

      • *4: для моделей с рулевым управлением с переменным передаточным числом

      Результат
      Результат Следующий шаг
      OK А
      NG (главная шина CAN щитка приборов) B
      NG (главная шина CAN распределительного блока шины CAN № 1) C
      NG (вспомогательные шины CAN DLC3) D
      NG (вспомогательные шины CAN ЭБУ или датчика) E

    А
    B
    C
    D
    E
  8. ПРОВЕРЬТЕ ШИНЫ CAN НА КОРОТКОЕ ЗАМЫКАНИЕ (ЭБУ, ДАТЧИК)


    1. B001WYWE01
      Обозначения на рисунке
      *a Вид спереди разъема DLC3

      Подсоедините разъем распределительного блока шины CAN.

    2. Отсоедините разъем, содержащий контакты CANH и CANL, от ЭБУ (или датчика), к которому подсоединена замкнутая накоротко вспомогательная шина CAN.

    3. Измерьте сопротивление в соответствии со значениями, приведенными в таблице ниже.

      Номинальное сопротивление
      Подключение диагностического прибора Условие Заданные условия
      E22-6 (CANH) - E22-14 (CANL) Провод отсоединен от отрицательного (-) вывода аккумуляторной батареи 54 - 69 Ом

      Tech Tips

      Если при отсоединении разъема от ЭБУ (или датчика) сопротивление стало нормальным (54–69 Ом), возможно короткое замыкание в ЭБУ (или датчике).


    OK
    NG