СИСТЕМА ПЕРЕДАЧИ ДАННЫХ CAN (для моделей с левосторонним рулевым управлением без ЭБУ центрального сетевого шлюза) Прекращение обмена данными с ЭБУ полного привода

ОПИСАНИЕ

Неисправность Признак Неисправный участок
Прекращение обмена данными с ЭБУ полного привода

Выполняется любое из следующих условий:


  • На экране "Bus Check" (проверка шин) не отображается "4WD" (см. стр. Click here).

  • Выводимые коды DTC системы передачи данных (начинающиеся на U) соответствуют "Режиму прекращения обмена данными с ЭБУ полного привода" в "Таблице комбинаций кодов DTC" (см. стр. Click here).


  • Вспомогательная шина CAN или разъем ЭБУ полного привода

  • Цепь питания ЭБУ полного привода

  • Цепь массы ЭБУ полного привода

  • ЭБУ полного привода

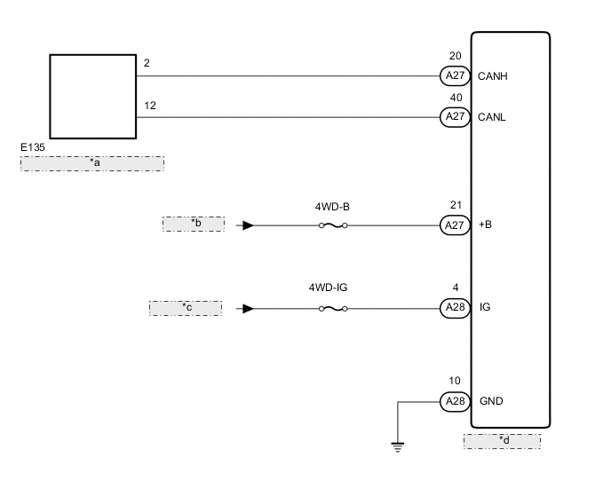
СХЕМА ЭЛЕКТРИЧЕСКИХ СОЕДИНЕНИЙ

B001XVGE13
*a Разъем распределительного блока шины CAN № 1
*b от аккумуляторной батареи
*c От реле IG1
*d ЭБУ полного привода

ПРЕДОСТЕРЕЖЕНИЕ / ПРИМЕЧАНИЕ / УКАЗАНИЕ

Note


  • Перед измерением сопротивления шины CAN, выключите зажигание и оставьте автомобиль в покое на 1 минуту или более, не трогая замок зажигания, другие переключатели и не открывая/закрывая двери. После этого, отсоедините провод от отрицательного (-) вывода аккумуляторной батареи и перед измерением сопротивления оставьте автомобиль в покое на 1 минуту или более.

  • После выключения двигателя следует подождать некоторое время, прежде чем отсоединять провод от вывода аккумуляторной батареи. Поэтому, прежде чем приступать к этой работе, обязательно ознакомьтесь с примечанием относительно отсоединения провода от вывода аккумуляторной батареи (см. стр. Click here).

  • Перед выполнением следующей процедуры проверки проверьте предохранители цепей, относящихся к данной системе.

Tech Tips


  • Управление замком зажигания, любыми выключателями или связанными с дверными защелками ЭБУ и датчиками, обмен данными с которыми осуществляется посредством сети CAN, приводит к колебанию сопротивления.

  • Если DTC регистрируется при непродолжительном движении на автомобиле даже после удаления кодов DTC, неисправность может возникать вследствие вибрации автомобиля. В подобных случаях необходимо пошевелить разъемы ЭБУ или жгутов проводов во время проверки, чтобы установить причину неисправности.

ПОРЯДОК ВЫПОЛНЕНИЯ


  1. ПРОВЕРЬТЕ ШИНУ CAN НА ОБРЫВ (ВСПОМОГАТЕЛЬНАЯ ШИНА CAN ЭБУ ПОЛНОГО ПРИВОДА)


    1. B001ZDGE04
      Обозначения на рисунке
      *a

      Вид спереди разъема со стороны жгута проводов:

      (к ЭБУ полного привода)

      Отсоедините провод от отрицательного (-) вывода аккумуляторной батареи.

    2. Отсоедините разъем ЭБУ полного привода.

    3. Измерьте сопротивление в соответствии со значениями, приведенными в таблице ниже.

      Номинальное сопротивление
      Подключение диагностического прибора Условие Заданные условия
      A27-20 (CANH) - A27-40 (CANL) Провод отсоединен от отрицательного (-) вывода аккумуляторной батареи 54 - 69 Ом

    NG
    OK
  2. ПРОВЕРЬТЕ ЖГУТ ПРОВОДОВ И РАЗЪЕМ (ЭБУ ПОЛНОГО ПРИВОДА - АККУМУЛЯТОРНАЯ БАТАРЕЯ И МАССА)


    1. B001WI5E01
      Обозначения на рисунке
      *a

      Вид спереди разъема со стороны жгута проводов:

      (к ЭБУ полного привода)

      Подсоедините провод к отрицательному (-) выводу аккумуляторной батареи.

      Note

      После подсоединения провода необходимо инициализировать некоторые системы (см. стр. Click here).

    2. Отсоедините разъем ЭБУ полного привода.

    3. Измерьте напряжение в соответствии со значениями, приведенными в таблице.

      Номинальное напряжение
      Подключение диагностического прибора Условие Заданные условия
      A27-21 (+B) - масса Всегда 11-14 В
      A28-4 (IG) - масса Зажигание включено 11-14 В
    4. Измерьте сопротивление в соответствии со значениями, приведенными в таблице ниже.

      Номинальное сопротивление
      Подключение диагностического прибора Условие Заданные условия
      A28-10 (GND) - масса Всегда Менее 1 Ом

    OK
    NG