СИСТЕМА ПЕРЕДАЧИ ДАННЫХ CAN (для моделей с правосторонним рулевым управлением с ЭБУ центрального сетевого шлюза) Прекращение обмена данными с главным ЭБУ кузова

ОПИСАНИЕ

Неисправность Признак Неисправный участок
Прекращение обмена данными с главным ЭБУ кузова

Выполняется любое из следующих условий:


  • На экране "Communication Bus Check" (проверка шины передачи данных) GTS для параметра "Main Body" отображается прекращение обмена данными (см. стр. Click here).

  • Выводимые коды DTC системы передачи данных (начинающиеся на U) соответствуют "Режиму прекращения обмена данными с главным ЭБУ кузова" в "Таблице комбинаций кодов DTC" (см. стр. Click here).


  • Вспомогательная шина CAN или разъем главного ЭБУ кузова (бортового ЭБУ сети мультиплексной связи)

  • Цепь источника питания главного ЭБУ кузова (бортового ЭБУ сети мультиплексной связи)

  • Цепь питания распределительного блока с левой стороны кожуха

  • Цепь массы главного ЭБУ кузова (бортового ЭБУ сети мультиплексной связи)

  • Цепь массы распределительного блока с левой стороны кожуха

  • Главный ЭБУ кузова (бортовой ЭБУ сети мультиплексной связи)

  • Распределительный блок с левой стороны кожуха

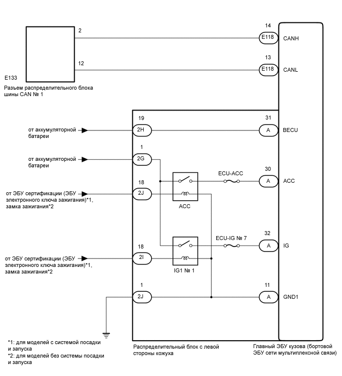
СХЕМА ЭЛЕКТРИЧЕСКИХ СОЕДИНЕНИЙ

B001Z4OE12

ПРЕДОСТЕРЕЖЕНИЕ / ПРИМЕЧАНИЕ / УКАЗАНИЕ

Note


  • По причине того, что порядок диагностики важен для обеспечения правильной диагностики, начните с процедур поиска неисправностей в случае появления кодов DTC, относящихся к системе передачи данных CAN (см. стр. Click here).

  • Перед измерением сопротивления шины CAN, выключите зажигание и оставьте автомобиль в покое на 1 минуту или более, не трогая замок зажигания, другие переключатели и не открывая/закрывая двери. После этого, отсоедините провод от отрицательного (-) вывода аккумуляторной батареи и перед измерением сопротивления оставьте автомобиль в покое на 1 минуту или более.

  • После выключения двигателя следует подождать некоторое время, прежде чем отсоединять провод от вывода аккумуляторной батареи. Поэтому, прежде чем приступать к этой работе, обязательно ознакомьтесь с примечанием относительно отсоединения провода от вывода аккумуляторной батареи (см. стр. Click here).

  • Перед выполнением следующей процедуры проверки проверьте предохранители цепей, относящихся к данной системе.

  • После ремонта выполните процедуру проверки кодов DTC и убедитесь, что коды DTC не выводятся снова.

  • После ремонта выполните проверку шины CAN и убедитесь, что отображаются все ЭБУ и датчики, подсоединенные к системе передачи данных CAN (См. стр. Click here).

Tech Tips


  • Управление замком зажигания, любыми выключателями или связанными с дверными защелками ЭБУ и датчиками, обмен данными с которыми осуществляется посредством сети CAN, приводит к колебанию сопротивления.

  • Если DTC регистрируется при непродолжительном движении на автомобиле даже после удаления кодов DTC, неисправность может возникать вследствие вибрации автомобиля. В подобных случаях необходимо пошевелить разъемы ЭБУ или жгутов проводов во время проверки, чтобы установить причину неисправности.

ПОРЯДОК ВЫПОЛНЕНИЯ


  1. ПРОВЕРЬТЕ ШИНУ CAN НА ОБРЫВ (ВСПОМОГАТЕЛЬНАЯ ШИНА CAN ГЛАВНОГО ЭБУ КУЗОВА)


    1. B001Y5HE01
      Обозначения на рисунке
      *a

      Вид сзади разъема со стороны жгута проводов

      (к главному ЭБУ кузова [бортовому ЭБУ сети мультиплексной связи])

      Отсоедините провод от отрицательного (-) вывода аккумуляторной батареи.

    2. Отсоедините разъем главного ЭБУ кузова (бортового ЭБУ сети мультиплексной связи).

    3. Измерьте сопротивление в соответствии со значениями, приведенными в таблице ниже.

      Номинальное сопротивление
      Подключение диагностического прибора Условие Заданные условия
      E118-14 (CANH) - E118-13 (CANL) Провод отсоединен от отрицательного (-) вывода аккумуляторной батареи 54 - 69 Ом

    NG
    OK
  2. ПРОВЕРЬТЕ ЖГУТ ПРОВОДОВ И РАЗЪЕМ (ГЛАВНЫЙ ЭБУ КУЗОВА - АККУМУЛЯТОРНАЯ БАТАРЕЯ И МАССА)


    1. B001WP4E01
      Обозначения на рисунке
      *a

      Вид спереди разъема со стороны жгута проводов:

      (к главному ЭБУ кузова [бортовому ЭБУ сети мультиплексной связи])

      Подсоедините провод к отрицательному (-) выводу аккумуляторной батареи.

      Note

      После подсоединения провода необходимо инициализировать некоторые системы (см. стр. Click here).

    2. Снимите главный ЭБУ кузова (бортовой ЭБУ сети мультиплексной связи) (см. стр. Click here).

    3. Подсоедините разъемы распределительного блока с левой стороны кожуха.

    4. Измерьте напряжение в соответствии со значениями, приведенными в таблице.

      Номинальное напряжение
      Подключение диагностического прибора Условие Заданные условия
      A-31 (BECU) - масса Всегда 11-14 В
      A-30 (ACC) - масса Замок зажигания в положении ACC 11-14 В
      A-32 (IG) - масса Зажигание включено 11-14 В
    5. Измерьте сопротивление в соответствии со значениями, приведенными в таблице ниже.

      Номинальное сопротивление
      Подключение диагностического прибора Условие Заданные условия
      A-11 (GND1) - масса Всегда Менее 1 Ом

    OK
    NG
  3. ПРОВЕРЬТЕ ЖГУТ ПРОВОДОВ И РАЗЪЕМ (РАСПРЕДЕЛИТЕЛЬНЫЙ БЛОК С ЛЕВОЙ СТОРОНЫ КОЖУХА - АККУМУЛЯТОРНАЯ БАТАРЕЯ И МАССА)


    1. Отсоедините разъемы распределительного блока с левой стороны кожуха.

      B001X2SE01
      Обозначения на рисунке
      *a

      Вид спереди разъема со стороны жгута проводов:

      (к распределительному блоку с левой стороны кожуха)

      - -
    2. Измерьте напряжение в соответствии со значениями, приведенными в таблице.

      Номинальное напряжение
      Подключение диагностического прибора Условие Заданные условия
      2H-19 - масса Всегда 11 - 14 В
      2G-1 - масса Всегда 11 - 14 В
      2J-18 - масса Замок зажигания в положении ACC 11 - 14 В
      2I-18 - масса Зажигание включено 11 - 14 В
    3. Измерьте сопротивление в соответствии со значениями, приведенными в таблице ниже.

      Номинальное сопротивление
      Подключение диагностического прибора Условие Заданные условия
      2J-1 - масса Всегда Менее 1 Ом

    OK
    NG