СИСТЕМА ПЕРЕДАЧИ ДАННЫХ CAN (для моделей с левосторонним рулевым управлением с ЭБУ центрального сетевого шлюза) Прекращение обмена данными с центральным блоком управления системы SRS

ОПИСАНИЕ

Неисправность Признак Неисправный участок
Прекращение обмена данными с центральным блоком управления системы SRS

Выполняется любое из следующих условий:


  • На экране "Communication Bus Check" (проверка шины передачи данных) GTS для параметра "Airbag" отображается прекращение обмена данными (см. стр. Click here).

  • Выводимые коды DTC системы передачи данных (начинающиеся на U) соответствуют "Режиму прекращения обмена данными с центральным блоком управления системы SRS" в "Таблице комбинаций кодов DTC" (см. стр. Click here).


  • Вспомогательная шина CAN или разъем блока управления системы SRS

  • Цепь питания центрального блока управления системы SRS

  • Цепь массы блока управления системы SRS

  • Блок управления системы SRS

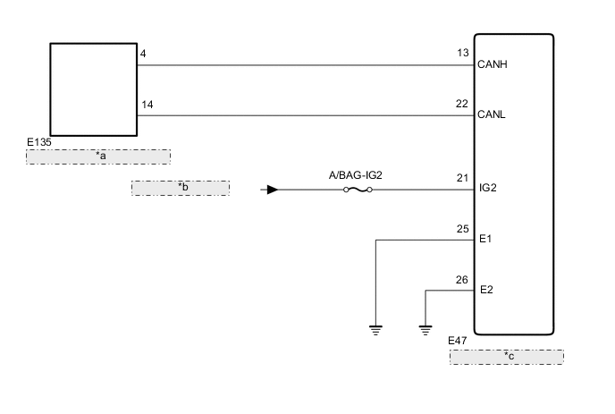
СХЕМА ЭЛЕКТРИЧЕСКИХ СОЕДИНЕНИЙ

B001WYJE28
*a Разъем распределительного блока шины CAN № 1
*b От реле IG2 MAIN
*c Блок управления системы SRS

ПРЕДОСТЕРЕЖЕНИЕ / ПРИМЕЧАНИЕ / УКАЗАНИЕ

Note


  • По причине того, что порядок диагностики важен для обеспечения правильной диагностики, начните с процедур поиска неисправностей в случае появления кодов DTC, относящихся к системе передачи данных CAN (см. стр. Click here).

  • Перед измерением сопротивления шины CAN, выключите зажигание и оставьте автомобиль в покое на 1 минуту или более, не трогая замок зажигания, другие переключатели и не открывая/закрывая двери. После этого, отсоедините провод от отрицательного (-) вывода аккумуляторной батареи и перед измерением сопротивления оставьте автомобиль в покое на 1 минуту или более.

  • После выключения двигателя следует подождать некоторое время, прежде чем отсоединять провод от вывода аккумуляторной батареи. Поэтому, прежде чем приступать к этой работе, обязательно ознакомьтесь с примечанием относительно отсоединения провода от вывода аккумуляторной батареи (см. стр. Click here).

  • Перед выполнением следующей процедуры проверки проверьте предохранители цепей, относящихся к данной системе.

  • После ремонта выполните процедуру проверки кодов DTC и убедитесь, что коды DTC не выводятся снова.

  • Процедура проверки кодов DTC: Совершите поездку на автомобиле со скоростью не менее 5 км/час (3 мили в час) длительностью 5,6 с или более.

  • После ремонта выполните проверку шины CAN и убедитесь, что отображаются все ЭБУ и датчики, подсоединенные к системе передачи данных CAN (См. стр. Click here).

  • Процедура проверки кодов DTC: Установите замок зажигания в положение ON (ВКЛ) и подождите не менее 20 с.

  • Автомобиль оборудован дополнительной системой пассивной безопасности (SRS), включающей в себя подушки безопасности. Прежде чем приступать к обслуживанию (в том числе снятию или установке деталей), обязательно изучите раздел "Меры предосторожности при работе с системой SRS" (см. стр. Click here).

Tech Tips


  • Управление замком зажигания, любыми выключателями или связанными с дверными защелками ЭБУ и датчиками, обмен данными с которыми осуществляется посредством сети CAN, приводит к колебанию сопротивления.

  • Если DTC регистрируется при непродолжительном движении на автомобиле даже после удаления кодов DTC, неисправность может возникать вследствие вибрации автомобиля. В подобных случаях необходимо пошевелить разъемы ЭБУ или жгутов проводов во время проверки, чтобы установить причину неисправности.

ПОРЯДОК ВЫПОЛНЕНИЯ


  1. ПРОВЕРЬТЕ ШИНУ CAN НА ОБРЫВ (ВСПОМОГАТЕЛЬНАЯ ШИНА CAN БЛОКА УПРАВЛЕНИЯ СИСТЕМЫ SRS)


    1. B00206UE01
      Обозначения на рисунке
      *a

      Вид сзади разъема со стороны жгута проводов

      (к центральному блоку управления системы SRS)

      Отсоедините провод от отрицательного (-) вывода аккумуляторной батареи и подождите не менее 90 с.

    2. Отсоедините разъем ЭБУ системы SRS (см. стр. Click here).

    3. Измерьте сопротивление в соответствии со значениями, приведенными в таблице ниже.

      Номинальное сопротивление
      Подключение диагностического прибора Условие Заданные условия
      E47-13 (CANH) - E47-22 (CANL) Провод отсоединен от отрицательного (-) вывода аккумуляторной батареи 54 - 69 Ом

    NG
    OK
  2. ПРОВЕРЬТЕ ЖГУТ ПРОВОДОВ И РАЗЪЕМ (БЛОК УПРАВЛЕНИЯ СИСТЕМЫ SRS - АККУМУЛЯТОРНАЯ БАТАРЕЯ И МАССА)


    1. B001XQJE01
      Обозначения на рисунке
      *a

      Вид сзади разъема со стороны жгута проводов

      (блок управления системы SRS)

      Подсоедините провод к отрицательному (-) выводу аккумуляторной батареи.

      Note

      После подсоединения провода необходимо инициализировать некоторые системы (см. стр. Click here).

    2. Измерьте напряжение в соответствии со значениями, приведенными в таблице.

      Номинальное напряжение
      Подключение диагностического прибора Положение переключателя Заданные условия
      E47-21 (IG2) - масса Зажигание включено 11-14 В
    3. Измерьте сопротивление в соответствии со значениями, приведенными в таблице ниже.

      Номинальное сопротивление
      Подключение диагностического прибора Условие Заданные условия
      E47-25 (E1) - масса Всегда Менее 1 Ом
      E47-26 (E2) - масса Всегда Менее 1 Ом

    OK
    NG