СИСТЕМА ПЕРЕДАЧИ ДАННЫХ CAN (для моделей с левосторонним рулевым управлением с ЭБУ центрального сетевого шлюза), Diagnostic DTC:U0235

Код DTC Наименование DTC
U0235 Нарушение связи с передним датчиком дистанции системы круиз-контроля

ОПИСАНИЕ

Код DTC Условие обнаружения DTC Неисправный участок
U0235 Нарушение обмена данными с датчиком радара миллиметрового диапазона.
  • Главная шина CAN или разъем датчика радара миллиметрового диапазона

  • Источник питания или внутренние компоненты датчика радара миллиметрового диапазона

  • Цепь массы датчика радара миллиметрового диапазона

  • Датчик радара миллиметрового диапазона в сборе

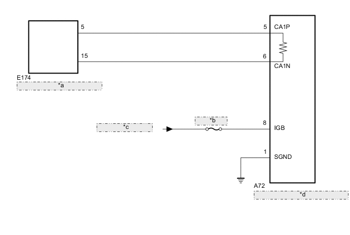
СХЕМА ЭЛЕКТРИЧЕСКИХ СОЕДИНЕНИЙ

B001Y7DE10
*a Разъем распределительного блока шины CAN № 10
*b ECU-IG № 2
*c От реле IG1 № 1
*d Датчик радара миллиметрового диапазона в сборе

ПРЕДОСТЕРЕЖЕНИЕ / ПРИМЕЧАНИЕ / УКАЗАНИЕ

Note


  • По причине того, что порядок диагностики важен для обеспечения правильной диагностики, начните с процедур поиска неисправностей в случае появления кодов DTC, относящихся к системе передачи данных CAN (см. стр. Click here).

  • Перед измерением сопротивления шины CAN, выключите зажигание и оставьте автомобиль в покое на 1 минуту или более, не трогая замок зажигания, другие переключатели и не открывая/закрывая двери. После этого, отсоедините провод от отрицательного (-) вывода аккумуляторной батареи и перед измерением сопротивления оставьте автомобиль в покое на 1 минуту или более.

  • После выключения двигателя следует подождать некоторое время, прежде чем отсоединять провод от вывода аккумуляторной батареи. Поэтому, прежде чем приступать к этой работе, обязательно ознакомьтесь с примечанием относительно отсоединения провода от вывода аккумуляторной батареи (см. стр. Click here).

  • Перед выполнением следующей процедуры проверки проверьте предохранители цепей, относящихся к данной системе.

  • После ремонта выполните процедуру проверки кодов DTC и убедитесь, что коды DTC не выводятся снова.

  • Процедура проверки кодов DTC: Двигайтесь на автомобиле со скоростью не менее 36 км/час (22 миль в час) в течение 2,6 с или более.

  • После ремонта выполните проверку шины CAN и убедитесь, что отображаются все ЭБУ и датчики, подсоединенные к системе передачи данных CAN (См. стр. Click here).

Tech Tips


  • Управление замком зажигания, любыми выключателями или связанными с дверными защелками ЭБУ и датчиками, обмен данными с которыми осуществляется посредством сети CAN, приводит к колебанию сопротивления.

  • Если DTC регистрируется при непродолжительном движении на автомобиле даже после удаления кодов DTC, неисправность может возникать вследствие вибрации автомобиля. В подобных случаях необходимо пошевелить разъемы ЭБУ или жгутов проводов во время проверки, чтобы установить причину неисправности.

ПОРЯДОК ВЫПОЛНЕНИЯ


  1. СНОВА ПРОВЕРЬТЕ ВЫВОДИМЫЕ DTC


    1. Снова проверьте диагностические коды неисправности DTC.

      Tech Tips

      Если шлюз ЭБУ помощи при движении выводит код DTC U1002, это указывает на неисправность локальной шины. Выполните диагностику для кода DTC U1002 и проверьте исправность локальной шины.

      Результат
      Результат Перейти к
      ЭБУ помощи при движении не выводит код DTC U1002. А
      ЭБУ помощи при движении выводит код DTC U1002. B

    B
    А
  2. ПРОВЕРЬТЕ ШИНУ CAN НА ОБРЫВ (ГЛАВНАЯ ШИНА CAN ДАТЧИКА РАДАРА МИЛЛИМЕТРОВОГО ДИАПАЗОНА В СБОРЕ)


    1. B001WH6E01
      Обозначения на рисунке
      *a

      Вид спереди разъема со стороны жгута проводов:

      (к датчику радара миллиметрового диапазона в сборе)

      Отсоедините провод от отрицательного (-) вывода аккумуляторной батареи.

    2. Отсоедините разъем датчика радара миллиметрового диапазона в сборе.

    3. Измерьте сопротивление в соответствии со значениями, приведенными в таблице ниже.

      Номинальное сопротивление
      Подключение диагностического прибора Условие Заданные условия
      A72-5 (CA1P) - A72-6 (CA1N) Провод отсоединен от отрицательного (-) вывода аккумуляторной батареи 108 - 132 Ом

    NG
    OK
  3. ПРОВЕРЬТЕ ЖГУТ ПРОВОДОВ И РАЗЪЕМ (ДАТЧИК РАДАРА МИЛЛИМЕТРОВОГО ДИАПАЗОНА В СБОРЕ - АККУМУЛЯТОРНАЯ БАТАРЕЯ И МАССА)


    1. B001YSEE01
      Обозначения на рисунке
      *a

      Вид спереди разъема со стороны жгута проводов:

      (к датчику радара миллиметрового диапазона в сборе)

      Подсоедините провод к отрицательному выводу (-) аккумуляторной батареи.

      Note

      После подсоединения провода необходимо инициализировать некоторые системы (см. стр. Click here).

    2. Измерьте напряжение в соответствии со значениями, приведенными в таблице.

      Номинальное напряжение
      Подключение диагностического прибора Положение переключателя Заданные условия
      A72-8 (IGB) - масса Зажигание включено 11 - 14 В
    3. Измерьте сопротивление в соответствии со значениями, приведенными в таблице ниже.

      Номинальное сопротивление
      Подключение диагностического прибора Условие Заданные условия
      A72-1 (SGND) - масса Всегда Менее 1 Ом

    OK
    NG