СИСТЕМА ПЕРЕДАЧИ ДАННЫХ CAN (для моделей с правосторонним рулевым управлением), Diagnostic DTC:U1100

Код DTC Наименование DTC
U1100 Нарушение связи с ЭБУ ремней безопасности

ОПИСАНИЕ

Код DTC Условие обнаружения DTC Неисправный участок
U1100 Нарушение связи с ЭБУ ремней безопасности.
  • Цепь питания ЭБУ ремней безопасности

  • Вспомогательная шина CAN или разъем ЭБУ ремней безопасности

  • ЭБУ ремней безопасности


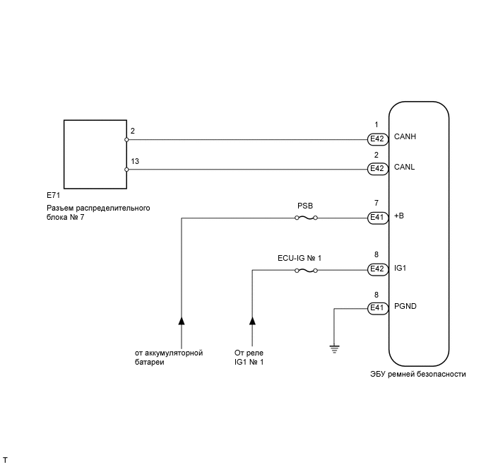
СХЕМА ЭЛЕКТРИЧЕСКИХ СОЕДИНЕНИЙ

A01X7Y3E15

ПРЕДОСТЕРЕЖЕНИЕ / ПРИМЕЧАНИЕ / УКАЗАНИЕ

Note

Перед выполнением следующей процедуры проверки проверьте предохранители цепей, относящихся к данной системе.

Tech Tips

Управление замком зажигания, любыми выключателями или связанными с дверными защелками ЭБУ и датчиками, обмен данными с которыми осуществляется посредством сети CAN, приводит к колебанию сопротивления.

ПОРЯДОК ВЫПОЛНЕНИЯ


  1. МЕРЫ ПРЕДОСТОРОЖНОСТИ

    Note

    После выключения зажигания следует подождать некоторое время, прежде чем отсоединять провод от вывода аккумуляторной батареи. Поэтому, прежде чем приступать к этой работе, обязательно ознакомьтесь с примечанием относительно отсоединения провода от вывода аккумуляторной батареи (см. стр. Click here).


    ДАЛЕЕ
  2. ОТСОЕДИНИТЕ ПРОВОД ОТ ОТРИЦАТЕЛЬНОГО ВЫВОДА АККУМУЛЯТОРНОЙ БАТАРЕИ


    1. Отсоедините провод от отрицательного (-) вывода аккумуляторной батареи перед измерением сопротивления главной и вспомогательной шин CAN.

      CAUTION:

      Для автомобилей с системой SRS:

      После отсоединения провода от отрицательного (-) вывода аккумуляторной батареи подождите не менее 90 с, чтобы предотвратить срабатывание системы SRS.

      Note

      После подсоединения провода необходимо инициализировать некоторые системы (см. стр. Click here).


    ДАЛЕЕ
  3. ПРОВЕРЬТЕ ШИНУ CAN НА ОБРЫВ (ВСПОМОГАТЕЛЬНАЯ ШИНА CAN ЭБУ РЕМНЕЙ БЕЗОПАСНОСТИ)


    1. A01X7RPE01
      Обозначения на рисунке
      *a

      Вид сзади разъема со стороны жгута проводов

      (к ЭБУ ремней безопасности)

      Отсоедините разъем E42 ЭБУ ремней безопасности.

    2. Измерьте сопротивление в соответствии со значениями, приведенными в таблице ниже.

      Номинальное сопротивление
      Подключение диагностического прибора Положение переключателя Заданные условия
      E42-1 (CANH) - E42-2 (CANL) Замок зажигания в положении OFF (ВЫКЛ) 54 - 69 Ом

    NG
    OK
  4. ПРОВЕРЬТЕ ЖГУТ ПРОВОДОВ И РАЗЪЕМ (ЭБУ РЕМНЕЙ БЕЗОПАСНОСТИ – АККУМУЛЯТОРНАЯ БАТАРЕЯ И МАССА)


    1. A01XB9XE01
      Обозначения на рисунке
      *a

      Вид сзади разъема со стороны жгута проводов

      (к ЭБУ ремней безопасности)

      Подсоедините провод к отрицательному выводу (-) аккумуляторной батареи.

      Note

      После подсоединения провода необходимо инициализировать некоторые системы (см. стр. Click here).

    2. Отсоедините разъем E41 ЭБУ ремней безопасности.

    3. Измерьте напряжение в соответствии со значениями, приведенными в таблице.

      Номинальное напряжение
      Подключение диагностического прибора Условие Заданные условия
      E41-7 (+B) - масса Всегда 11-14 В
      E42-8 (IG1) - масса Зажигание включено 11-14 В
    4. Измерьте сопротивление в соответствии со значениями, приведенными в таблице ниже.

      Номинальное сопротивление
      Подключение диагностического прибора Условие Заданные условия
      E41-8 (PGND) - масса Всегда Менее 1 Ом

    OK
    NG