Click here

СИСТЕМА ПЕРЕДАЧИ ДАННЫХ CAN (для моделей с правосторонним рулевым управлением), Diagnostic DTC:U1002 (ШИНА CAN № 2)

Click here
Click here
Код DTC Наименование DTC
U1002 (ШИНА CAN № 2) Нарушение связи с блоком сетевого шлюза (ЭБУ сетевого шлюза)
Click here

ОПИСАНИЕ


Код DTC Условие обнаружения DTC Неисправный участок
U1002 (ШИНА CAN № 2) Нарушение связи с блоком сетевого шлюза (ЭБУ сетевого шлюза).
  • Цепь шины управления движением

  • Вспомогательная шина CAN или разъем ЭБУ полного привода

  • Вспомогательная шина CAN или разъем ЭБУ рулевого управления с усилителем*1

  • Вспомогательная шина CAN или разъем датчика рысканья*2

  • Вспомогательная шина CAN или разъем ЭБУ контроля дистанции*3

  • Вспомогательная шина CAN или разъем ЭБУ ремней безопасности*4

  • Вспомогательная шина CAN или разъем ЭБУ системы помощи при парковке*5

  • Вспомогательная шина CAN или разъем ЭБУ предупреждения о недопустимой дистанции*6

  • Вспомогательная шина CAN или разъем электромагнитного клапана главного цилиндра (ЭБУ системы противоскольжения)

  • Вспомогательная шина CAN или разъем датчика угла поворота рулевого колеса*2

  • Главная шина CAN или разъем ЭБУ сетевого шлюза

  • Вспомогательная шина CAN или разъем ЭБУ рулевого управления*7

  • Вспомогательная шина CAN или разъем ЭБУ управления подвеской*8

  • ЭБУ полного привода

  • ЭБУ рулевого управления с усилителем*1

  • Датчик рысканья*2

  • ЭБУ контроля дистанции*3

  • ЭБУ ремней безопасности*4

  • ЭБУ помощи при парковке*5

  • ЭБУ предупреждения о недопустимой дистанции*6

  • Электромагнитный клапан главного цилиндра (ЭБУ системы противоскольжения)

  • Датчик угла поворота рулевого колеса*2

  • ЭБУ рулевого управления*7

  • ЭБУ управления подвеской*8

  • ЭБУ сетевого шлюза

  • Разъем распределительного блока № 4

  • Разъем распределительного блока № 5

  • Разъем распределительного блока № 6

  • Разъем распределительного блока № 7

  • Разъем распределительного блока шины CAN № 1


A01X94LE01
Click here

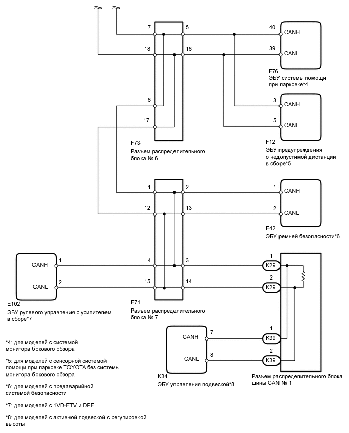
СХЕМА ЭЛЕКТРИЧЕСКИХ СОЕДИНЕНИЙ

Click here

ПРЕДОСТЕРЕЖЕНИЕ / ПРИМЕЧАНИЕ / УКАЗАНИЕ

Tip:

Управление замком зажигания, любыми выключателями или связанными с дверными защелками ЭБУ и датчиками, обмен данными с которыми осуществляется посредством сети CAN, приводит к колебанию сопротивления.

Click here

ПОРЯДОК ВЫПОЛНЕНИЯ


  1. Click here

    МЕРЫ ПРЕДОСТОРОЖНОСТИ

    Note:

    После выключения зажигания следует подождать некоторое время, прежде чем отсоединять провод от вывода аккумуляторной батареи. Поэтому, прежде чем приступать к этой работе, обязательно ознакомьтесь с примечанием относительно отсоединения провода от вывода аккумуляторной батареи (см. стр.Click here).


  2. Click here

    ОТСОЕДИНИТЕ ПРОВОД ОТ ОТРИЦАТЕЛЬНОГО ВЫВОДА АККУМУЛЯТОРНОЙ БАТАРЕИ


    1. Отсоедините провод от отрицательного (-) вывода аккумуляторной батареи перед измерением сопротивления главной и вспомогательной шин CAN.

      CAUTION:

      Для автомобилей с системой SRS:

      После отсоединения провода от отрицательного (-) вывода аккумуляторной батареи подождите не менее 90 с, чтобы предотвратить срабатывание системы SRS.

      Note:

      После подсоединения провода необходимо инициализировать некоторые системы (см. стр.Click here).


  3. Click here

    ПРОВЕРЬТЕ ШИНУ CAN (ГЛАВНУЮ ШИНУ НА ОБРЫВ, ШИНЫ НА КОРОТКОЕ ЗАМЫКАНИЕ)


    1. A01WZ8LE01

      Измерьте сопротивление в соответствии со значениями, приведенными в таблице ниже.

      Номинальное сопротивление
      Подключение диагностического прибора Положение переключателя Заданные условия Сбой сопротивления
      E31-13 (CA2H) - E31-12 (CA2L) Зажигание выключено 54 - 69 Ом Менее 53 Ом: Короткое замыкание в шине
      E31-13 (CA2H) - E31-12 (CA2L) Зажигание выключено 54 - 69 Ом 70 Ом или более: Обрыв в главной шине CAN
      E31-13 (CA2H) - E31-2 (BATT) Зажигание выключено 6 кОм или более Менее 6 кОм: Замыкание на +B
      E31-12 (CA2L) - E31-2 (BATT) Зажигание выключено 6 кОм или более Менее 6 кОм: Замыкание на +B
      E31-13 (CA2H) - E31-4 (GND) Зажигание выключено 200 Ом или более Менее 200 Ом: Короткое замыкание на массу
      E31-12 (CA2L) - E31-4 (GND) Зажигание выключено 200 Ом или более Менее 200 Ом: Короткое замыкание на массу
      Table 1. Обозначения на рисунке
      *a

      Устройство с подсоединенным жгутом проводов

      (ЭБУ сетевого шлюза)

      Table 2. Результат
      Результат Следующий шаг

      NG


      • Обрыв в главной шине CAN

      А

      NG


      • Короткое замыкание в шине

      • Замыкание на +B

      • Короткое замыкание на массу

      B
      OK C

  4. Click here

    ПРОВЕРЬТЕ ГЛАВНУЮ ШИНУ НА ОБРЫВ (РАЗЪЕМ РАСПРЕДЕЛИТЕЛЬНОГО БЛОКА ШИНЫ CAN № 7 - ЭБУ СЕТЕВОГО ШЛЮЗА)


    1. A01X2OME01

      Отсоедините разъем E71 распределительного блока № 7.

    2. Измерьте сопротивление в соответствии со значениями, приведенными в таблице ниже.

      Номинальное сопротивление
      Подключение диагностического прибора Положение переключателя Заданные условия
      E71-1 (CANH) - E71-12 (CANL) Зажигание выключено 108-132 Ом
      Table 3. Обозначения на рисунке
      *a

      Вид сзади разъема со стороны жгута проводов

      (к разъему распределительного блока № 7)


  5. Click here

    ПРОВЕРЬТЕ ГЛАВНУЮ ШИНУ CAN НА ОБРЫВ (РАЗЪЕМ РАСПРЕДЕЛИТЕЛЬНОГО БЛОКА № 7 - РАЗЪЕМ РАСПРЕДЕЛИТЕЛЬНОГО БЛОКА ШИНЫ CAN № 1)


    1. A01X9ORE01

      Измерьте сопротивление в соответствии со значениями, приведенными в таблице ниже.

      Номинальное сопротивление
      Подключение диагностического прибора Положение переключателя Заданные условия
      E71-3 (CANH) - E71-14 (CANL) Зажигание выключено 108-132 Ом
      Table 4. Обозначения на рисунке
      *a

      Вид сзади разъема со стороны жгута проводов

      (к разъему распределительного блока № 7)


    • OK

      ЗАМЕНИТЕ РАЗЪЕМ РАСПРЕДЕЛИТЕЛЬНОГО БЛОКА № 7

    • NGClick here
  6. Click here

    ПОДСОЕДИНИТЕ РАЗЪЕМ


    1. Подсоедините разъем E71 распределительного блока № 7.


  7. Click here

    ПРОВЕРЬТЕ ГЛАВНУЮ ШИНУ CAN НА ОБРЫВ (РАЗЪЕМ РАСПРЕДЕЛИТЕЛЬНОГО БЛОКА № 6 - РАЗЪЕМ РАСПРЕДЕЛИТЕЛЬНОГО БЛОКА № 7)


    1. A01X81OE01

      Отсоедините разъем F73 распределительного блока № 6.

    2. Измерьте сопротивление в соответствии со значениями, приведенными в таблице ниже.

      Номинальное сопротивление
      Подключение диагностического прибора Положение переключателя Заданные условия
      F73-6 (CANH) - F73-17 (CANL) Зажигание выключено 108-132 Ом
      Table 5. Обозначения на рисунке
      *a

      Вид сзади разъема со стороны жгута проводов

      (к разъему распределительного блока № 6)


    • OKClick here
    • NG

      ОТРЕМОНТИРУЙТЕ ИЛИ ЗАМЕНИТЕ ГЛАВНУЮ ШИНУ CAN ИЛИ РАЗЪЕМ (РАЗЪЕМ РАСПРЕДЕЛИТЕЛЬНОГО БЛОКА № 6 - РАЗЪЕМ РАСПРЕДЕЛИТЕЛЬНОГО БЛОКА № 7)

  8. Click here

    ПРОВЕРЬТЕ ГЛАВНУЮ ШИНУ CAN НА ОБРЫВ (РАЗЪЕМ РАСПРЕДЕЛИТЕЛЬНОГО БЛОКА № 6 - ЭБУ СЕТЕВОГО ШЛЮЗА)


    1. A01X3Y6E01

      Измерьте сопротивление в соответствии со значениями, приведенными в таблице ниже.

      Номинальное сопротивление
      Подключение диагностического прибора Положение переключателя Заданные условия
      F73-7 (CANH) - F73-18 (CANL) Зажигание выключено 108-132 Ом
      Table 6. Обозначения на рисунке
      *a

      Вид сзади разъема со стороны жгута проводов

      (к разъему распределительного блока № 6)


    • OK

      ЗАМЕНИТЕ РАЗЪЕМ РАСПРЕДЕЛИТЕЛЬНОГО БЛОКА № 6

    • NGClick here
  9. Click here

    ПОДСОЕДИНИТЕ РАЗЪЕМ


    1. Подсоедините разъем F73 распределительного блока № 6.


  10. Click here

    ПРОВЕРЬТЕ ГЛАВНУЮ ШИНУ CAN НА ОБРЫВ (РАЗЪЕМ РАСПРЕДЕЛИТЕЛЬНОГО БЛОКА № 5 - РАЗЪЕМ РАСПРЕДЕЛИТЕЛЬНОГО БЛОКА № 6)


    1. A01X0Z3E01

      Отсоедините разъем E68 распределительного блока № 5.

    2. Измерьте сопротивление в соответствии со значениями, приведенными в таблице ниже.

      Номинальное сопротивление
      Подключение диагностического прибора Положение переключателя Заданные условия
      E68-2 (CANH) - E68-13 (CANL) Зажигание выключено 108-132 Ом
      Table 7. Обозначения на рисунке
      *a

      Вид сзади разъема со стороны жгута проводов

      (к разъему распределительного блока № 5)


    • OKClick here
    • NG

      ОТРЕМОНТИРУЙТЕ ИЛИ ЗАМЕНИТЕ ГЛАВНУЮ ШИНУ CAN ИЛИ РАЗЪЕМ (РАЗЪЕМ РАСПРЕДЕЛИТЕЛЬНОГО БЛОКА № 5 - РАЗЪЕМ РАСПРЕДЕЛИТЕЛЬНОГО БЛОКА № 6)

  11. Click here

    ПРОВЕРЬТЕ ГЛАВНУЮ ШИНУ CAN НА ОБРЫВ (РАЗЪЕМ РАСПРЕДЕЛИТЕЛЬНОГО БЛОКА № 5 - ЭБУ СЕТЕВОГО ШЛЮЗА)


    1. A01X4OCE01

      Измерьте сопротивление в соответствии со значениями, приведенными в таблице ниже.

      Номинальное сопротивление
      Подключение диагностического прибора Положение переключателя Заданные условия
      E68-1 (CANH) - E68-12 (CANL) Зажигание выключено 108-132 Ом
      Table 8. Обозначения на рисунке
      *a

      Вид сзади разъема со стороны жгута проводов

      (к разъему распределительного блока № 5)


    • OK

      ЗАМЕНИТЕ РАЗЪЕМ РАСПРЕДЕЛИТЕЛЬНОГО БЛОКА № 5

    • NGClick here
  12. Click here

    ПОДСОЕДИНИТЕ РАЗЪЕМ


    1. Подсоедините разъем E68 распределительного блока № 5.


  13. Click here

    ПРОВЕРЬТЕ ГЛАВНУЮ ШИНУ CAN НА ОБРЫВ (РАЗЪЕМ РАСПРЕДЕЛИТЕЛЬНОГО БЛОКА № 4 - РАЗЪЕМ РАСПРЕДЕЛИТЕЛЬНОГО БЛОКА № 5)


    1. A01X6TEE01

      Отсоедините разъем E74 распределительного блока № 4.

    2. Измерьте сопротивление в соответствии со значениями, приведенными в таблице ниже.

      Номинальное сопротивление
      Подключение диагностического прибора Положение переключателя Заданные условия
      E74-1 (CANH) - E74-12 (CANL) Зажигание выключено 108-132 Ом
      Table 9. Обозначения на рисунке
      *a

      Вид сзади разъема со стороны жгута проводов

      (к разъему распределительного блока № 4)


    • OKClick here
    • NG

      ОТРЕМОНТИРУЙТЕ ИЛИ ЗАМЕНИТЕ ГЛАВНУЮ ШИНУ CAN ИЛИ РАЗЪЕМ (РАЗЪЕМ РАСПРЕДЕЛИТЕЛЬНОГО БЛОКА № 4 - РАЗЪЕМ РАСПРЕДЕЛИТЕЛЬНОГО БЛОКА № 5)

  14. Click here

    ПРОВЕРЬТЕ ГЛАВНУЮ ШИНУ CAN НА ОБРЫВ (РАЗЪЕМ РАСПРЕДЕЛИТЕЛЬНОГО БЛОКА № 4 - ЭБУ СЕТЕВОГО ШЛЮЗА)


    1. A01X7ISE01

      Измерьте сопротивление в соответствии со значениями, приведенными в таблице ниже.

      Номинальное сопротивление
      Подключение диагностического прибора Положение переключателя Заданные условия
      E74-2 (CANH) - E74-13 (CANL) Зажигание выключено 108-132 Ом
      Table 10. Обозначения на рисунке
      *a

      Вид сзади разъема со стороны жгута проводов

      (к разъему распределительного блока № 4)


    • OK

      ЗАМЕНИТЕ РАЗЪЕМ РАСПРЕДЕЛИТЕЛЬНОГО БЛОКА № 4

    • NGClick here
  15. Click here

    ПОДСОЕДИНИТЕ РАЗЪЕМ


    1. Подсоедините разъем E71 распределительного блока № 7.


  16. Click here

    ПРОВЕРЬТЕ ГЛАВНУЮ ШИНУ CAN НА ОБРЫВ (РАЗЪЕМ РАСПРЕДЕЛИТЕЛЬНОГО БЛОКА ШИНЫ CAN № 1 - РАЗЪЕМ РАСПРЕДЕЛИТЕЛЬНОГО БЛОКА № 7)


    1. A01X9CPE01

      Отсоедините разъем K29 распределительного блока шины CAN № 1.

    2. Измерьте сопротивление в соответствии со значениями, приведенными в таблице ниже.

      Номинальное сопротивление
      Подключение диагностического прибора Положение переключателя Заданные условия
      K29-1 (CANH) - K29-2 (CANL) Зажигание выключено 108-132 Ом
      Table 11. Обозначения на рисунке
      *a

      Вид сзади разъема со стороны жгута проводов

      (к разъему распределительного блока шины CAN № 1)


    • OK

      ЗАМЕНИТЕ РАЗЪЕМ РАСПРЕДЕЛИТЕЛЬНОГО БЛОКА ШИНЫ CAN № 1

    • NG

      ОТРЕМОНТИРУЙТЕ ИЛИ ЗАМЕНИТЕ ГЛАВНУЮ ШИНУ CAN ИЛИ РАЗЪЕМ (РАЗЪЕМ РАСПРЕДЕЛИТЕЛЬНОГО БЛОКА ШИНЫ CAN № 1 - РАЗЪЕМ РАСПРЕДЕЛИТЕЛЬНОГО БЛОКА № 7)

  17. Click here

    ПОДСОЕДИНИТЕ РАЗЪЕМ


    1. Подсоедините разъем E74 распределительного блока № 4.


  18. Click here

    ПРОВЕРЬТЕ ГЛАВНУЮ ШИНУ CAN НА ОБРЫВ (ЭБУ СЕТЕВОГО ШЛЮЗА - РАЗЪЕМ РАСПРЕДЕЛИТЕЛЬНОГО БЛОКА № 8)


    1. A01WZU0E01

      Отсоедините разъем E31 ЭБУ сетевого шлюза.

    2. Измерьте сопротивление в соответствии со значениями, приведенными в таблице ниже.

      Номинальное сопротивление
      Подключение диагностического прибора Положение переключателя Заданные условия
      E31-13 (CA2H) - E31-12 (CA2L) Зажигание выключено 108-132 Ом
      Table 12. Обозначения на рисунке
      *a

      Вид сзади разъема со стороны жгута проводов

      (к ЭБУ сетевого шлюза)


    • OK

      ЗАМЕНИТЕ ЭБУ СЕТЕВОГО ШЛЮЗА (см. стр.Click here)

    • NG

      ОТРЕМОНТИРУЙТЕ ИЛИ ЗАМЕНИТЕ ГЛАВНУЮ ШИНУ CAN, ПОДСОЕДИНЕННУЮ К ЭБУ СЕТЕВОГО ШЛЮЗА (ЭБУ СЕТЕВОГО ШЛЮЗА - РАЗЪЕМ РАСПРЕДЕЛИТЕЛЬНОГО БЛОКА № 4)

  19. Click here

    ПРОВЕРЬТЕ ШИНЫ CAN НА КОРОТКОЕ ЗАМЫКАНИЕ (СО СТОРОНЫ РАЗЪЕМА РАСПРЕДЕЛИТЕЛЬНОГО БЛОКА № 7)


    1. A01WZ8LE01

      Отсоедините разъем E71 распределительного блока № 7.

    2. Измерьте сопротивление в соответствии со значениями, приведенными в таблице ниже.

      Номинальное сопротивление
      Подключение диагностического прибора Положение переключателя Заданные условия
      E31-13 (CA2H) - E31-12 (CA2L) Зажигание выключено 108-132 Ом
      E31-13 (CA2H) - E31-4 (GND) Зажигание выключено 200 Ом или более
      E31-12 (CA2L) - E31-4 (GND) Зажигание выключено 200 Ом или более
      E31-13 (CA2H) - E31-2 (BATT) Зажигание выключено 6 кОм или более
      E31-12 (CA2L) - E31-2 (BATT) Зажигание выключено 6 кОм или более
      Table 13. Обозначения на рисунке
      *a

      Устройство с подсоединенным жгутом проводов

      (ЭБУ сетевого шлюза)

      Table 14. Результат
      Подключение диагностического прибора Положение переключателя
      OK (для моделей с 1VD-FTV с DPF) А
      OK (кроме моделей с 1VD-FTV с DPF) B
      NG C

  20. Click here

    ПРОВЕРЬТЕ ШИНЫ CAN НА КОРОТКОЕ ЗАМЫКАНИЕ (РАЗЪЕМ РАСПРЕДЕЛИТЕЛЬНОГО БЛОКА № 7 - ЭБУ РУЛЕВОГО УПРАВЛЕНИЯ С УСИЛИТЕЛЕМ)


    1. A01X1X3E02

      Измерьте сопротивление в соответствии со значениями, приведенными в таблице ниже.

      Номинальное сопротивление
      Подключение диагностического прибора Положение переключателя Заданные условия
      E71-4 (CANH) - E71-15 (CANL) Зажигание выключено 200 Ом или более
      E71-4 (CANH) - E22-4 (CG) Зажигание выключено 200 Ом или более
      E71-15 (CANL) - E22-4 (CG) Зажигание выключено 200 Ом или более
      E71-4 (CANH) - E22-16 (BAT) Зажигание выключено 6 кОм или более
      E71-15 (CANL) - E22-16 (BAT) Зажигание выключено 6 кОм или более
      Table 15. Обозначения на рисунке
      *a

      Вид сзади разъема со стороны жгута проводов

      (к разъему распределительного блока № 7)

      *b Вид спереди разъема DLC3

  21. Click here

    ПРОВЕРЬТЕ ШИНЫ CAN НА КОРОТКОЕ ЗАМЫКАНИЕ (РАЗЪЕМ РАСПРЕДЕЛИТЕЛЬНОГО БЛОКА № 7 - ЭБУ РЕМНЕЙ БЕЗОПАСНОСТИ)

    Note:

    Для моделей без системы предаварийной безопасности перейдите к разделу "Проверьте шину CAN на короткое замыкание (разъем распределительного блока № 7 – разъем распределительного блока шины CAN № 1)".


    1. A01X86OE01

      Измерьте сопротивление в соответствии со значениями, приведенными в таблице ниже.

      Номинальное сопротивление
      Подключение диагностического прибора Положение переключателя Заданные условия
      E71-2 (CANH) - E71-13 (CANL) Зажигание выключено 200 Ом или более
      E71-2 (CANH) - E22-4 (CG) Зажигание выключено 200 Ом или более
      E71-13 (CANL) - E22-4 (CG) Зажигание выключено 200 Ом или более
      E71-2 (CANH) - E22-16 (BAT) Зажигание выключено 6 кОм или более
      E71-13 (CANL) - E22-16 (BAT) Зажигание выключено 6 кОм или более
      Table 16. Обозначения на рисунке
      *a

      Вид сзади разъема со стороны жгута проводов

      (к разъему распределительного блока № 7)

      *b Вид спереди разъема DLC3

  22. Click here

    ПРОВЕРЬТЕ ШИНЫ CAN НА КОРОТКОЕ ЗАМЫКАНИЕ (РАЗЪЕМ РАСПРЕДЕЛИТЕЛЬНОГО БЛОКА № 7 - РАЗЪЕМ РАСПРЕДЕЛИТЕЛЬНОГО БЛОКА ШИНЫ CAN № 1)


    1. A01X8S7E02

      Измерьте сопротивление в соответствии со значениями, приведенными в таблице ниже.

      Номинальное сопротивление
      Подключение диагностического прибора Положение переключателя Заданные условия
      E71-3 (CANH) - E71-14 (CANL) Зажигание выключено 108-132 Ом
      E71-3 (CANH) - E22-4 (CG) Зажигание выключено 200 Ом или более
      E71-14 (CANL) - E22-4 (CG) Зажигание выключено 200 Ом или более
      E71-3 (CANH) - E22-16 (BAT) Зажигание выключено 6 кОм или более
      E71-14 (CANL) - E22-16 (BAT) Зажигание выключено 6 кОм или более
      Table 17. Обозначения на рисунке
      *a

      Вид сзади разъема со стороны жгута проводов

      (к разъему распределительного блока № 7)

      *b Вид спереди разъема DLC3
      Table 18. Результат
      Подключение диагностического прибора Положение переключателя
      OK А
      NG (для моделей с активной подвеской с регулировкой высоты) B
      NG (для моделей без активной подвески с регулировкой высоты) C

    • А

      ЗАМЕНИТЕ РАЗЪЕМ РАСПРЕДЕЛИТЕЛЬНОГО БЛОКА № 7

    • BClick here
    • CClick here
  23. Click here

    ПОДСОЕДИНИТЕ РАЗЪЕМ


    1. Подсоедините разъем E71 распределительного блока № 7.


  24. Click here

    ПРОВЕРЬТЕ ШИНЫ CAN НА КОРОТКОЕ ЗАМЫКАНИЕ (РАЗЪЕМ РАСПРЕДЕЛИТЕЛЬНОГО БЛОКА № 6 - РАЗЪЕМ РАСПРЕДЕЛИТЕЛЬНОГО БЛОКА № 7)


    1. A01XBP0E02

      Отсоедините разъем F73 распределительного блока № 6.

    2. Измерьте сопротивление в соответствии со значениями, приведенными в таблице ниже.

      Номинальное сопротивление
      Подключение диагностического прибора Положение переключателя Заданные условия
      F73-6 (CANH) - F73-17 (CANL) Зажигание выключено 108-132 Ом
      F73-6 (CANH) - E22-4 (CG) Зажигание выключено 200 Ом или более
      F73-17 (CANL) - E22-4 (CG) Зажигание выключено 200 Ом или более
      F73-6 (CANH) - E22-16 (BAT) Зажигание выключено 6 кОм или более
      F73-17 (CANL) - E22-16 (BAT) Зажигание выключено 6 кОм или более
      Table 19. Обозначения на рисунке
      *a

      Вид сзади разъема со стороны жгута проводов

      (к разъему распределительного блока № 6)

      *b Вид спереди разъема DLC3

    • OKClick here
    • NG

      ОТРЕМОНТИРУЙТЕ ИЛИ ЗАМЕНИТЕ ГЛАВНУЮ ШИНУ CAN ИЛИ РАЗЪЕМ (РАЗЪЕМ РАСПРЕДЕЛИТЕЛЬНОГО БЛОКА № 6 - РАЗЪЕМ РАСПРЕДЕЛИТЕЛЬНОГО БЛОКА № 7)

  25. Click here

    ПРОВЕРЬТЕ ШИНЫ CAN НА КОРОТКОЕ ЗАМЫКАНИЕ (СО СТОРОНЫ РАЗЪЕМА РАСПРЕДЕЛИТЕЛЬНОГО БЛОКА № 6)


    1. A01WZ8LE01

      Измерьте сопротивление в соответствии со значениями, приведенными в таблице ниже.

      Номинальное сопротивление
      Подключение диагностического прибора Положение переключателя Заданные условия
      E31-13 (CA2H) - E31-12 (CA2L) Зажигание выключено 108-132 Ом
      E31-13 (CA2H) - E31-4 (GND) Зажигание выключено 200 Ом или более
      E31-12 (CA2L) - E31-4 (GND) Зажигание выключено 200 Ом или более
      E31-13 (CA2H) - E31-2 (BATT) Зажигание выключено 6 кОм или более
      E31-12 (CA2L) - E31-2 (BATT) Зажигание выключено 6 кОм или более
      Table 20. Обозначения на рисунке
      *a

      Устройство с подсоединенным жгутом проводов

      (ЭБУ сетевого шлюза)

      Table 21. Результат
      Результат Перейти к
      OK (для моделей без сенсорной системы помощи при парковке TOYOTA и без системы монитора бокового обзора) А
      OK (для моделей с сенсорной системой помощи при парковке TOYOTA без системы монитора бокового обзора) B
      OK (для моделей с системой монитора бокового обзора) C
      NG D

  26. Click here

    ПРОВЕРЬТЕ ШИНЫ CAN НА КОРОТКОЕ ЗАМЫКАНИЕ (РАЗЪЕМ РАСПРЕДЕЛИТЕЛЬНОГО БЛОКА № 6 - ЭБУ ПРЕДУПРЕЖДЕНИЯ О НЕДОПУСТИМОЙ ДИСТАНЦИИ)


    1. A01X0JOE02

      Измерьте сопротивление в соответствии со значениями, приведенными в таблице ниже.

      Номинальное сопротивление
      Подключение диагностического прибора Положение переключателя Заданные условия
      F73-5 (CANH) - F73-16 (CANL) Зажигание выключено 200 Ом или более
      F73-5 (CANH) - E22-4 (CG) Зажигание выключено 200 Ом или более
      F73-16 (CANL) - E22-4 (CG) Зажигание выключено 200 Ом или более
      F73-5 (CANH) - E22-16 (BAT) Зажигание выключено 6 кОм или более
      F73-16 (CANL) - E22-16 (BAT) Зажигание выключено 6 кОм или более
      Table 22. Обозначения на рисунке
      *a

      Вид сзади разъема со стороны жгута проводов

      (к разъему распределительного блока № 6)

      *b Вид спереди разъема DLC3

    • OK

      ЗАМЕНИТЕ РАЗЪЕМ РАСПРЕДЕЛИТЕЛЬНОГО БЛОКА № 6

    • NGClick here
  27. Click here

    ПРОВЕРЬТЕ ШИНЫ CAN НА КОРОТКОЕ ЗАМЫКАНИЕ (РАЗЪЕМ РАСПРЕДЕЛИТЕЛЬНОГО БЛОКА № 6 - ЭБУ СИСТЕМЫ ПОМОЩИ ПРИ ПАРКОВКЕ)


    1. A01X0JOE02

      Измерьте сопротивление в соответствии со значениями, приведенными в таблице ниже.

      Номинальное сопротивление
      Подключение диагностического прибора Положение переключателя Заданные условия
      F73-5 (CANH) - F73-16 (CANL) Зажигание выключено 200 Ом или более
      F73-5 (CANH) - E22-4 (CG) Зажигание выключено 200 Ом или более
      F73-16 (CANL) - E22-4 (CG) Зажигание выключено 200 Ом или более
      F73-5 (CANH) - E22-16 (BAT) Зажигание выключено 6 кОм или более
      F73-16 (CANL) - E22-16 (BAT) Зажигание выключено 6 кОм или более
      Table 23. Обозначения на рисунке
      *a

      Вид сзади разъема со стороны жгута проводов

      (к разъему распределительного блока № 6)

      *b Вид спереди разъема DLC3

    • OK

      ЗАМЕНИТЕ РАЗЪЕМ РАСПРЕДЕЛИТЕЛЬНОГО БЛОКА № 6

    • NGClick here
  28. Click here

    ПОДСОЕДИНИТЕ РАЗЪЕМ


    1. Подсоедините разъем F73 распределительного блока № 6.


  29. Click here

    ПРОВЕРЬТЕ ШИНЫ CAN НА КОРОТКОЕ ЗАМЫКАНИЕ (РАЗЪЕМ РАСПРЕДЕЛИТЕЛЬНОГО БЛОКА № 5 - РАЗЪЕМ РАСПРЕДЕЛИТЕЛЬНОГО БЛОКА № 6)


    1. A01WZZSE02

      Отсоедините разъем E68 распределительного блока № 5.

    2. Измерьте сопротивление в соответствии со значениями, приведенными в таблице ниже.

      Номинальное сопротивление
      Подключение диагностического прибора Положение переключателя Заданные условия
      E68-2 (CANH) - E68-13 (CANL) Зажигание выключено 108-132 Ом
      E68-2 (CANH) - E22-4 (CG) Зажигание выключено 200 Ом или более
      E68-13 (CANL) - E22-4 (CG) Зажигание выключено 200 Ом или более
      E68-2 (CANH) - E22-16 (BAT) Зажигание выключено 6 кОм или более
      E68-13 (CANL) - E22-16 (BAT) Зажигание выключено 6 кОм или более
      Table 24. Обозначения на рисунке
      *a

      Вид сзади разъема со стороны жгута проводов

      (к разъему распределительного блока № 5)

      *b Вид спереди разъема DLC3

    • OKClick here
    • NG

      ОТРЕМОНТИРУЙТЕ ИЛИ ЗАМЕНИТЕ ГЛАВНУЮ ШИНУ CAN ИЛИ РАЗЪЕМ (РАЗЪЕМ РАСПРЕДЕЛИТЕЛЬНОГО БЛОКА № 5 - РАЗЪЕМ РАСПРЕДЕЛИТЕЛЬНОГО БЛОКА № 6)

  30. Click here

    ПРОВЕРЬТЕ ШИНЫ CAN НА КОРОТКОЕ ЗАМЫКАНИЕ (СО СТОРОНЫ РАЗЪЕМА РАСПРЕДЕЛИТЕЛЬНОГО БЛОКА № 5)


    1. A01WZ8LE01

      Измерьте сопротивление в соответствии со значениями, приведенными в таблице ниже.

      Номинальное сопротивление
      Подключение диагностического прибора Положение переключателя Заданные условия
      E31-13 (CA2H) - E31-12 (CA2L) Зажигание выключено 108-132 Ом
      E31-13 (CA2H) - E31-4 (GND) Зажигание выключено 200 Ом или более
      E31-12 (CA2L) - E31-4 (GND) Зажигание выключено 200 Ом или более
      E31-13 (CA2H) - E31-2 (BATT) Зажигание выключено 6 кОм или более
      E31-12 (CA2L) - E31-2 (BATT) Зажигание выключено 6 кОм или более
      Table 25. Обозначения на рисунке
      *a

      Устройство с подсоединенным жгутом проводов

      (ЭБУ сетевого шлюза)


  31. Click here

    ПРОВЕРЬТЕ ШИНЫ CAN НА КОРОТКОЕ ЗАМЫКАНИЕ (РАЗЪЕМ РАСПРЕДЕЛИТЕЛЬНОГО БЛОКА № 5 - ДАТЧИК РЫСКАНЬЯ)

    Note:

    Для моделей без системы курсовой устойчивости перейдите к разделу "Проверьте шины CAN на короткое замыкание (распределительный блок № 5 - ЭБУ контроля дистанции)".


    1. A01X6VFE02

      Измерьте сопротивление в соответствии со значениями, приведенными в таблице ниже.

      Номинальное сопротивление
      Подключение диагностического прибора Положение переключателя Заданные условия
      E68-3 (CANH) - E68-14 (CANL) Зажигание выключено 200 Ом или более
      E68-3 (CANH) - E22-4 (CG) Зажигание выключено 200 Ом или более
      E68-14 (CANL) - E22-4 (CG) Зажигание выключено 200 Ом или более
      E68-3 (CANH) - E22-16 (BAT) Зажигание выключено 6 кОм или более
      E68-14 (CANL) - E22-16 (BAT) Зажигание выключено 6 кОм или более
      Table 26. Обозначения на рисунке
      *a

      Вид сзади разъема со стороны жгута проводов

      (к разъему распределительного блока № 5)

      *b Вид спереди разъема DLC3

  32. Click here

    ПРОВЕРЬТЕ ШИНЫ CAN НА КОРОТКОЕ ЗАМЫКАНИЕ (РАЗЪЕМ РАСПРЕДЕЛИТЕЛЬНОГО БЛОКА № 5 – ЭБУ КОНТРОЛЯ ДИСТАНЦИИ)

    Note:

    На автомобилях без динамической радарной системы круиз-контроля замените разъем распределительного блока № 5.


    1. A01WZKJE02

      Измерьте сопротивление в соответствии со значениями, приведенными в таблице ниже.

      Номинальное сопротивление
      Подключение диагностического прибора Положение переключателя Заданные условия
      E68-4 (CANH) - E68-15 (CANL) Зажигание выключено 200 Ом или более
      E68-4 (CANH) - E22-4 (CG) Зажигание выключено 200 Ом или более
      E68-15 (CANL) - E22-4 (CG) Зажигание выключено 200 Ом или более
      E68-4 (CANH) - E22-16 (BAT) Зажигание выключено 6 кОм или более
      E68-15 (CANL) - E22-16 (BAT) Зажигание выключено 6 кОм или более
      Table 27. Обозначения на рисунке
      *a

      Вид сзади разъема со стороны жгута проводов

      (к разъему распределительного блока № 5)

      *b Вид спереди разъема DLC3

    • OK

      ЗАМЕНИТЕ РАЗЪЕМ РАСПРЕДЕЛИТЕЛЬНОГО БЛОКА № 5

    • NGClick here
  33. Click here

    ПОДСОЕДИНИТЕ РАЗЪЕМ


    1. Подсоедините разъем E68 распределительного блока № 5.


  34. Click here

    ПРОВЕРЬТЕ ШИНЫ CAN НА КОРОТКОЕ ЗАМЫКАНИЕ (РАЗЪЕМ РАСПРЕДЕЛИТЕЛЬНОГО БЛОКА № 4 - РАЗЪЕМ РАСПРЕДЕЛИТЕЛЬНОГО БЛОКА № 5)


    1. A01X0OZE02

      Отсоедините разъем E74 распределительного блока № 4.

    2. Измерьте сопротивление в соответствии со значениями, приведенными в таблице ниже.

      Номинальное сопротивление
      Подключение диагностического прибора Положение переключателя Заданные условия
      E74-1 (CANH) - E74-12 (CANL) Зажигание выключено 108-132 Ом
      E74-1 (CANH) - E22-4 (CG) Зажигание выключено 200 Ом или более
      E74-12 (CANL) - E22-4 (CG) Зажигание выключено 200 Ом или более
      E74-1 (CANH) - E22-16 (BAT) Зажигание выключено 6 кОм или более
      E74-12 (CANL) - E22-16 (BAT) Зажигание выключено 6 кОм или более
      Table 28. Обозначения на рисунке
      *a

      Вид сзади разъема со стороны жгута проводов

      (к разъему распределительного блока № 4)

      *b Вид спереди разъема DLC3

    • OKClick here
    • NG

      ОТРЕМОНТИРУЙТЕ ИЛИ ЗАМЕНИТЕ ГЛАВНУЮ ШИНУ CAN ИЛИ РАЗЪЕМ (РАЗЪЕМ РАСПРЕДЕЛИТЕЛЬНОГО БЛОКА № 4 - РАЗЪЕМ РАСПРЕДЕЛИТЕЛЬНОГО БЛОКА № 5)

  35. Click here

    ПРОВЕРЬТЕ ШИНЫ CAN НА КОРОТКОЕ ЗАМЫКАНИЕ (РАЗЪЕМ РАСПРЕДЕЛИТЕЛЬНОГО БЛОКА № 4 - ЭБУ ПОЛНОГО ПРИВОДА)


    1. A01XB1IE02

      Измерьте сопротивление в соответствии со значениями, приведенными в таблице ниже.

      Номинальное сопротивление
      Подключение диагностического прибора Положение переключателя Заданные условия
      E74-6 (CANH) - E74-17 (CANL) Зажигание выключено 200 Ом или более
      E74-6 (CANH) - E22-4 (CG) Зажигание выключено 200 Ом или более
      E74-17 (CANL) - E22-4 (CG) Зажигание выключено 200 Ом или более
      E74-6 (CANH) - E22-16 (BAT) Зажигание выключено 6 кОм или более
      E74-17 (CANL) - E22-16 (BAT) Зажигание выключено 6 кОм или более
      Table 29. Обозначения на рисунке
      *a

      Вид сзади разъема со стороны жгута проводов

      (к разъему распределительного блока № 4)

      *b Вид спереди разъема DLC3

  36. Click here

    ПРОВЕРЬТЕ ШИНЫ CAN НА КОРОТКОЕ ЗАМЫКАНИЕ (РАЗЪЕМ РАСПРЕДЕЛИТЕЛЬНОГО БЛОКА № 4 - ЭБУ РУЛЕВОГО УПРАВЛЕНИЯ)

    Note:

    Для моделей без системы рулевого управления с переменным передаточным числом перейдите к разделу "Проверьте шину CAN на короткое замыкание (разъем распределительного блока № 4 - датчик угла поворота рулевого колеса)".


    1. A01X3G6E02

      Измерьте сопротивление в соответствии со значениями, приведенными в таблице ниже.

      Номинальное сопротивление
      Подключение диагностического прибора Положение переключателя Заданные условия
      E74-3 (CANH) - E74-14 (CANL) Зажигание выключено 200 Ом или более
      E74-3 (CANH) - E22-4 (CG) Зажигание выключено 200 Ом или более
      E74-14 (CANL) - E22-4 (CG) Зажигание выключено 200 Ом или более
      E74-3 (CANH) - E22-16 (BAT) Зажигание выключено 6 кОм или более
      E74-14 (CANL) - E22-16 (BAT) Зажигание выключено 6 кОм или более
      Table 30. Обозначения на рисунке
      *a

      Вид сзади разъема со стороны жгута проводов

      (к разъему распределительного блока № 4)

      *b Вид спереди разъема DLC3

  37. Click here

    ПРОВЕРЬТЕ ШИНЫ CAN НА КОРОТКОЕ ЗАМЫКАНИЕ (РАЗЪЕМ РАСПРЕДЕЛИТЕЛЬНОГО БЛОКА № 4 - ДАТЧИК УГЛА ПОВОРОТА РУЛЕВОГО КОЛЕСА)

    Note:

    Для моделей без системы курсовой устойчивости перейдите к разделу "Проверьте шины CAN на короткое замыкание (распределительный блок № 4 - ЭБУ системы противоскольжения)".


    1. A01X51WE01

      Измерьте сопротивление в соответствии со значениями, приведенными в таблице ниже.

      Номинальное сопротивление
      Подключение диагностического прибора Положение переключателя Заданные условия
      E74-4 (CANH) - E74-15 (CANL) Зажигание выключено 200 Ом или более
      E74-4 (CANH) - E22-4 (CG) Зажигание выключено 200 Ом или более
      E74-15 (CANL) - E22-4 (CG) Зажигание выключено 200 Ом или более
      E74-4 (CANH) - E22-16 (BAT) Зажигание выключено 6 кОм или более
      E74-15 (CANL) - E22-16 (BAT) Зажигание выключено 6 кОм или более
      Table 31. Обозначения на рисунке
      *a

      Вид сзади разъема со стороны жгута проводов

      (к разъему распределительного блока № 4)

      *b Вид спереди разъема DLC3

  38. Click here

    ПРОВЕРЬТЕ ШИНЫ CAN НА КОРОТКОЕ ЗАМЫКАНИЕ (РАЗЪЕМ РАСПРЕДЕЛИТЕЛЬНОГО БЛОКА № 4 - ЭБУ СИСТЕМЫ ПРОТИВОСКОЛЬЖЕНИЯ)


    1. A01X925E02

      Измерьте сопротивление в соответствии со значениями, приведенными в таблице ниже.

      Номинальное сопротивление
      Подключение диагностического прибора Положение переключателя Заданные условия
      E74-5 (CANH) - E74-16 (CANL) Зажигание выключено 200 Ом или более
      E74-5 (CANH) - E22-4 (CG) Зажигание выключено 200 Ом или более
      E74-16 (CANL) - E22-4 (CG) Зажигание выключено 200 Ом или более
      E74-5 (CANH) - E22-16 (BAT) Зажигание выключено 6 кОм или более
      E74-16 (CANL) - E22-16 (BAT) Зажигание выключено 6 кОм или более
      Table 32. Обозначения на рисунке
      *a

      Вид сзади разъема со стороны жгута проводов

      (к разъему распределительного блока № 4)

      *b Вид спереди разъема DLC3

  39. Click here

    ПРОВЕРЬТЕ ШИНЫ CAN НА КОРОТКОЕ ЗАМЫКАНИЕ (РАЗЪЕМ РАСПРЕДЕЛИТЕЛЬНОГО БЛОКА № 4 - ЭБУ СЕТЕВОГО ШЛЮЗА)


    1. A01X7CSE02

      Измерьте сопротивление в соответствии со значениями, приведенными в таблице ниже.

      Номинальное сопротивление
      Подключение диагностического прибора Положение переключателя Заданные условия
      E74-2 (CANH) - E74-13 (CANL) Зажигание выключено 108-132 Ом
      E74-2 (CANH) - E22-4 (CG) Зажигание выключено 200 Ом или более
      E74-13 (CANL) - E22-4 (CG) Зажигание выключено 200 Ом или более
      E74-2 (CANH) - E22-16 (BAT) Зажигание выключено 6 кОм или более
      E74-13 (CANL) - E22-16 (BAT) Зажигание выключено 6 кОм или более
      Table 33. Обозначения на рисунке
      *a

      Вид сзади разъема со стороны жгута проводов

      (к разъему распределительного блока № 4)

      *b Вид спереди разъема DLC3

    • OK

      ЗАМЕНИТЕ РАЗЪЕМ РАСПРЕДЕЛИТЕЛЬНОГО БЛОКА № 4

    • NGClick here
  40. Click here

    ПОДСОЕДИНИТЕ РАЗЪЕМ


    1. Подсоедините разъем E71 распределительного блока № 7.


  41. Click here

    ПРОВЕРЬТЕ ЛИНИИ ШИНЫ CAN НА КОРОТКОЕ ЗАМЫКАНИЕ (ЭБУ РУЛЕВОГО УПРАВЛЕНИЯ С УСИЛИТЕЛЕМ)


    1. A01X7SZE01

      Отсоедините разъем E102 рулевого управления с усилителем.

    2. Измерьте сопротивление в соответствии со значениями, приведенными в таблице ниже.

      Номинальное сопротивление
      Подключение диагностического прибора Положение переключателя Заданные условия
      E102-1 (CANH) - E102-2 (CANL) Зажигание выключено 54 - 69 Ом
      E102-1 (CANH) - E22-4 (CG) Зажигание выключено 200 Ом или более
      E102-2 (CANL) - E22-4 (CG) Зажигание выключено 200 Ом или более
      E102-1 (CANH) - E22-16 (BAT) Зажигание выключено 6 кОм или более
      E102-2 (CANL) - E22-16 (BAT) Зажигание выключено 6 кОм или более
      Table 34. Обозначения на рисунке
      *a

      Вид спереди разъема со стороны жгута проводов:

      (к ЭБУ рулевого управления с усилителем в сборе)

      *b Вид спереди разъема DLC3

    • OK

      ЗАМЕНИТЕ ЭБУ РУЛЕВОГО УПРАВЛЕНИЯ С УСИЛИТЕЛЕМ В СБОРЕ (см. стр.Click here)

    • NG

      ОТРЕМОНТИРУЙТЕ ИЛИ ЗАМЕНИТЕ ВСПОМОГАТЕЛЬНУЮ ШИНУ CAN, ПОДКЛЮЧЕННУЮ К ЭБУ РУЛЕВОГО УПРАВЛЕНИЯ С УСИЛИТЕЛЕМ (CANH, CANL)

  42. Click here

    ПОДСОЕДИНИТЕ РАЗЪЕМ


    1. Подсоедините разъем E71 распределительного блока № 7.


  43. Click here

    ПРОВЕРЬТЕ ШИНЫ CAN НА КОРОТКОЕ ЗАМЫКАНИЕ (ЭБУ РЕМНЕЙ БЕЗОПАСНОСТИ)


    1. A01X5LLE02

      Отсоедините разъем E42 ЭБУ ремней безопасности.

    2. Измерьте сопротивление в соответствии со значениями, приведенными в таблице ниже.

      Номинальное сопротивление
      Подключение диагностического прибора Положение переключателя Заданные условия
      E42-1 (CANH) - E42-2 (CANL) Зажигание выключено 54 - 69 Ом
      E42-1 (CANH) - E22-4 (CG) Зажигание выключено 200 Ом или более
      E42-2 (CANL) - E22-4 (CG) Зажигание выключено 200 Ом или более
      E42-1 (CANH) - E22-16 (BAT) Зажигание выключено 6 кОм или более
      E42-2 (CANL) - E22-16 (BAT) Зажигание выключено 6 кОм или более
      Table 35. Обозначения на рисунке
      *a

      Вид спереди разъема со стороны жгута проводов:

      (к ЭБУ ремней безопасности)

      *b Вид спереди разъема DLC3

    • OK

      ЗАМЕНИТЕ ЭБУ РЕМНЕЙ БЕЗОПАСНОСТИ (см. стр.Click here)

    • NG

      ОТРЕМОНТИРУЙТЕ ИЛИ ЗАМЕНИТЕ ВСПОМОГАТЕЛЬНУЮ ШИНУ CAN, ПОДСОЕДИНЕННУЮ К ЭБУ РЕМНЕЙ БЕЗОПАСНОСТИ (CANH, CANL)

  44. Click here

    ПОДСОЕДИНИТЕ РАЗЪЕМ


    1. Подсоедините разъем E71 распределительного блока № 7.


  45. Click here

    ПРОВЕРЬТЕ ШИНЫ CAN НА КОРОТКОЕ ЗАМЫКАНИЕ (РАЗЪЕМ РАСПРЕДЕЛИТЕЛЬНОГО БЛОКА ШИНЫ CAN № 1 - ЭБУ УПРАВЛЕНИЯ ПОДВЕСКОЙ)


    1. A01X440E01

      Отсоедините разъем K39 распределительного блока шины CAN № 1.

    2. Измерьте сопротивление в соответствии со значениями, приведенными в таблице ниже.

      Номинальное сопротивление
      Подключение диагностического прибора Положение переключателя Заданные условия
      K39-1 (CANH) - K39-2 (CANL) Зажигание выключено 200 Ом или более
      K39-1 (CANH) - E22-4 (CG) Зажигание выключено 200 Ом или более
      K39-2 (CANL) - E22-4 (CG) Зажигание выключено 200 Ом или более
      K39-1 (CANH) - E22-16 (BAT) Зажигание выключено 6 кОм или более
      K39-2 (CANL) - E22-16 (BAT) Зажигание выключено 6 кОм или более
      Table 36. Обозначения на рисунке
      *a

      Вид сзади разъема со стороны жгута проводов

      (к разъему распределительного блока шины CAN № 1)

      *b Вид спереди разъема DLC3

  46. Click here

    ПРОВЕРЬТЕ ШИНЫ CAN НА КОРОТКОЕ ЗАМЫКАНИЕ (РАЗЪЕМ РАСПРЕДЕЛИТЕЛЬНОГО БЛОКА ШИНЫ CAN № 1)


    1. A01X2EJE01

      Отсоедините разъем K29 распределительного блока шины CAN № 1.

    2. Измерьте сопротивление в соответствии со значениями, приведенными в таблице ниже.

      Номинальное сопротивление
      Подключение диагностического прибора Положение переключателя Заданные условия
      K29-1 (CANH) - K29-2 (CANL) Зажигание выключено 108-132 Ом
      K29-1 (CANH) - E22-4 (CG) Зажигание выключено 200 Ом или более
      K29-2 (CANL) - E22-4 (CG) Зажигание выключено 200 Ом или более
      K29-1 (CANH) - E22-16 (BAT) Зажигание выключено 6 кОм или более
      K29-2 (CANL) - E22-16 (BAT) Зажигание выключено 6 кОм или более
      Table 37. Обозначения на рисунке
      *a

      Вид сзади разъема со стороны жгута проводов

      (к разъему распределительного блока шины CAN № 1)

      *b Вид спереди разъема DLC3

    • OK

      ЗАМЕНИТЕ РАЗЪЕМ РАСПРЕДЕЛИТЕЛЬНОГО БЛОКА ШИНЫ CAN № 1

    • NG

      ОТРЕМОНТИРУЙТЕ ИЛИ ЗАМЕНИТЕ ГЛАВНУЮ ШИНУ CAN ИЛИ РАЗЪЕМ (РАЗЪЕМ РАСПРЕДЕЛИТЕЛЬНОГО БЛОКА ШИНЫ CAN № 1 - РАЗЪЕМ РАСПРЕДЕЛИТЕЛЬНОГО БЛОКА № 7)

  47. Click here

    ПОДСОЕДИНИТЕ РАЗЪЕМ


    1. Подсоедините разъем K39 распределительного блока шины CAN № 1.


  48. Click here

    ПРОВЕРЬТЕ ШИНЫ CAN НА КОРОТКОЕ ЗАМЫКАНИЕ (ЭБУ УПРАВЛЕНИЯ ПОДВЕСКОЙ)


    1. A01X3U6E02

      Отсоедините разъем K34 ЭБУ управления подвеской.

    2. Измерьте сопротивление в соответствии со значениями, приведенными в таблице ниже.

      Номинальное сопротивление
      Подключение диагностического прибора Положение переключателя Заданные условия
      K34-7 (CANH) - K34-8 (CANL) Зажигание выключено 54 - 69 Ом
      K34-7 (CANH) - E22-4 (CG) Зажигание выключено 200 Ом или более
      K34-8 (CANL) - E22-4 (CG) Зажигание выключено 200 Ом или более
      K34-7 (CANH) - E22-16 (BAT) Зажигание выключено 6 кОм или более
      K34-8 (CANL) - E22-16 (BAT) Зажигание выключено 6 кОм или более
      Table 38. Обозначения на рисунке
      *a

      Вид сзади разъема со стороны жгута проводов

      (к ЭБУ управления подвеской)

      *b Вид спереди разъема DLC3

    • OK

      ЗАМЕНИТЕ ЭБУ УПРАВЛЕНИЯ ПОДВЕСКОЙ (см. стр.Click here)

    • NG

      ОТРЕМОНТИРУЙТЕ ИЛИ ЗАМЕНИТЕ ВСПОМОГАТЕЛЬНУЮ ШИНУ CAN, ПОДСОЕДИНЕННУЮ К ЭБУ УПРАВЛЕНИЯ ПОДВЕСКОЙ (CANH, CANL)

  49. Click here

    ПОДСОЕДИНИТЕ РАЗЪЕМ


    1. Подсоедините разъем E74 распределительного блока № 7.


  50. Click here

    ПРОВЕРЬТЕ ШИНЫ CAN НА КОРОТКОЕ ЗАМЫКАНИЕ (РАЗЪЕМ РАСПРЕДЕЛИТЕЛЬНОГО БЛОКА ШИНЫ CAN № 1)


    1. A01X2EJE01

      Отсоедините разъем K29 распределительного блока шины CAN № 1.

    2. Измерьте сопротивление в соответствии со значениями, приведенными в таблице ниже.

      Номинальное сопротивление
      Подключение диагностического прибора Положение переключателя Заданные условия
      K29-1 (CANH) - K29-2 (CANL) Зажигание выключено 108-132 Ом
      K29-1 (CANH) - E22-4 (CG) Зажигание выключено 200 Ом или более
      K29-2 (CANL) - E22-4 (CG) Зажигание выключено 200 Ом или более
      K29-1 (CANH) - E22-16 (BAT) Зажигание выключено 6 кОм или более
      K29-2 (CANL) - E22-16 (BAT) Зажигание выключено 6 кОм или более
      Table 39. Обозначения на рисунке
      *a

      Вид сзади разъема со стороны жгута проводов

      (к разъему распределительного блока шины CAN № 1)

      *b Вид спереди разъема DLC3

    • OK

      ЗАМЕНИТЕ РАЗЪЕМ РАСПРЕДЕЛИТЕЛЬНОГО БЛОКА ШИНЫ CAN № 1

    • NG

      ОТРЕМОНТИРУЙТЕ ИЛИ ЗАМЕНИТЕ ГЛАВНУЮ ШИНУ CAN ИЛИ РАЗЪЕМ (РАЗЪЕМ РАСПРЕДЕЛИТЕЛЬНОГО БЛОКА ШИНЫ CAN № 1 - РАЗЪЕМ РАСПРЕДЕЛИТЕЛЬНОГО БЛОКА № 7)

  51. Click here

    ПОДСОЕДИНИТЕ РАЗЪЕМ


    1. Подсоедините разъем F73 распределительного блока № 6.


  52. Click here

    ПРОВЕРЬТЕ ШИНЫ CAN НА КОРОТКОЕ ЗАМЫКАНИЕ (ЭБУ ПРЕДУПРЕЖДЕНИЯ О НЕДОПУСТИМОЙ ДИСТАНЦИИ)


    1. A01X0PRE02

      Отсоедините разъем F12 ЭБУ предупреждения о недопустимой дистанции.

    2. Измерьте сопротивление в соответствии со значениями, приведенными в таблице ниже.

      Номинальное сопротивление
      Подключение диагностического прибора Положение переключателя Заданные условия
      F12-3 (CANH) - F12-5 (CANL) Зажигание выключено 54 - 69 Ом
      F12-3 (CANH) - E22-4 (CG) Зажигание выключено 200 Ом или более
      F12-5 (CANL) - E22-4 (CG) Зажигание выключено 200 Ом или более
      F12-3 (CANH) - E22-16 (BAT) Зажигание выключено 6 кОм или более
      F12-5 (CANL) - E22-16 (BAT) Зажигание выключено 6 кОм или более
      Table 40. Обозначения на рисунке
      *a

      Вид спереди разъема со стороны жгута проводов:

      (к ЭБУ предупреждения о недопустимой дистанции)

      *b Вид спереди разъема DLC3

    • OK

      ЗАМЕНИТЕ ЭБУ ПРЕДУПРЕЖДЕНИЯ О НЕДОПУСТИМОЙ ДИСТАНЦИИ В СБОРЕ (см. стр.Click here)

    • NG

      ОТРЕМОНТИРУЙТЕ ИЛИ ЗАМЕНИТЕ ВСПОМОГАТЕЛЬНУЮ ШИНУ CAN, ПОДСОЕДИНЕННУЮ К ЭБУ ПРЕДУПРЕЖДЕНИЯ О НЕДОПУСТИМОЙ ДИСТАНЦИИ (CANH, CANL)

  53. Click here

    ПОДСОЕДИНИТЕ РАЗЪЕМ


    1. Подсоедините разъем F73 распределительного блока № 6.


  54. Click here

    ПРОВЕРЬТЕ ЛИНИИ ШИНЫ CAN НА КОРОТКОЕ ЗАМЫКАНИЕ (ЭБУ СИСТЕМЫ ПОМОЩИ ПРИ ПАРКОВКЕ)


    1. A01X3V4E02

      Отсоедините разъем F76 ЭБУ системы помощи при парковке.

    2. Измерьте сопротивление в соответствии со значениями, приведенными в таблице ниже.

      Номинальное сопротивление
      Подключение диагностического прибора Положение переключателя Заданные условия
      F76-40 (CANH) - F76-39 (CANL) Зажигание выключено 54 - 69 Ом
      F76-40 (CANH) - E22-4 (CG) Зажигание выключено 200 Ом или более
      F76-39 (CANL) - E22-4 (CG) Зажигание выключено 200 Ом или более
      F76-40 (CANH) - E22-16 (BAT) Зажигание выключено 6 кОм или более
      F76-39 (CANL) - E22-16 (BAT) Зажигание выключено 6 кОм или более
      Table 41. Обозначения на рисунке
      *a

      Вид сзади разъема со стороны жгута проводов

      (к ЭБУ системы помощи при парковке)

      *b Вид спереди разъема DLC3

    • OK

      ЗАМЕНИТЕ ЭБУ СИСТЕМЫ ПОМОЩИ ПРИ ПАРКОВКЕ (см. стр.Click here)

    • NG

      ОТРЕМОНТИРУЙТЕ ИЛИ ЗАМЕНИТЕ ВСПОМОГАТЕЛЬНУЮ ШИНУ CAN, ПОДКЛЮЧЕННУЮ К ЭБУ СИСТЕМЫ ПОМОЩИ ПРИ ПАРКОВКЕ (CANH, CANL)

  55. Click here

    ПОДСОЕДИНИТЕ РАЗЪЕМ


    1. Подсоедините разъем E68 распределительного блока № 5.


  56. Click here

    ПРОВЕРЬТЕ ЛИНИИ ШИНЫ CAN НА КОРОТКОЕ ЗАМЫКАНИЕ (ДАТЧИК РЫСКАНЬЯ)


    1. A01X514E02

      Отсоедините разъем E50 датчика рысканья в сборе.

    2. Измерьте сопротивление в соответствии со значениями, приведенными в таблице ниже.

      Номинальное сопротивление
      Подключение диагностического прибора Положение переключателя Заданные условия
      E50-3 (CANH) - E50-2 (CANL) Зажигание выключено 54 - 69 Ом
      E50-3 (CANH) - E22-4 (CG) Зажигание выключено 200 Ом или более
      E50-2 (CANL) - E22-4 (CG) Зажигание выключено 200 Ом или более
      E50-3 (CANH) - E22-16 (BAT) Зажигание выключено 6 кОм или более
      E50-2 (CANL) - E22-16 (BAT) Зажигание выключено 6 кОм или более
      Table 42. Обозначения на рисунке
      *a

      Вид спереди разъема со стороны жгута проводов:

      (к датчику рысканья в сборе)

      *b Вид спереди разъема DLC3

    • OK

      ЗАМЕНИТЕ ДАТЧИК РЫСКАНЬЯ В СБОРЕ (см. стр.Click here)

    • NG

      ОТРЕМОНТИРУЙТЕ ИЛИ ЗАМЕНИТЕ ВСПОМОГАТЕЛЬНУЮ ШИНУ CAN, ПОДКЛЮЧЕННУЮ К ДАТЧИКУ РЫСКАНЬЯ (CANH, CANL)

  57. Click here

    ПОДСОЕДИНИТЕ РАЗЪЕМ


    1. Подсоедините разъем E68 распределительного блока № 5.


  58. Click here

    ПРОВЕРЬТЕ ШИНЫ CAN НА КОРОТКОЕ ЗАМЫКАНИЕ (ЭБУ КОНТРОЛЯ ДИСТАНЦИИ)


    1. A01X5MPE01

      Отсоедините разъем E108 ЭБУ контроля дистанции.

    2. Измерьте сопротивление в соответствии со значениями, приведенными в таблице ниже.

      Номинальное сопротивление
      Подключение диагностического прибора Положение переключателя Заданные условия
      E108-8 (CANH) - E108-9 (CANL) Зажигание выключено 54 - 69 Ом
      E108-8 (CANH) - E22-4 (CG) Зажигание выключено 200 Ом или более
      E108-9 (CANL) - E22-4 (CG) Зажигание выключено 200 Ом или более
      E108-8 (CANH) - E22-16 (BAT) Зажигание выключено 6 кОм или более
      E108-9 (CANL) - E22-16 (BAT) Зажигание выключено 6 кОм или более
      Table 43. Обозначения на рисунке
      *a

      Вид сзади разъема со стороны жгута проводов

      (к ЭБУ контроля дистанции)

      *b Вид спереди разъема DLC3

    • OK

      ЗАМЕНИТЕ ЭБУ КОНТРОЛЯ ДИСТАНЦИИ В СБОРЕ (см. стр.Click here)

    • NG

      ОТРЕМОНТИРУЙТЕ ИЛИ ЗАМЕНИТЕ ВСПОМОГАТЕЛЬНУЮ ШИНУ CAN, ПОДСОЕДИНЕННУЮ К ЭБУ КОНТРОЛЯ ДИСТАНЦИИ (CANH, CANL)

  59. Click here

    ПОДСОЕДИНИТЕ РАЗЪЕМ


    1. Подсоедините разъем E74 распределительного блока № 4.


  60. Click here

    ПРОВЕРЬТЕ ШИНЫ CAN НА КОРОТКОЕ ЗАМЫКАНИЕ (ЭБУ ПОЛНОГО ПРИВОДА)


    1. A01X0AJE02

      Отсоедините разъем A27 ЭБУ полного привода.

    2. Измерьте сопротивление в соответствии со значениями, приведенными в таблице ниже.

      Номинальное сопротивление
      Подключение диагностического прибора Положение переключателя Заданные условия
      A27-19 (CAN+) - A29-20 (CAN-) Зажигание выключено 54 - 69 Ом
      A27-19 (CAN+) - E22-4 (CG) Зажигание выключено 200 Ом или более
      A29-20 (CAN-) - E22-4 (CG) Зажигание выключено 200 Ом или более
      A27-19 (CAN+) - E22-16 (BAT) Зажигание выключено 6 кОм или более
      A29-20 (CAN-) - E22-16 (BAT) Зажигание выключено 6 кОм или более
      Table 44. Обозначения на рисунке
      *a

      Вид спереди разъема со стороны жгута проводов:

      (к ЭБУ полного привода)

      *b Вид спереди разъема DLC3

    • OK

      ЗАМЕНИТЕ ЭБУ ПОЛНОГО ПРИВОДА (см. стр.Click here)

    • NG

      ОТРЕМОНТИРУЙТЕ ИЛИ ЗАМЕНИТЕ ВСПОМОГАТЕЛЬНУЮ ШИНУ CAN, ПОДСОЕДИНЕННУЮ К ЭБУ ПОЛНОГО ПРИВОДА (CAN+, CAN-)

  61. Click here

    ПОДСОЕДИНИТЕ РАЗЪЕМ


    1. Подсоедините разъем E74 распределительного блока № 4.


  62. Click here

    ПРОВЕРЬТЕ ШИНЫ CAN НА КОРОТКОЕ ЗАМЫКАНИЕ (ЭБУ РУЛЕВОГО УПРАВЛЕНИЯ)


    1. A01X372E01

      Отсоедините разъем E79 ЭБУ управления подвеской.

    2. Измерьте сопротивление в соответствии со значениями, приведенными в таблице ниже.

      Номинальное сопротивление
      Подключение диагностического прибора Положение переключателя Заданные условия
      E79-9 (CANH) - E79-20 (CANL) Зажигание выключено 54 - 69 Ом
      E79-9 (CANH) - E22-4 (CG) Зажигание выключено 200 Ом или более
      E79-20 (CANL) - E22-4 (CG) Зажигание выключено 200 Ом или более
      E79-9 (CANH) - E22-16 (BAT) Зажигание выключено 6 кОм или более
      E79-20 (CANL) - E22-16 (BAT) Зажигание выключено 6 кОм или более
      Table 45. Обозначения на рисунке
      *a

      Вид спереди разъема со стороны жгута проводов:

      (к ЭБУ рулевого управления)

      *b Вид спереди разъема DLC3

    • OK

      ЗАМЕНИТЕ ЭБУ РУЛЕВОГО УПРАВЛЕНИЯ (см. стр.Click here)

    • NG

      ОТРЕМОНТИРУЙТЕ ИЛИ ЗАМЕНИТЕ ВСПОМОГАТЕЛЬНУЮ ШИНУ CAN, ПОДСОЕДИНЕННУЮ К ЭБУ РУЛЕВОГО УПРАВЛЕНИЯ (CANH, CANL)

  63. Click here

    ПОДСОЕДИНИТЕ РАЗЪЕМ


    1. Подсоедините разъем E74 распределительного блока № 4.


  64. Click here

    ПРОВЕРЬТЕ ШИНЫ CAN НА КОРОТКОЕ ЗАМЫКАНИЕ (ДАТЧИК УГЛА ПОВОРОТА РУЛЕВОГО КОЛЕСА)


    1. A01X0TAE02

      Отсоедините разъем E11 датчика угла поворота рулевого колеса.

    2. Измерьте сопротивление в соответствии со значениями, приведенными в таблице ниже.

      Номинальное сопротивление
      Подключение диагностического прибора Положение переключателя Заданные условия
      E11-10 (CANH) - E11-9 (CANL) Зажигание выключено 54 - 69 Ом
      E11-10 (CANH) - E22-4 (CG) Зажигание выключено 200 Ом или более
      E11-9 (CANL) - E22-4 (CG) Зажигание выключено 200 Ом или более
      E11-10 (CANH) - E22-16 (BAT) Зажигание выключено 6 кОм или более
      E11-9 (CANL) - E22-16 (BAT) Зажигание выключено 6 кОм или более
      Table 46. Обозначения на рисунке
      *a

      Вид спереди разъема со стороны жгута проводов:

      (к датчику угла поворота рулевого колеса)

      *b Вид спереди разъема DLC3

    • OK

      ЗАМЕНИТЕ ДАТЧИК УГЛА ПОВОРОТА РУЛЕВОГО КОЛЕСА (см. стр.Click here)

    • NG

      ОТРЕМОНТИРУЙТЕ ИЛИ ЗАМЕНИТЕ ВСПОМОГАТЕЛЬНУЮ ШИНУ CAN, ПОДСОЕДИНЕННУЮ К ДАТЧИКУ УГЛА ПОВОРОТА РУЛЕВОГО КОЛЕСА (CAMH, CANL)

  65. Click here

    ПОДСОЕДИНИТЕ РАЗЪЕМ


    1. Подсоедините разъем E74 распределительного блока № 4.


  66. Click here

    ПРОВЕРЬТЕ ШИНЫ CAN НА КОРОТКОЕ ЗАМЫКАНИЕ (ЭБУ СИСТЕМЫ ПРОТИВОСКОЛЬЖЕНИЯ)


    1. A01X823E02

      Отсоедините разъем A24 электромагнитного клапана главного цилиндра (ЭБУ системы противоскольжения).

    2. Измерьте сопротивление в соответствии со значениями, приведенными в таблице ниже.

      Номинальное сопротивление
      Подключение диагностического прибора Положение переключателя Заданные условия
      A24-11 (CANH) - A24-25 (CANL) Зажигание выключено 54 - 69 Ом
      A24-11 (CANH) - E22-4 (CG) Зажигание выключено 200 Ом или более
      A24-25 (CANL) - E22-4 (CG) Зажигание выключено 200 Ом или более
      A24-11 (CANH) - E22-16 (BAT) Зажигание выключено 6 кОм или более
      A24-25 (CANL) - E22-16 (BAT) Зажигание выключено 6 кОм или более
      Table 47. Обозначения на рисунке
      *a

      Вид спереди разъема со стороны жгута проводов:

      (к электромагнитному клапану главного цилиндра [ЭБУ системы противоскольжения])

      *b Вид спереди разъема DLC3

    • OK

      ЗАМЕНИТЕ ЭЛЕКТРОМАГНИТНЫЙ КЛАПАН ГЛАВНОГО ЦИЛИНДРА (ЭБУ СИСТЕМЫ ПРОТИВОСКОЛЬЖЕНИЯ) (см. стр.Click here)

    • NG

      ОТРЕМОНТИРУЙТЕ ИЛИ ЗАМЕНИТЕ ВСПОМОГАТЕЛЬНУЮ ШИНУ CAN, ПОДСОЕДИНЕННУЮ К ЭБУ СИСТЕМЫ ПРОТИВОСКОЛЬЖЕНИЯ (CANH, CANL)

  67. Click here

    ПОДСОЕДИНИТЕ РАЗЪЕМ


    1. Подсоедините разъем E74 распределительного блока № 4.


  68. Click here

    ПРОВЕРЬТЕ ШИНЫ CAN НА КОРОТКОЕ ЗАМЫКАНИЕ (ЭБУ СЕТЕВОГО ШЛЮЗА)


    1. A01X8CPE01

      Отсоедините разъем E31 ЭБУ сетевого шлюза.

    2. Измерьте сопротивление в соответствии со значениями, приведенными в таблице ниже.

      Номинальное сопротивление
      Подключение диагностического прибора Положение переключателя Заданные условия
      E31-13 (CA2H) - E31-12 (CA2L) Зажигание выключено 54 - 69 Ом
      E31-13 (CA2H) - E22-4 (CG) Зажигание выключено 200 Ом или более
      E31-12 (CA2L) - E22-4 (CG) Зажигание выключено 200 Ом или более
      E31-13 (CA2H) - E22-16 (BAT) Зажигание выключено 6 кОм или более
      E31-12 (CA2L) - E22-16 (BAT) Зажигание выключено 6 кОм или более
      Table 48. Обозначения на рисунке
      *a

      Вид сзади разъема со стороны жгута проводов

      (к ЭБУ сетевого шлюза)

      *b Вид спереди разъема DLC3

    • OK

      ЗАМЕНИТЕ ЭБУ СЕТЕВОГО ШЛЮЗА (см. стр.Click here)

    • NG

      ОТРЕМОНТИРУЙТЕ ИЛИ ЗАМЕНИТЕ ГЛАВНУЮ ШИНУ CAN, ПОДСОЕДИНЕННУЮ К ЭБУ СЕТЕВОГО ШЛЮЗА (CA2H, CA2L)

  69. Click here

    ПРОВЕРЬТЕ ЖГУТ ПРОВОДОВ И РАЗЪЕМ (ЭБУ СЕТЕВОГО ШЛЮЗА - АККУМУЛЯТОРНАЯ БАТАРЕЯ И МАССА)


    1. A01X74LE01

      Подсоедините провод к отрицательному (-) выводу аккумуляторной батареи.

      Note:

      После подсоединения провода необходимо инициализировать некоторые системы (см. стр.Click here).

    2. Отсоедините разъем E31 ЭБУ сетевого шлюза.

    3. Измерьте сопротивление в соответствии со значениями, приведенными в таблице ниже.

      Номинальное сопротивление
      Подключение диагностического прибора Условие Заданные условия
      E31-4 (GND) - масса Всегда Менее 1 Ом
    4. Измерьте напряжение в соответствии со значениями, приведенными в таблице.

      Номинальное напряжение
      Подключение диагностического прибора Положение переключателя Заданные условия
      E31-2 (BATT) - масса Всегда 11-14 В
      E31-9 (IG2) - масса Зажигание включено 11-14 В
      E31-10 (IG1) - масса Зажигание включено 11-14 В
      Table 49. Обозначения на рисунке
      *a

      Вид сзади разъема со стороны жгута проводов

      (к ЭБУ сетевого шлюза)


    • OK

      ЗАМЕНИТЕ ЭБУ СЕТЕВОГО ШЛЮЗА (см. стр.Click here)

    • NG

      ОТРЕМОНТИРУЙТЕ ИЛИ ЗАМЕНИТЕ ЖГУТ ПРОВОДОВ ИЛИ РАЗЪЕМ