СИСТЕМА ПЕРЕДАЧИ ДАННЫХ CAN (для моделей с правосторонним рулевым управлением), Diagnostic DTC:U1002 (ШИНА CAN MS)

Код DTC Наименование DTC
U1002 (ШИНА CAN MS) Нарушение связи с блоком сетевого шлюза (главный ЭБУ кузова)

ОПИСАНИЕ


Код DTC Условие обнаружения DTC Неисправный участок
U1002 (ШИНА CAN MS) Нарушение связи с блоком сетевого шлюза (главный ЭБУ кузова).
  • Цепь шины MS

  • Вспомогательная шина CAN или разъем ЭБУ стеклоочистителя ветрового стекла*1

  • Вспомогательная шина CAN или разъем ЭБУ и переключателя управления положением*2

  • Вспомогательная шина CAN или разъем ЭБУ электропривода наружного зеркала*2

  • Вспомогательная шина или разъем мультиплексного ЭБУ регулировки наклона и телескопического изменения высоты*3

  • Вспомогательная шина CAN или разъем ЭБУ сертификации (ЭБУ электронного ключа зажигания)*4

  • Вспомогательная шина CAN или разъем блока автоматизированного привода двери багажного отделения (ЭБУ автоматизированного электропривода двери багажного отделения)*5

  • Вспомогательная шина CAN или разъем главного ЭБУ кузова № 2*5

  • Вспомогательная шина CAN или разъем ЭБУ и приемника системы предупреждения о ненадлежащем давлении в шинах*6

  • Главная шина CAN или разъем главного ЭБУ кузова (распределительного блока с левой стороны кожуха)

  • Главная шина CAN или разъем щитка приборов

  • ЭБУ стеклоочистителя ветрового стекла*1

  • ЭБУ и переключатель управления положением*2

  • ЭБУ электропривода наружного зеркала в сборе*2

  • Мультиплексный ЭБУ регулировки наклона и телескопического изменения высоты*3

  • ЭБУ сертификации (ЭБУ электронного ключа зажигания в сборе)*4

  • Блок автоматизированного привода двери багажного отделения в сборе (ЭБУ автоматизированного привода двери багажного отделения)*5

  • Главный ЭБУ кузова № 2*5

  • ЭБУ и приемник системы предупреждения о ненадлежащем давлении в шинах*6

  • Главный ЭБУ кузова (распределительный блок с левой стороны кожуха)

  • Щиток приборов в сборе

  • Разъем распределительного блока № 8

  • Разъем распределительного блока № 9

  • Разъем распределительного блока № 10

  • Разъем распределительного блока шины CAN № 2


СХЕМА ЭЛЕКТРИЧЕСКИХ СОЕДИНЕНИЙ

A01X26VE02
A01X8V1E02

ПРЕДОСТЕРЕЖЕНИЕ / ПРИМЕЧАНИЕ / УКАЗАНИЕ

Tech Tips

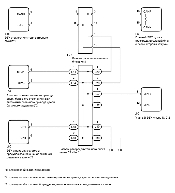
Управление замком зажигания, любыми выключателями или связанными с дверными защелками ЭБУ и датчиками, обмен данными с которыми осуществляется посредством сети CAN, приводит к колебанию сопротивления.

ПОРЯДОК ВЫПОЛНЕНИЯ


  1. МЕРЫ ПРЕДОСТОРОЖНОСТИ

    Note

    После выключения зажигания следует подождать некоторое время, прежде чем отсоединять провод от вывода аккумуляторной батареи. Поэтому, прежде чем приступать к этой работе, обязательно ознакомьтесь с примечанием относительно отсоединения провода от вывода аккумуляторной батареи (см. стр. Click here).


    ДАЛЕЕ
  2. ОТСОЕДИНИТЕ ПРОВОД ОТ ОТРИЦАТЕЛЬНОГО ВЫВОДА АККУМУЛЯТОРНОЙ БАТАРЕИ


    1. Отсоедините провод от отрицательного (-) вывода аккумуляторной батареи перед измерением сопротивления главной и вспомогательной шин CAN.

      CAUTION:

      Для автомобилей с системой SRS:

      После отсоединения провода от отрицательного (-) вывода аккумуляторной батареи подождите не менее 90 с, чтобы предотвратить срабатывание системы SRS.

      Note

      После подсоединения провода необходимо инициализировать некоторые системы (см. стр. Click here).


    ДАЛЕЕ
  3. ПРОВЕРЬТЕ ШИНУ CAN (ГЛАВНУЮ ШИНУ НА ОБРЫВ, ШИНЫ НА КОРОТКОЕ ЗАМЫКАНИЕ)


    1. A01XB9RE01
      Обозначения на рисунке
      *a

      Устройство с подсоединенным жгутом проводов

      (главный ЭБУ кузова [распределительный блок с левой стороны кожуха])

      *b Вид спереди разъема DLC3

      Измерьте сопротивление в соответствии со значениями, приведенными в таблице ниже.

      Номинальное сопротивление
      Подключение диагностического прибора Положение переключателя Заданные условия Сбой сопротивления
      E3-16 (CANP) - E3-15 (CANN) Зажигание выключено 54 - 69 Ом Менее 53 Ом: Короткое замыкание в шине
      E3-16 (CANP) - E3-15 (CANN) Зажигание выключено 54 - 69 Ом 70 Ом или более: Обрыв в главной шине CAN
      E3-16 (CANP) - E22-16 (BAT) Зажигание выключено 6 кОм или более Менее 6 кОм: Замыкание на +B
      E3-15 (CANN) - E22-16 (BAT) Зажигание выключено 6 кОм или более Менее 6 кОм: Замыкание на +B
      E3-16 (CANP) - E22-4 (CG) Зажигание выключено 200 Ом или более Менее 200 Ом: Короткое замыкание на массу
      E3-15 (CANN) - E22-4 (CG) Зажигание выключено 200 Ом или более Менее 200 Ом: Короткое замыкание на массу
      Результат
      Результат Следующий шаг

      NG


      • Обрыв в главной шине CAN

      А

      NG


      • Короткое замыкание в шине

      • Замыкание на +B

      • Короткое замыкание на массу

      B
      OK C

    B
    C
    А
  4. ПРОВЕРЬТЕ ГЛАВНУЮ ШИНУ НА ОБРЫВ (РАЗЪЕМ РАСПРЕДЕЛИТЕЛЬНОГО БЛОКА ШИНЫ CAN № 2 - ГЛАВНЫЙ ЭБУ КУЗОВА)


    1. A01X80OE01
      Обозначения на рисунке
      *a

      Вид сзади разъема со стороны жгута проводов

      (к разъему распределительного блока шины CAN № 2)

      Отсоедините разъем L29 распределительного блока шины CAN № 2.

    2. Измерьте сопротивление в соответствии со значениями, приведенными в таблице ниже.

      Номинальное сопротивление
      Подключение диагностического прибора Положение переключателя Заданные условия
      L29-1 (CANH) - L29-2 (CANL) Зажигание выключено 108-132 Ом

    NG
    OK
  5. ПРОВЕРЬТЕ ГЛАВНУЮ ШИНУ CAN НА ОБРЫВ (РАЗЪЕМ РАСПРЕДЕЛИТЕЛЬНОГО БЛОКА ШИНЫ CAN № 2 - ЩИТОК ПРИБОРОВ)


    1. A01X3D8E01
      Обозначения на рисунке
      *a

      Вид сзади разъема со стороны жгута проводов

      (к разъему распределительного блока шины CAN № 2)

      Отсоедините разъем L30 распределительного блока шины CAN № 2.

    2. Измерьте сопротивление в соответствии со значениями, приведенными в таблице ниже.

      Номинальное сопротивление
      Подключение диагностического прибора Положение переключателя Заданные условия
      L30-1 (CANH) - L30-2 (CANL) Зажигание выключено 108-132 Ом

    OK
    NG
  6. ПОДСОЕДИНИТЕ РАЗЪЕМ


    1. Подсоедините разъем L29 распределительного блока шины CAN № 2.


    ДАЛЕЕ
  7. ПРОВЕРЬТЕ ГЛАВНУЮ ШИНУ CAN НА ОБРЫВ (РАЗЪЕМ РАСПРЕДЕЛИТЕЛЬНОГО БЛОКА ШИНЫ № 8 - ГЛАВНЫЙ ЭБУ КУЗОВА)


    1. A01WYV7E01
      Обозначения на рисунке
      *a

      Вид сзади разъема со стороны жгута проводов

      (к разъему распределительного блока № 8)

      Отсоедините разъем E73 распределительного блока № 8.

    2. Измерьте сопротивление в соответствии со значениями, приведенными в таблице ниже.

      Номинальное сопротивление
      Подключение диагностического прибора Положение переключателя Заданные условия
      E73-3 (CANH) - E73-14 (CANL) Зажигание выключено 108-132 Ом

    NG
    OK
  8. ПРОВЕРЬТЕ ГЛАВНУЮ ШИНУ CAN НА ОБРЫВ (РАЗЪЕМ РАСПРЕДЕЛИТЕЛЬНОГО БЛОКА № 8 - РАЗЪЕМ РАСПРЕДЕЛИТЕЛЬНОГО БЛОКА ШИНЫ CAN № 2)


    1. A01X20KE01
      Обозначения на рисунке
      *a

      Вид сзади разъема со стороны жгута проводов

      (к разъему распределительного блока № 8)

      Измерьте сопротивление в соответствии со значениями, приведенными в таблице ниже.

      Номинальное сопротивление
      Подключение диагностического прибора Положение переключателя Заданные условия
      E73-1 (CANH) - E73-12 (CANL) Зажигание выключено 108-132 Ом

    OK
    NG
  9. ПОДСОЕДИНИТЕ РАЗЪЕМ


    1. Подсоедините разъем E73 распределительного блока № 8.


    ДАЛЕЕ
  10. ПРОВЕРЬТЕ ГЛАВНУЮ ШИНУ CAN НА ОБРЫВ (ГЛАВНЫЙ ЭБУ КУЗОВА - РАЗЪЕМ РАСПРЕДЕЛИТЕЛЬНОГО БЛОКА № 8)


    1. A01X5DFE01
      Обозначения на рисунке
      *a

      Вид сзади разъема со стороны жгута проводов

      (к главному ЭБУ кузова [распределительному блоку с левой стороны кожуха])

      Отсоедините разъем Е3 главного ЭБУ кузова (распределительного блока с левой стороны кожуха).

    2. Измерьте сопротивление в соответствии со значениями, приведенными в таблице ниже.

      Номинальное сопротивление
      Подключение диагностического прибора Положение переключателя Заданные условия
      E3-16 (CANP) - E3-15 (CANN) Зажигание выключено 108-132 Ом

    OK
    NG
  11. ПОДСОЕДИНИТЕ РАЗЪЕМ


    1. Подсоедините разъемы L29 и L30 распределительного блока шины CAN № 2.


    ДАЛЕЕ
  12. ПРОВЕРЬТЕ ГЛАВНУЮ ШИНУ CAN НА ОБРЫВ (РАЗЪЕМ РАСПРЕДЕЛИТЕЛЬНОГО БЛОКА № 10 - РАЗЪЕМ РАСПРЕДЕЛИТЕЛЬНОГО БЛОКА № 9)


    1. A01X0WME01
      Обозначения на рисунке
      *a

      Вид сзади разъема со стороны жгута проводов

      (к разъему распределительного блока № 10)

      Отсоедините разъем E70 распределительного блока № 10.

    2. Измерьте сопротивление в соответствии со значениями, приведенными в таблице ниже.

      Номинальное сопротивление
      Подключение диагностического прибора Положение переключателя Заданные условия
      E70-1 (CANH) - E70-12 (CANL) Зажигание выключено 108-132 Ом

    NG
    OK
  13. ПРОВЕРЬТЕ ГЛАВНУЮ ШИНУ CAN НА ОБРЫВ (РАСПРЕДЕЛИТЕЛЬНЫЙ БЛОК № 10 - ЩИТОК ПРИБОРОВ)


    1. A01WZAOE01
      Обозначения на рисунке
      *a

      Вид сзади разъема со стороны жгута проводов

      (к разъему распределительного блока № 10)

      Измерьте сопротивление в соответствии со значениями, приведенными в таблице ниже.

      Номинальное сопротивление
      Подключение диагностического прибора Положение переключателя Заданные условия
      E70-3 (CANH) - E70-14 (CANL) Зажигание выключено 108-132 Ом

    OK
    NG
  14. ПОДСОЕДИНИТЕ РАЗЪЕМ


    1. Подсоедините разъем E70 распределительного блока № 10.


    ДАЛЕЕ
  15. ПРОВЕРЬТЕ ГЛАВНУЮ ШИНУ CAN НА ОБРЫВ (ЩИТОК ПРИБОРОВ - РАЗЪЕМ РАСПРЕДЕЛИТЕЛЬНОГО БЛОКА № 10)


    1. A01WZ8DE01
      Обозначения на рисунке
      *a

      Вид спереди разъема со стороны жгута проводов:

      (к щитку приборов в сборе)

      Отсоедините разъем E7 щитка приборов.

    2. Измерьте сопротивление в соответствии со значениями, приведенными в таблице ниже.

      Номинальное сопротивление
      Подключение диагностического прибора Положение переключателя Заданные условия
      E7-1 (MPX+) - E7-2 (MPX-) Зажигание выключено 108-132 Ом
      Результат
      Результат Перейти к
      OK (для моделей с мультиинформационным дисплеем) А
      OK (для моделей без мультиинформационного дисплея) B
      NG C

    A
    B
    C
  16. ПОДСОЕДИНИТЕ РАЗЪЕМ


    1. Подсоедините разъем E70 распределительного блока № 10.


    ДАЛЕЕ
  17. ПРОВЕРЬТЕ ГЛАВНУЮ ШИНУ CAN НА ОБРЫВ (РАЗЪЕМ РАСПРЕДЕЛИТЕЛЬНОГО БЛОКА № 9 - РАЗЪЕМ РАСПРЕДЕЛИТЕЛЬНОГО БЛОКА № 10)


    1. A01X5WOE01
      Обозначения на рисунке
      *a

      Вид сзади разъема со стороны жгута проводов

      (к разъему распределительного блока № 9)

      Отсоедините разъем E76 распределительного блока № 9.

    2. Измерьте сопротивление в соответствии со значениями, приведенными в таблице ниже.

      Номинальное сопротивление
      Подключение диагностического прибора Положение переключателя Заданные условия
      E76-1 (CANH) - E76-12 (CANL) Зажигание выключено 108-132 Ом

    NG
    OK
  18. ПРОВЕРЬТЕ ГЛАВНУЮ ШИНУ CAN НА ОБРЫВ (РАЗЪЕМ РАСПРЕДЕЛИТЕЛЬНОГО БЛОКА № 9 - РАЗЪЕМ РАСПРЕДЕЛИТЕЛЬНОГО БЛОКА ШИНЫ CAN № 2)


    1. A01WZRQE01
      Обозначения на рисунке
      *a

      Вид сзади разъема со стороны жгута проводов

      (к разъему распределительного блока № 9)

      Измерьте сопротивление в соответствии со значениями, приведенными в таблице ниже.

      Номинальное сопротивление
      Подключение диагностического прибора Положение переключателя Заданные условия
      E76-7 (CANH) - E76-18 (CANL) Зажигание выключено 108-132 Ом

    OK
    NG
  19. ПРОВЕРЬТЕ ШИНЫ CAN НА КОРОТКОЕ ЗАМЫКАНИЕ (СО СТОРОНЫ РАЗЪЕМА РАСПРЕДЕЛИТЕЛЬНОГО БЛОКА № 10)


    1. A01XB9RE01
      Обозначения на рисунке
      *a

      Устройство с подсоединенным жгутом проводов

      (главный ЭБУ кузова [распределительный блок с левой стороны кожуха])

      *b Вид спереди разъема DLC3

      Отсоедините разъем E70 распределительного блока № 10.

    2. Измерьте сопротивление в соответствии со значениями, приведенными в таблице ниже.

      Номинальное сопротивление
      Подключение диагностического прибора Положение переключателя Заданные условия
      E3-16 (CANP) - E3-15 (CANN) Зажигание выключено 108-132 Ом
      E3-16 (CANP) - E22-4 (CG) Зажигание выключено 200 Ом или более
      E3-15 (CANN) - E22-4 (CG) Зажигание выключено 200 Ом или более
      E3-16 (CANP) - E22-16 (BAT) Зажигание выключено 6 кОм или более
      E3-15 (CANN) - E22-16 (BAT) Зажигание выключено 6 кОм или более

    NG
    OK
  20. ПРОВЕРЬТЕ ШИНЫ CAN НА КОРОТКОЕ ЗАМЫКАНИЕ (РАЗЪЕМ РАСПРЕДЕЛИТЕЛЬНОГО БЛОКА № 10 - ЩИТОК ПРИБОРОВ)


    1. A01X48UE02
      Обозначения на рисунке
      *a

      Вид сзади разъема со стороны жгута проводов

      (к разъему распределительного блока № 10)

      *b Вид спереди разъема DLC3

      Измерьте сопротивление в соответствии со значениями, приведенными в таблице ниже.

      Номинальное сопротивление
      Подключение диагностического прибора Положение переключателя Заданные условия
      E70-3 (CANH) - E70-14 (CANN) Зажигание выключено 108-132 Ом
      E70-3 (CANH) - E22-4 (CG) Зажигание выключено 200 Ом или более
      E70-14 (CANL) - E22-4 (CG) Зажигание выключено 200 Ом или более
      E70-3 (CANH) - E22-16 (BAT) Зажигание выключено 6 кОм или более
      E70-14 (CANL) - E22-16 (BAT) Зажигание выключено 6 кОм или более

    OK
    NG
  21. ПОДСОЕДИНИТЕ РАЗЪЕМ


    1. Подсоедините разъем E70 распределительного блока № 10.


    ДАЛЕЕ
  22. ПРОВЕРЬТЕ ШИНЫ CAN НА КОРОТКОЕ ЗАМЫКАНИЕ (РАЗЪЕМ РАСПРЕДЕЛИТЕЛЬНОГО БЛОКА № 9 - РАЗЪЕМ РАСПРЕДЕЛИТЕЛЬНОГО БЛОКА № 10)


    1. A01WZG7E02
      Обозначения на рисунке
      *a

      Вид сзади разъема со стороны жгута проводов

      (к разъему распределительного блока № 9)

      *b Вид спереди разъема DLC3

      Отсоедините разъем E76 распределительного блока № 9.

    2. Измерьте сопротивление в соответствии со значениями, приведенными в таблице ниже.

      Номинальное сопротивление
      Подключение диагностического прибора Положение переключателя Заданные условия
      E76-1 (CANH) - E76-12 (CANL) Зажигание выключено 108-132 Ом
      E76-1 (CANH) - E22-4 (CG) Зажигание выключено 200 Ом или более
      E76-12 (CANL) - E22-4 (CG) Зажигание выключено 200 Ом или более
      E76-1 (CANH) - E22-16 (BAT) Зажигание выключено 6 кОм или более
      E76-12 (CANL) - E22-16 (BAT) Зажигание выключено 6 кОм или более

    NG
    OK
  23. ПРОВЕРЬТЕ ШИНЫ CAN НА КОРОТКОЕ ЗАМЫКАНИЕ (СО СТОРОНЫ РАЗЪЕМА РАСПРЕДЕЛИТЕЛЬНОГО БЛОКА № 9)


    1. A01XB9RE01
      Обозначения на рисунке
      *a

      Устройство с подсоединенным жгутом проводов

      (главный ЭБУ кузова [распределительный блок с левой стороны кожуха])

      *b Вид спереди разъема DLC3

      Измерьте сопротивление в соответствии со значениями, приведенными в таблице ниже.

      Номинальное сопротивление
      Подключение диагностического прибора Положение переключателя Заданные условия
      E3-16 (CANP) - E3-15 (CANN) Зажигание выключено 108-132 Ом
      E3-16 (CANP) - E22-4 (CG) Зажигание выключено 200 Ом или более
      E3-15 (CANN) - E22-4 (CG) Зажигание выключено 200 Ом или более
      E3-16 (CANP) - E22-16 (BAT) Зажигание выключено 6 кОм или более
      E3-15 (CANN) - E22-16 (BAT) Зажигание выключено 6 кОм или более

    NG
    OK
  24. ПРОВЕРЬТЕ ШИНЫ CAN НА КОРОТКОЕ ЗАМЫКАНИЕ (РАЗЪЕМ РАСПРЕДЕЛИТЕЛЬНОГО БЛОКА № 9 – ЭБУ И ПЕРЕКЛЮЧАТЕЛЬ УПРАВЛЕНИЯ ПОЛОЖЕНИЕМ)

    Note

    Для моделей без запоминающего устройства положения сидений перейдите к разделу "Проверьте шины CAN на короткое замыкание (разъем распределительного блока № 9 - мультиплексный ЭБУ регулировки наклона и телескопического изменения высоты)".


    1. A01X87NE02
      Обозначения на рисунке
      *a

      Вид сзади разъема со стороны жгута проводов

      (к разъему распределительного блока № 9)

      *b Вид спереди разъема DLC3

      Измерьте сопротивление в соответствии со значениями, приведенными в таблице ниже.

      Номинальное сопротивление
      Подключение диагностического прибора Положение переключателя Заданные условия
      E76-4 (CANH) - E76-15 (CANL) Зажигание выключено 200 Ом или более
      E76-4 (CANH) - E22-4 (CG) Зажигание выключено 200 Ом или более
      E76-15 (CANL) - E22-4 (CG) Зажигание выключено 200 Ом или более
      E76-4 (CANH) - E22-16 (BAT) Зажигание выключено 6 кОм или более
      E76-15 (CANL) - E22-16 (BAT) Зажигание выключено 6 кОм или более

    NG
    OK
  25. ПРОВЕРЬТЕ ШИНЫ CAN НА КОРОТКОЕ ЗАМЫКАНИЕ (РАЗЪЕМ РАСПРЕДЕЛИТЕЛЬНОГО БЛОКА № 9 - МУЛЬТИПЛЕКСНЫЙ ЭБУ РЕГУЛИРОВКИ НАКЛОНА И ТЕЛЕСКОПИЧЕСКОГО ИЗМЕНЕНИЯ ВЫСОТЫ)

    Note

    Для моделей без системы наклонной телескопической рулевой колонки с электроприводом перейдите к разделу "Проверьте шины CAN на короткое замыкание (разъем распределительного блока № 9 - ЭБУ электропривода наружного зеркала)".


    1. A01XB81E02
      Обозначения на рисунке
      *a

      Вид сзади разъема со стороны жгута проводов

      (к разъему распределительного блока № 9)

      *b Вид спереди разъема DLC3

      Измерьте сопротивление в соответствии со значениями, приведенными в таблице ниже.

      Номинальное сопротивление
      Подключение диагностического прибора Положение переключателя Заданные условия
      E76-3 (CANH) - E76-14 (CANL) Зажигание выключено 200 Ом или более
      E76-3 (CANH) - E22-4 (CG) Зажигание выключено 200 Ом или более
      E76-14 (CANL) - E22-4 (CG) Зажигание выключено 200 Ом или более
      E76-3 (CANH) - E22-16 (BAT) Зажигание выключено 6 кОм или более
      E76-14 (CANL) - E22-16 (BAT) Зажигание выключено 6 кОм или более

    NG
    OK
  26. ПРОВЕРЬТЕ ШИНЫ CAN НА КОРОТКОЕ ЗАМЫКАНИЕ (РАЗЪЕМ РАСПРЕДЕЛИТЕЛЬНОГО БЛОКА № 9 - ЭБУ ЭЛЕКТРОПРИВОДА НАРУЖНОГО ЗЕРКАЛА)

    Note

    Для моделей без запоминающего устройства положения сидений перейдите к разделу "Проверьте шины CAN на короткое замыкание (разъем распределительного блока № 9 - ЭБУ сертификации)".


    1. A01X05NE02
      Обозначения на рисунке
      *a

      Вид сзади разъема со стороны жгута проводов

      (к разъему распределительного блока № 9)

      *b Вид спереди разъема DLC3

      Измерьте сопротивление в соответствии со значениями, приведенными в таблице ниже.

      Номинальное сопротивление
      Подключение диагностического прибора Положение переключателя Заданные условия
      E76-5 (CANH) - E76-16 (CANL) Зажигание выключено 200 Ом или более
      E76-5 (CANH) - E22-4 (CG) Зажигание выключено 200 Ом или более
      E76-16 (CANL) - E22-4 (CG) Зажигание выключено 200 Ом или более
      E76-5 (CANH) - E22-16 (BAT) Зажигание выключено 6 кОм или более
      E76-16 (CANL) - E22-16 (BAT) Зажигание выключено 6 кОм или более

    NG
    OK
  27. ПРОВЕРЬТЕ ШИНЫ CAN НА КОРОТКОЕ ЗАМЫКАНИЕ (РАЗЪЕМ РАСПРЕДЕЛИТЕЛЬНОГО БЛОКА № 9 - ЭБУ СЕРТИФИКАЦИИ)

    Note

    На автомобилях без системы посадки и запуска замените разъем распределительного блока № 9.


    1. A01X3QQE02
      Обозначения на рисунке
      *a

      Вид сзади разъема со стороны жгута проводов

      (к разъему распределительного блока № 9)

      *b Вид спереди разъема DLC3

      Измерьте сопротивление в соответствии со значениями, приведенными в таблице ниже.

      Номинальное сопротивление
      Подключение диагностического прибора Положение переключателя Заданные условия
      E76-2 (CANH) - E76-13 (CANL) Зажигание выключено 200 Ом или более
      E76-2 (CANH) - E22-4 (CG) Зажигание выключено 200 Ом или более
      E76-13 (CANL) - E22-4 (CG) Зажигание выключено 200 Ом или более
      E76-2 (CANH) - E22-16 (BAT) Зажигание выключено 6 кОм или более
      E76-13 (CANL) - E22-16 (BAT) Зажигание выключено 6 кОм или более

    OK
    NG
  28. ПОДСОЕДИНИТЕ РАЗЪЕМ


    1. Подсоедините разъем E76 распределительного блока № 9.


    ДАЛЕЕ
  29. ПРОВЕРЬТЕ ШИНЫ CAN НА КОРОТКОЕ ЗАМЫКАНИЕ (РАЗЪЕМ РАСПРЕДЕЛИТЕЛЬНОГО БЛОКА ШИНЫ CAN № 2 - РАЗЪЕМ РАСПРЕДЕЛИТЕЛЬНОГО БЛОКА № 9)


    1. A01X8J8E01
      Обозначения на рисунке
      *a

      Вид сзади разъема со стороны жгута проводов

      (к разъему распределительного блока шины CAN № 2)

      *b Вид спереди разъема DLC3

      Отсоедините разъем L30 распределительного блока шины CAN № 2.

    2. Измерьте сопротивление в соответствии со значениями, приведенными в таблице ниже.

      Номинальное сопротивление
      Подключение диагностического прибора Положение переключателя Заданные условия
      L30-1 (CANH) - L30-2 (CANL) Зажигание выключено 108-132 Ом
      L30-1 (CANH) - E22-4 (CG) Зажигание выключено 200 Ом или более
      L30-2 (CANL) - E22-4 (CG) Зажигание выключено 200 Ом или более
      L30-1 (CANH) - E22-16 (BAT) Зажигание выключено 6 кОм или более
      L30-2 (CANL) - E22-16 (BAT) Зажигание выключено 6 кОм или более

    NG
    OK
  30. ПРОВЕРЬТЕ ШИНЫ CAN НА КОРОТКОЕ ЗАМЫКАНИЕ (СО СТОРОНЫ РАЗЪЕМА РАСПРЕДЕЛИТЕЛЬНОГО БЛОКА ШИНЫ CAN № 2)


    1. A01XB9RE01
      Обозначения на рисунке
      *a

      Устройство с подсоединенным жгутом проводов

      (главный ЭБУ кузова [распределительный блок с левой стороны кожуха])

      *b Вид спереди разъема DLC3

      Отсоедините разъем L29 распределительного блока шины CAN № 2.

    2. Измерьте сопротивление в соответствии со значениями, приведенными в таблице ниже.

      Номинальное сопротивление
      Подключение диагностического прибора Положение переключателя Заданные условия
      E3-16 (CANP) - E3-15 (CANN) Зажигание выключено 108-132 Ом
      E3-16 (CANP) - E22-4 (CG) Зажигание выключено 200 Ом или более
      E3-15 (CANN) - E22-4 (CG) Зажигание выключено 200 Ом или более
      E3-16 (CANP) - E22-16 (BAT) Зажигание выключено 6 кОм или более
      E3-15 (CANN) - E22-16 (BAT) Зажигание выключено 6 кОм или более

    NG
    OK
  31. ПРОВЕРЬТЕ ШИНЫ CAN НА КОРОТКОЕ ЗАМЫКАНИЕ (РАЗЪЕМ РАСПРЕДЕЛИТЕЛЬНОГО БЛОКА CAN № 2 - ЭБУ АВТОМАТИЗИРОВАННОГО ПРИВОДА ДВЕРИ БАГАЖНОГО ОТДЕЛЕНИЯ)

    Note

    Для автомобилей без системы автоматизированного привода двери багажного отделения перейдите к шагу "Проверьте шину CAN на короткое замыкание (разъем распределительного блока шины CAN № 2 - ЭБУ системы предупреждения о ненадлежащем давлении в шинах)".


    1. A01X9MME01
      Обозначения на рисунке
      *a

      Вид сзади разъема со стороны жгута проводов

      (к разъему распределительного блока шины CAN № 2)

      *b Вид спереди разъема DLC3

      Отсоедините разъем L54 распределительного блока шины CAN № 2.

    2. Измерьте сопротивление в соответствии со значениями, приведенными в таблице ниже.

      Номинальное сопротивление
      Подключение диагностического прибора Положение переключателя Заданные условия
      L54-1 (CANH) - L54-2 (CANL) Зажигание выключено 200 Ом или более
      L54-1 (CANH) - E22-4 (CG) Зажигание выключено 200 Ом или более
      L54-2 (CANL) - E22-4 (CG) Зажигание выключено 200 Ом или более
      L54-1 (CANH) - E22-16 (BAT) Зажигание выключено 6 кОм или более
      L54-2 (CANL) - E22-16 (BAT) Зажигание выключено 6 кОм или более

    NG
    OK
  32. ПРОВЕРЬТЕ ШИНЫ CAN НА КОРОТКОЕ ЗАМЫКАНИЕ (РАЗЪЕМ РАСПРЕДЕЛИТЕЛЬНОГО БЛОКА ШИНЫ CAN № 2 – ГЛАВНЫЙ ЭБУ КУЗОВА № 2)


    1. A01X90JE01
      Обозначения на рисунке
      *a

      Вид сзади разъема со стороны жгута проводов

      (к разъему распределительного блока шины CAN № 2)

      *b Вид спереди разъема DLC3

      Отсоедините разъем L57 распределительного блока шины CAN № 2.

    2. Измерьте сопротивление в соответствии со значениями, приведенными в таблице ниже.

      Номинальное сопротивление
      Подключение диагностического прибора Положение переключателя Заданные условия
      L57-1 (CANH) - L57-2 (CANL) Зажигание выключено 200 Ом или более
      L57-1 (CANH) - E22-4 (CG) Зажигание выключено 200 Ом или более
      L57-2 (CANL) - E22-4 (CG) Зажигание выключено 200 Ом или более
      L57-1 (CANH) - E22-16 (BAT) Зажигание выключено 6 кОм или более
      L57-2 (CANL) - E22-16 (BAT) Зажигание выключено 6 кОм или более

    NG
    OK
  33. ПРОВЕРЬТЕ ШИНЫ CAN НА КОРОТКОЕ ЗАМЫКАНИЕ (РАЗЪЕМ РАСПРЕДЕЛИТЕЛЬНОГО БЛОКА CAN № 2 - ЭБУ СИСТЕМЫ ПРЕДУПРЕЖДЕНИЯ О НЕНАДЛЕЖАЩЕМ ДАВЛЕНИИ В ШИНАХ)

    Note

    Для автомобилей без системы система контроля давления в шинах перейдите к шагу "Замените распределительный блок шины CAN № 2".


    1. A01X61EE01
      Обозначения на рисунке
      *a

      Вид сзади разъема со стороны жгута проводов

      (к разъему распределительного блока шины CAN № 2)

      *b Вид спереди разъема DLC3

      Отсоедините разъем L58 распределительного блока шины CAN № 2.

    2. Измерьте сопротивление в соответствии со значениями, приведенными в таблице ниже.

      Номинальное сопротивление
      Подключение диагностического прибора Положение переключателя Заданные условия
      L58-1 (CANH) - L58-2 (CANL) Зажигание выключено 200 Ом или более
      L58-1 (CANH) - E22-4 (CG) Зажигание выключено 200 Ом или более
      L58-2 (CANL) - E22-4 (CG) Зажигание выключено 200 Ом или более
      L58-1 (CANH) - E22-16 (BAT) Зажигание выключено 6 кОм или более
      L58-2 (CANH) - E22-16 (BAT) Зажигание выключено 6 кОм или более

    OK
    NG
  34. ПОДСОЕДИНИТЕ РАЗЪЕМ


    1. Подсоедините разъемы L29 и L30 распределительного блока шины CAN № 2.


    ДАЛЕЕ
  35. ПРОВЕРЬТЕ ШИНЫ CAN НА КОРОТКОЕ ЗАМЫКАНИЕ (РАЗЪЕМ РАСПРЕДЕЛИТЕЛЬНОГО БЛОКА № 8 - РАЗЪЕМ РАСПРЕДЕЛИТЕЛЬНОГО БЛОКА ШИНЫ CAN № 2)


    1. A01X8JNE02
      Обозначения на рисунке
      *a

      Вид сзади разъема со стороны жгута проводов

      (к разъему распределительного блока № 8)

      *b Вид спереди разъема DLC3

      Отсоедините разъем E73 распределительного блока № 8.

    2. Измерьте сопротивление в соответствии со значениями, приведенными в таблице ниже.

      Номинальное сопротивление
      Подключение диагностического прибора Положение переключателя Заданные условия
      E73-1 (CANH) - E73-12 (CANL) Зажигание выключено 108-132 Ом
      E73-1 (CANH) - E22-4 (CG) Зажигание выключено 200 Ом или более
      E73-12 (CANL) - E22-4 (CG) Зажигание выключено 200 Ом или более
      E73-1 (CANH) - E22-16 (BAT) Зажигание выключено 6 кОм или более
      E73-12 (CANL) - E22-16 (BAT) Зажигание выключено 6 кОм или более

    NG
    OK
  36. ПРОВЕРЬТЕ ШИНЫ CAN НА КОРОТКОЕ ЗАМЫКАНИЕ (РАЗЪЕМ РАСПРЕДЕЛИТЕЛЬНОГО БЛОКА № 8 - ЭБУ СТЕКЛООЧИСТИТЕЛЯ ВЕТРОВОГО СТЕКЛА)

    Note

    Для моделей без датчика дождя перейдите к разделу "Проверьте шины CAN на короткое замыкание (разъем распределительного блока № 8 - главный ЭБУ кузова)".


    1. A01X9Z4E02
      Обозначения на рисунке
      *a

      Вид сзади разъема со стороны жгута проводов

      (к разъему распределительного блока № 8)

      *b Вид спереди разъема DLC3

      Измерьте сопротивление в соответствии со значениями, приведенными в таблице ниже.

      Номинальное сопротивление
      Подключение диагностического прибора Положение переключателя Заданные условия
      E73-4 (CANH) - E73-15 (CANL) Зажигание выключено 200 Ом или более
      E73-4 (CANH) - E22-4 (CG) Зажигание выключено 200 Ом или более
      E73-15 (CANL) - E22-4 (CG) Зажигание выключено 200 Ом или более
      E73-4 (CANH) - E22-16 (BAT) Зажигание выключено 6 кОм или более
      E73-15 (CANL) - E22-16 (BAT) Зажигание выключено 6 кОм или более

    NG
    OK
  37. ПРОВЕРЬТЕ ШИНЫ CAN НА КОРОТКОЕ ЗАМЫКАНИЕ (РАЗЪЕМ РАСПРЕДЕЛИТЕЛЬНОГО БЛОКА № 8 - ГЛАВНЫЙ ЭБУ КУЗОВА)


    1. A01X4XHE02
      Обозначения на рисунке
      *a

      Вид сзади разъема со стороны жгута проводов

      (к разъему распределительного блока № 8)

      *b Вид спереди разъема DLC3

      Измерьте сопротивление в соответствии со значениями, приведенными в таблице ниже.

      Номинальное сопротивление
      Подключение диагностического прибора Положение переключателя Заданные условия
      E73-3 (CANH) - E73-14 (CANL) Зажигание выключено 108-132 Ом
      E73-3 (CANH) - E22-4 (CG) Зажигание выключено 200 Ом или более
      E73-14 (CANL) - E22-4 (CG) Зажигание выключено 200 Ом или более
      E73-3 (CANH) - E22-16 (BAT) Зажигание выключено 6 кОм или более
      E73-14 (CANL) - E22-16 (BAT) Зажигание выключено 6 кОм или более

    OK
    NG
  38. ПОДСОЕДИНИТЕ РАЗЪЕМ


    1. Подсоедините разъем E70 распределительного блока № 10.


    СЛЕДУЮЩЕЕ -
  39. ПРОВЕРЬТЕ ШИНЫ CAN НА КОРОТКОЕ ЗАМЫКАНИЕ (ЩИТОК ПРИБОРОВ)


    1. A01X4QTE01
      Обозначения на рисунке
      *a

      Вид спереди разъема со стороны жгута проводов:

      (к щитку приборов в сборе)

      *b Вид спереди разъема DLC3

      Отсоедините разъем E7 щитка приборов.

    2. Измерьте сопротивление в соответствии со значениями, приведенными в таблице ниже.

      Номинальное сопротивление
      Подключение диагностического прибора Положение переключателя Заданные условия
      E7-1 (MPX+) - E7-2 (MPX-) Зажигание выключено 108-132 Ом
      E7-1 (MPX+) - E22-4 (CG) Зажигание выключено 200 Ом или более
      E7-2 (MPX-) - E22-4 (CG) Зажигание выключено 200 Ом или более
      E7-1 (MPX+) - E22-16 (BAT) Зажигание выключено 6 кОм или более
      E7-2 (MPX-) - E22-16 (BAT) Зажигание выключено 6 кОм или более
      Результат
      Результат Перейти к
      OK (для моделей с мультиинформационным дисплеем) А
      OK (для моделей без мультиинформационного дисплея) B
      NG C

    A
    B
    C
  40. ПОДСОЕДИНИТЕ РАЗЪЕМ


    1. Подсоедините разъем E76 распределительного блока № 9.


    ДАЛЕЕ
  41. ПРОВЕРЬТЕ ШИНЫ CAN НА КОРОТКОЕ ЗАМЫКАНИЕ (ЭБУ И ПЕРЕКЛЮЧАТЕЛЬ УПРАВЛЕНИЯ ПОЛОЖЕНИЕМ)


    1. A01X7BNE02
      Обозначения на рисунке
      *a

      Вид спереди разъема со стороны жгута проводов:

      (к ЭБУ и переключателю управления положением)

      *b Вид спереди разъема DLC3

      Отсоедините разъем c27 ЭБУ и переключателя управления положением.

    2. Измерьте сопротивление в соответствии со значениями, приведенными в таблице ниже.

      Номинальное сопротивление
      Подключение диагностического прибора Положение переключателя Заданные условия
      c27-5 (MPX1) - c27-1 (MPX2) Зажигание выключено 54 - 69 Ом
      c27-5 (MPX1) - E22-4 (CG) Зажигание выключено 200 Ом или более
      c27-1 (MPX2) - E22-4 (CG) Зажигание выключено 200 Ом или более
      c27-5 (MPX1) - E22-16 (BAT) Зажигание выключено 6 кОм или более
      c27-1 (MPX2) - E22-16 (BAT) Зажигание выключено 6 кОм или более

    OK
    NG
  42. ПОДСОЕДИНИТЕ РАЗЪЕМ


    1. Подсоедините разъем E76 распределительного блока № 9.


    ДАЛЕЕ
  43. ПРОВЕРЬТЕ ШИНЫ CAN НА КОРОТКОЕ ЗАМЫКАНИЕ (МУЛЬТИПЛЕКСНЫЙ ЭБУ РЕГУЛИРОВКИ НАКЛОНА И ТЕЛЕСКОПИЧЕСКОГО ИЗМЕНЕНИЯ ВЫСОТЫ)


    1. A01X5ELE02
      Обозначения на рисунке
      *a

      Вид спереди разъема со стороны жгута проводов:

      (к мультиплексному ЭБУ регулировки наклона и телескопического изменения высоты)

      *b Вид спереди разъема DLC3

      Отсоедините разъем Е27 мультиплексного ЭБУ регулировки наклона и телескопического изменения высоты.

    2. Измерьте сопротивление в соответствии со значениями, приведенными в таблице ниже.

      Номинальное сопротивление
      Подключение диагностического прибора Положение переключателя Заданные условия
      E27-5 (CANP) - E27-14 (CANN) Зажигание выключено 54 - 69 Ом
      E27-5 (CANP) - E22-4 (CG) Зажигание выключено 200 Ом или более
      E27-14 (CANN) - E22-4 (CG) Зажигание выключено 200 Ом или более
      E27-5 (CANP) - E22-16 (BAT) Зажигание выключено 6 кОм или более
      E27-14 (CANN) - E22-16 (BAT) Зажигание выключено 6 кОм или более

    OK
    NG
  44. ПОДСОЕДИНИТЕ РАЗЪЕМ


    1. Подсоедините разъем E76 распределительного блока № 9.


    ДАЛЕЕ
  45. ПРОВЕРЬТЕ ШИНЫ CAN НА КОРОТКОЕ ЗАМЫКАНИЕ (ЭБУ ЭЛЕКТРОПРИВОДА НАРУЖНОГО ЗЕРКАЛА)


    1. A01X3W4E02
      Обозначения на рисунке
      *a

      Вид спереди разъема со стороны жгута проводов:

      (к ЭБУ электропривода наружного зеркала)

      *b Вид спереди разъема DLC3

      Отсоедините разъем I24 ЭБУ электропривода наружного зеркала.

    2. Измерьте сопротивление в соответствии со значениями, приведенными в таблице ниже.

      Номинальное сопротивление
      Подключение диагностического прибора Положение переключателя Заданные условия
      I24-1 (CANH) - I24-21 (CANL) Зажигание выключено 54 - 69 Ом
      I24-1 (CANH) - E22-4 (CG) Зажигание выключено 200 Ом или более
      I24-21 (CANL) - E22-4 (CG) Зажигание выключено 200 Ом или более
      I24-1 (CANH) - E22-16 (BAT) Зажигание выключено 6 кОм или более
      I24-21 (CANL) - E22-16 (BAT) Зажигание выключено 6 кОм или более

    OK
    NG
  46. ПОДСОЕДИНИТЕ РАЗЪЕМ


    1. Подсоедините разъем E76 распределительного блока № 9.


    ДАЛЕЕ
  47. ПРОВЕРЬТЕ ШИНЫ CAN НА КОРОТКОЕ ЗАМЫКАНИЕ (ЭБУ СЕРТИФИКАЦИИ)


    1. A01XBROE02
      Обозначения на рисунке
      *a

      Вид спереди разъема со стороны жгута проводов:

      (к ЭБУ сертификации [ЭБУ электронного ключа зажигания в сборе])

      *b Вид спереди разъема DLC3

      Отсоедините разъем E29 ЭБУ сертификации (ЭБУ электронного ключа зажигания в сборе).

    2. Измерьте сопротивление в соответствии со значениями, приведенными в таблице ниже.

      Номинальное сопротивление
      Подключение диагностического прибора Положение переключателя Заданные условия
      E29-27 (CANH) - E29-28 (CANL) Зажигание выключено 54 - 69 Ом
      E29-27 (CANH) - E22-4 (CG) Зажигание выключено 200 Ом или более
      E29-28 (CANL) - E22-4 (CG) Зажигание выключено 200 Ом или более
      E29-27 (CANH) - E22-16 (BAT) Зажигание выключено 6 кОм или более
      E29-28 (CANL) - E22-16 (BAT) Зажигание выключено 6 кОм или более

    OK
    NG
  48. ПОДСОЕДИНИТЕ РАЗЪЕМ


    1. Подсоедините разъемы L29, L30 и L54 распределительного блока шины CAN № 2.


    ДАЛЕЕ
  49. ПРОВЕРЬТЕ ШИНЫ CAN НА КОРОТКОЕ ЗАМЫКАНИЕ (ЭБУ АВТОМАТИЗИРОВАННОГО ПРИВОДА ДВЕРИ БАГАЖНОГО ОТДЕЛЕНИЯ)


    1. A01X1JKE01
      Обозначения на рисунке
      *a

      Вид сзади разъема со стороны жгута проводов

      (к блоку автоматизированного привода двери багажного отделения в сборе [ЭБУ автоматизированного привода двери багажного отделения])

      *b Вид спереди разъема DLC3

      Отсоедините разъем L52 блока автоматизированного привода двери багажного отделения в сборе (ЭБУ автоматизированного привода двери багажного отделения).

    2. Измерьте сопротивление в соответствии со значениями, приведенными в таблице ниже.

      Номинальное сопротивление
      Подключение диагностического прибора Положение переключателя Заданные условия
      L52-6 (MPX1) - L52-5 (MPX2) Зажигание выключено 54 - 69 Ом
      L52-6 (MPX1) - E22-4 (CG) Зажигание выключено 200 Ом или более
      L52-5 (MPX2) - E22-4 (CG) Зажигание выключено 200 Ом или более
      L52-6 (MPX1) - E22-16 (BAT) Зажигание выключено 6 кОм или более
      L52-5 (MPX2) - E22-16 (BAT) Зажигание выключено 6 кОм или более

    OK
    NG
  50. ПОДСОЕДИНИТЕ РАЗЪЕМ


    1. Подсоедините разъемы L29, L30, L54 и L57 распределительного блока шины CAN № 2.


    ДАЛЕЕ
  51. ПРОВЕРЬТЕ ШИНЫ CAN НА КОРОТКОЕ ЗАМЫКАНИЕ (ГЛАВНЫЙ ЭБУ КУЗОВА № 2)


    1. A01X7XVE01
      Обозначения на рисунке
      *a

      Вид сзади разъема со стороны жгута проводов

      (к главному ЭБУ кузова № 2)

      *b Вид спереди разъема DLC3

      Отсоедините разъем L50 главного ЭБУ кузова № 2.

    2. Измерьте сопротивление в соответствии со значениями, приведенными в таблице ниже.

      Номинальное сопротивление
      Подключение диагностического прибора Положение переключателя Заданные условия
      L50-11 (MPX+) - L50-12 (MPX-) Зажигание выключено 54 - 69 Ом
      L50-11 (MPX+) - E22-4 (CG) Зажигание выключено 200 Ом или более
      L50-12 (MPX-) - E22-4 (CG) Зажигание выключено 200 Ом или более
      L50-11 (MPX+) - E22-16 (BAT) Зажигание выключено 6 кОм или более
      L50-12 (MPX-) - E22-16 (BAT) Зажигание выключено 6 кОм или более

    OK
    NG
  52. ПОДСОЕДИНИТЕ РАЗЪЕМ


    1. Подсоедините разъемы L29, L30, L54, L57 и L58 распределительного блока шины CAN № 2.


    ДАЛЕЕ
  53. ПРОВЕРЬТЕ ШИНЫ CAN НА КОРОТКОЕ ЗАМЫКАНИЕ (ЭБУ СИСТЕМЫ ПРЕДУПРЕЖДЕНИЯ О НЕНАДЛЕЖАЩЕМ ДАВЛЕНИИ В ШИНАХ)


    1. A01X7F2E01
      Обозначения на рисунке
      *a

      Вид спереди разъема со стороны жгута проводов:

      (к ЭБУ и приемнику системы предупреждения о ненадлежащем давлении в шинах)

      *b Вид спереди разъема DLC3

      Отсоедините разъем L60 ЭБУ с приемником системы предупреждения о ненадлежащем давлении в шинах.

    2. Измерьте сопротивление в соответствии со значениями, приведенными в таблице ниже.

      Номинальное сопротивление
      Подключение диагностического прибора Положение переключателя Заданные условия
      L60-3 (CP1) - L60-6 (CN1) Зажигание выключено 54 - 69 Ом
      L60-3 (CP1) - E22-4 (CG) Зажигание выключено 200 Ом или более
      L60-6 (CN1) - E22-4 (CG) Зажигание выключено 200 Ом или более
      L60-3 (CP1) - E22-16 (BAT) Зажигание выключено 6 кОм или более
      L60-6 (CN1) - E22-16 (BAT) Зажигание выключено 6 кОм или более

    OK
    NG
  54. ПОДСОЕДИНИТЕ РАЗЪЕМ


    1. Подсоедините разъем E73 распределительного блока № 8.


    ДАЛЕЕ
  55. ПРОВЕРЬТЕ ЛИНИИ ШИНЫ CAN НА КОРОТКОЕ ЗАМЫКАНИЕ (ЭБУ СТЕКЛООЧИСТИТЕЛЯ ВЕТРОВОГО СТЕКЛА)


    1. A01X8FLE02
      Обозначения на рисунке
      *a

      Вид спереди разъема со стороны жгута проводов:

      (к ЭБУ стеклоочистителя ветрового стекла)

      *b Вид спереди разъема DLC3

      Отсоедините разъем E85 ЭБУ стеклоочистителя ветрового стекла.

    2. Измерьте сопротивление в соответствии со значениями, приведенными в таблице ниже.

      Номинальное сопротивление
      Подключение диагностического прибора Положение переключателя Заданные условия
      E85-6 (CANH) - E85-5 (CANL) Зажигание выключено 54 - 69 Ом
      E85-6 (CANH) - E22-4 (CG) Зажигание выключено 200 Ом или более
      E85-5 (CANL) - E22-4 (CG) Зажигание выключено 200 Ом или более
      E85-6 (CANH) - E22-16 (BAT) Зажигание выключено 6 кОм или более
      E85-5 (CANL) - E22-16 (BAT) Зажигание выключено 6 кОм или более

    OK
    NG
  56. ПОДСОЕДИНИТЕ РАЗЪЕМ


    1. Подсоедините разъем E73 распределительного блока № 8.


    ДАЛЕЕ
  57. ПРОВЕРЬТЕ ШИНЫ CAN НА КОРОТКОЕ ЗАМЫКАНИЕ (ГЛАВНЫЙ ЭБУ КУЗОВА)


    1. A01X038E02
      Обозначения на рисунке
      *a

      Вид сзади разъема со стороны жгута проводов

      (к главному ЭБУ кузова [распределительному блоку с левой стороны кожуха])

      *b Вид спереди разъема DLC3

      Отсоедините разъем Е3 главного ЭБУ кузова (распределительного блока с левой стороны кожуха).

    2. Измерьте сопротивление в соответствии со значениями, приведенными в таблице ниже.

      Номинальное сопротивление
      Подключение диагностического прибора Положение переключателя Заданные условия
      E3-16 (CANP) - E3-15 (CANN) Зажигание выключено 108-132 Ом
      E3-16 (CANP) - E22-4 (CG) Зажигание выключено 200 Ом или более
      E3-15 (CANN) - E22-4 (CG) Зажигание выключено 200 Ом или более
      E3-16 (CANP) - E22-16 (BAT) Зажигание выключено 6 кОм или более
      E3-15 (CANN) - E22-16 (BAT) Зажигание выключено 6 кОм или более

    OK
    NG
  58. ПРОВЕРЬТЕ ЖГУТ ПРОВОДОВ И РАЗЪЕМ (ГЛАВНЫЙ ЭБУ КУЗОВА - АККУМУЛЯТОРНАЯ БАТАРЕЯ И МАССА)


    1. Подсоедините провод к отрицательному выводу (-) аккумуляторной батареи.

      A01X82JE01
      Обозначения на рисунке
      *a

      Вид спереди разъема со стороны жгута проводов:

      (к главному ЭБУ кузова [распределительному блоку с левой стороны кожуха])

      *b

      Вид сзади разъема со стороны жгута проводов

      (к главному ЭБУ кузова [распределительному блоку с левой стороны кожуха])

      Note

      После подсоединения провода необходимо инициализировать некоторые системы (см. стр. Click here).

    2. Отсоедините разъемы E3, 2A и 2D главного ЭБУ кузова (распределительного блока с левой стороны кожуха).

    3. Измерьте сопротивление в соответствии со значениями, приведенными в таблице ниже.

      Номинальное сопротивление
      Подключение диагностического прибора Условие Заданные условия
      2D-62 (GND2) - масса Всегда Менее 1 Ом
      E3-1 (GND3) - масса Всегда Менее 1 Ом
    4. Измерьте напряжение в соответствии со значениями, приведенными в таблице.

      Номинальное напряжение
      Подключение диагностического прибора Условие Заданные условия
      2A-1 (ALTB) - масса Всегда 11-14 В

    OK
    NG