СИСТЕМА ПЕРЕДАЧИ ДАННЫХ CAN (для моделей с правосторонним рулевым управлением), Diagnostic DTC:U0208

Код DTC Наименование DTC
U0208 Нарушение связи с «блоком управления сиденья А»

ОПИСАНИЕ

Код DTC Условие обнаружения DTC Неисправный участок
U0208 Нарушение связи с ЭБУ и переключателем управления положением.
  • Цепь питания ЭБУ и переключателя управления положением

  • Вспомогательная шина CAN или разъем ЭБУ и переключателя управления положением

  • ЭБУ и переключатель управления положением


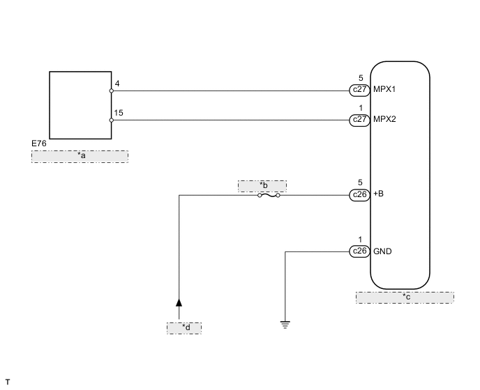
СХЕМА ЭЛЕКТРИЧЕСКИХ СОЕДИНЕНИЙ

A01X29CE01
*a Разъем распределительного блока № 9
*b FR P/SEAT RH
*c ЭБУ и переключатель управления положением
*d от аккумуляторной батареи

ПРЕДОСТЕРЕЖЕНИЕ / ПРИМЕЧАНИЕ / УКАЗАНИЕ

Note

Перед выполнением следующей процедуры проверки проверьте предохранители цепей, относящихся к данной системе.

Tech Tips

Управление замком зажигания, любыми выключателями или связанными с дверными защелками ЭБУ и датчиками, обмен данными с которыми осуществляется посредством сети CAN, приводит к колебанию сопротивления.

ПОРЯДОК ВЫПОЛНЕНИЯ


  1. МЕРЫ ПРЕДОСТОРОЖНОСТИ

    Note

    После выключения зажигания следует подождать некоторое время, прежде чем отсоединять провод от вывода аккумуляторной батареи. Поэтому, прежде чем приступать к этой работе, обязательно ознакомьтесь с примечанием относительно отсоединения провода от вывода аккумуляторной батареи (см. стр. Click here).


    ДАЛЕЕ
  2. ОТСОЕДИНИТЕ ПРОВОД ОТ ОТРИЦАТЕЛЬНОГО ВЫВОДА АККУМУЛЯТОРНОЙ БАТАРЕИ


    1. Отсоедините провод от отрицательного (-) вывода аккумуляторной батареи перед измерением сопротивления главной и вспомогательной шин CAN.

      CAUTION:

      Для автомобилей с системой SRS:

      После отсоединения провода от отрицательного (-) вывода аккумуляторной батареи подождите не менее 90 с, чтобы предотвратить срабатывание системы SRS.

      Note

      После подсоединения провода необходимо инициализировать некоторые системы (см. стр. Click here).


    ДАЛЕЕ
  3. ПРОВЕРЬТЕ ШИНУ CAN НА ОБРЫВ (ВСПОМОГАТЕЛЬНАЯ ШИНА CAN ЭБУ И ПЕРЕКЛЮЧАТЕЛЯ УПРАВЛЕНИЯ ПОЛОЖЕНИЕМ)


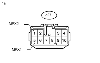
    1. A01X8TSE01
      Обозначения на рисунке
      *a

      Вид спереди разъема со стороны жгута проводов:

      (к ЭБУ и переключателю управления положением)

      Отсоедините разъем c27 ЭБУ и переключателя управления положением.

    2. Измерьте сопротивление в соответствии со значениями, приведенными в таблице ниже.

      Номинальное сопротивление
      Подключение диагностического прибора Положение переключателя Заданные условия
      c27-5 (MPX1) - c27-1 (MPX2) Замок зажигания в положении OFF (ВЫКЛ) 54 - 69 Ом

    NG
    OK
  4. ПРОВЕРЬТЕ ЖГУТ ПРОВОДОВ И РАЗЪЕМ (ЭБУ И ПЕРЕКЛЮЧАТЕЛЬ УПРАВЛЕНИЯ ПОЛОЖЕНИЕМ - АККУМУЛЯТОРНАЯ БАТАРЕЯ И МАССА)


    1. A01X2T2E01
      Обозначения на рисунке
      *a

      Вид спереди разъема со стороны жгута проводов:

      (к ЭБУ и переключателю управления положением)

      Подсоедините провод к отрицательному выводу (-) аккумуляторной батареи.

      Note

      После подсоединения провода необходимо инициализировать некоторые системы (см. стр. Click here).

    2. Отсоедините разъем c26 ЭБУ и переключателя управления положением.

    3. Измерьте напряжение в соответствии со значениями, приведенными в таблице.

      Номинальное напряжение
      Подключение диагностического прибора Условие Заданные условия
      c26-5 (+B) - масса Всегда 11-14 В
    4. Измерьте сопротивление в соответствии со значениями, приведенными в таблице ниже.

      Номинальное сопротивление
      Подключение диагностического прибора Условие Заданные условия
      c26-1 (GND) - масса Всегда Менее 1 Ом

    OK
    NG