СИСТЕМА ПЕРЕДАЧИ ДАННЫХ CAN (для моделей с правосторонним рулевым управлением) Прекращение обмена данными с главным ЭБУ кузова

ОПИСАНИЕ

Неисправность Признак Неисправный участок
Прекращение обмена данными с главным ЭБУ кузова

Выполняется любое из следующих условий:


  • В окне "Bus Check" (проверка шин) не отображается "Main Body" (главный ЭБУ кузовом).

  • Относится к "Режиму прекращения обмена данными с главным ЭБУ кузовом" в "Таблице обмена данными DTC".


  • Источник питания или внутренняя неисправность главного ЭБУ кузова (распределительного блока с левой стороны кожуха)

  • Вспомогательная шина CAN или разъем главного ЭБУ кузова (распределительного блока с левой стороны кожуха)

  • Главный ЭБУ кузова (распределительный блок с левой стороны кожуха)

СХЕМА СОЕДИНЕНИЙ

A01X51CE08
*a Разъем распределительного блока № 1
*b DOOR № 1
*c От аккумуляторной батареи
*d Главный ЭБУ кузова

ПРЕДОСТЕРЕЖЕНИЕ / ПРИМЕЧАНИЕ / УКАЗАНИЕ

Note

Перед выполнением следующей процедуры проверки проверьте предохранители цепей, относящихся к данной системе.

Tech Tips

Управление замком зажигания, любыми выключателями или связанными с дверными защелками ЭБУ и датчиками, обмен данными с которыми осуществляется посредством сети CAN, приводит к колебанию сопротивления.

ПОРЯДОК ВЫПОЛНЕНИЯ


  1. МЕРЫ ПРЕДОСТОРОЖНОСТИ

    Note

    После выключения зажигания следует подождать некоторое время, прежде чем отсоединять провод от вывода аккумуляторной батареи. Поэтому, прежде чем приступать к этой работе, обязательно ознакомьтесь с примечанием относительно отсоединения провода от вывода аккумуляторной батареи (см. стр. Click here).


    ДАЛЕЕ
  2. ОТСОЕДИНИТЕ ПРОВОД ОТ ОТРИЦАТЕЛЬНОГО ВЫВОДА АККУМУЛЯТОРНОЙ БАТАРЕИ


    1. Отсоедините провод от отрицательного (-) вывода аккумуляторной батареи перед измерением сопротивления главной и вспомогательной шин CAN.

      CAUTION:

      Для моделей с системой SRS:

      После отсоединения провода от отрицательного (-) вывода аккумуляторной батареи подождите не менее 90 с, чтобы предотвратить срабатывание системы SRS.

      Note

      После подсоединения провода необходимо инициализировать некоторые системы (см. стр. Click here).


    ДАЛЕЕ
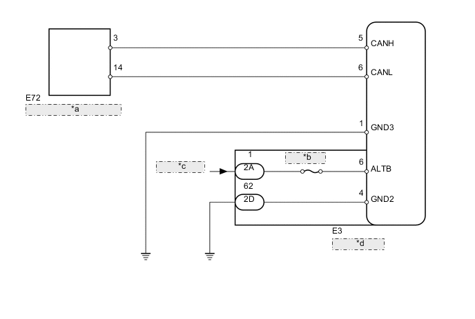
  3. ПРОВЕРЬТЕ ШИНУ CAN НА ОБРЫВ (ВСПОМОГАТЕЛЬНАЯ ШИНА CAN ГЛАВНОГО ECU (ЭБУ) КУЗОВА)


    1. A01XB1QE01
      Обозначения на рисунке
      *a

      Вид сзади разъема со стороны жгута проводов

      (к главному ЭБУ кузова [распределительному блоку с левой стороны кожуха])

      Отсоедините разъем Е3 главного ЭБУ кузова (распределительного блока с левой стороны кожуха).

    2. Измерьте сопротивление в соответствии со значениями, приведенными в таблице ниже.

      Номинальное сопротивление
      Контакты для подключения диагностического прибора Положение переключателя Заданные условия
      E3-5 (CANH) - E3-6 (CANL) Зажигание выключено 54 - 69 Ом

    NG
    OK
  4. ПРОВЕРЬТЕ ЖГУТ ПРОВОДОВ И РАЗЪЕМ (ГЛАВНЫЙ ЭБУ КУЗОВА - АККУМУЛЯТОРНАЯ БАТАРЕЯ И МАССА)


    1. Подсоедините провод к отрицательному (-) выводу аккумуляторной батареи.

      A01X82JE01
      Обозначения на рисунке
      *a

      Вид спереди разъема со стороны жгута проводов:

      (к главному ЭБУ кузова [распределительному блоку с левой стороны кожуха])

      *b

      Вид сзади разъема со стороны жгута проводов

      (к главному ЭБУ кузова [распределительному блоку с левой стороны кожуха])

      Note

      После подсоединения провода необходимо инициализировать некоторые системы (см. стр. Click here).

    2. Отсоедините разъемы E3, 2A и 2D главного ЭБУ кузова (распределительного блока с левой стороны кожуха).

    3. Измерьте напряжение в соответствии со значениями, приведенными в таблице.

      Номинальное напряжение
      Контакты для подключения диагностического прибора Условие Заданные условия
      2A-1 (ALTB) - масса Всегда 11 - 14 В
    4. Измерьте сопротивление в соответствии со значениями, приведенными в таблице ниже.

      Номинальное сопротивление
      Контакты для подключения диагностического прибора Условие Заданные условия
      2D-62 (GND2) - масса Всегда Менее 1 Ом
      E3-1 (GND3) - масса Всегда Менее 1 Ом

    OK
    NG