СИСТЕМА ПЕРЕДАЧИ ДАННЫХ LIN Неисправность системы передачи данных LIN панели управления задним отопителем

ОПИСАНИЕ

Обмен данными по шине LIN между устройствами, связанными с задней системой кондиционирования, осуществляется между блоком управления системой кондиционирования, панелью управления системой кондиционирования и панелью управления системой кондиционирования № 2*.


СХЕМА ЭЛЕКТРИЧЕСКИХ СОЕДИНЕНИЙ

B001Z2AE02
B001WW9E02

ПРЕДОСТЕРЕЖЕНИЕ / ПРИМЕЧАНИЕ / УКАЗАНИЕ

Note


  • При использовании GTS для диагностики с выключенным зажиганием:

    Подключите GTS к автомобилю и с 1,5-секундным интервалом включайте и выключайте освещение дверного проема до тех пор, пока не установится связь между GTS и автомобилем.

  • Перед выполнением следующей процедуры проверки проверьте предохранители цепей, относящихся к данной системе.

ПОРЯДОК ВЫПОЛНЕНИЯ


  1. ОПРЕДЕЛИТЕ ТИП СИСТЕМЫ КОНДИЦИОНИРОВАНИЯ


    1. Определите тип системы кондиционирования.

      Результат
      Результат Следующий шаг
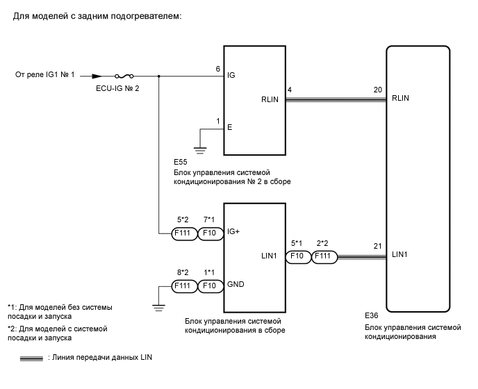
      Для моделей с задним подогревателем А
      Для моделей без заднего подогревателя B

    B
    А
  2. ПРОВЕРЬТЕ ЖГУТ ПРОВОДОВ И РАЗЪЕМ (БЛОК УПРАВЛЕНИЯ СИСТЕМОЙ КОНДИЦИОНИРОВАНИЯ – ПАНЕЛЬ СИСТЕМЫ КОНДИЦИОНИРОВАНИЯ № 2)


    1. Отсоедините разъем E36 блока управления системой кондиционирования.

    2. Отсоедините разъем E55 панели.

    3. Измерьте сопротивление в соответствии со значениями, приведенными в таблицах.

      Номинальное сопротивление
      Подключение диагностического прибора Условие Заданные условия
      E36-20 (RLIN) - E55-4 (RLIN) Всегда Менее 1 Ом
      E36-20 (RLIN) - масса Всегда Менее 1 Ом

    NG
    OK
  3. ПРОВЕРЬТЕ ЖГУТ ПРОВОДОВ И РАЗЪЕМ (ПАНЕЛЬ УПРАВЛЕНИЯ СИСТЕМЫ КОНДИЦИОНИРОВАНИЯ № 2 – АККУМУЛЯТОРНАЯ БАТАРЕЯ И МАССА)


    1. B001YBNE01
      Обозначения на рисунке
      *a

      Вид спереди разъема со стороны жгута проводов:

      (к панели управления системой кондиционирования № 2)

      Отсоедините разъем панели.

    2. Измерьте сопротивление и напряжение в соответствии со значениями, приведенными в таблице.

      Номинальное сопротивление
      Подключение диагностического прибора Условие Заданные условия
      E55-1 (E) - масса Всегда Менее 1 Ом
      Номинальное напряжение
      Подключение диагностического прибора Положение переключателя Заданные условия
      E55-6 (IG) - масса Зажигание включено 11 - 14 В

    NG
    OK
  4. ПРОВЕРЬТЕ ПАНЕЛЬ УПРАВЛЕНИЯ СИСТЕМОЙ КОНДИЦИОНИРОВАНИЯ № 2


    1. Временно замените панель управления системы кондиционирования № 2 новой или исправной (см. стр. Click here).

    2. Проверьте работоспособность задней системы кондиционирования.

      OK
      Задний кондиционер работает нормально.
      Результат
      Результат Следующий шаг
      OK А
      NG (для моделей с системой навигации) B
      NG (для моделей без системы навигации) C

    А
    C
    B
  5. ПРОВЕРЬТЕ ЖГУТ И РАЗЪЕМ (БЛОК УПРАВЛЕНИЯ СИСТЕМОЙ КОНДИЦИОНИРОВАНИЯ – ПАНЕЛЬ УПРАВЛЕНИЯ СИСТЕМОЙ КОНДИЦИОНИРОВАНИЯ)


    • *1: Для моделей с задним подогревателем

    • *2: Для моделей без заднего подогревателя

    • *3: для моделей без системы посадки и запуска

    • *4: для моделей с системой посадки и запуска


    1. Отсоедините разъем E36*1 или E81*2 блока управления системой кондиционирования

    2. Отсоедините разъем F10*3 или F111*4 панели.

    3. Измерьте сопротивление в соответствии со значениями, приведенными в таблицах.

      Номинальное сопротивление
      Для моделей с задним подогревателем
      Контакты для подключения диагностического прибора Условие Заданные условия
      E36-21 (LIN1) - F10-5 (LIN1)*3 Всегда Менее 1 Ом
      E36-21 (LIN1) - F111-2 (LIN1)*4 Всегда Менее 1 Ом
      E36-21 (LIN1) - масса Всегда 10 кОм или более
      Для моделей без заднего подогревателя
      Контакты для подключения диагностического прибора Условие Заданные условия
      E81-37 (LIN1) - F10-5 (LIN1)*3 Всегда Менее 1 Ом
      E81-37 (LIN1) - F111-2 (LIN1)*4 Всегда Менее 1 Ом
      E81-37 (LIN1) - масса Всегда 10 кОм или более

    NG
    OK
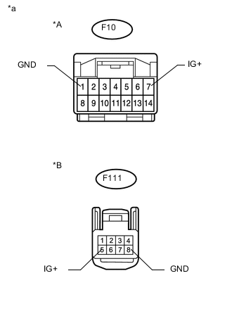
  6. ПРОВЕРЬТЕ ЖГУТ ПРОВОДОВ И РАЗЪЕМ (ПАНЕЛЬ УПРАВЛЕНИЯ СИСТЕМЫ КОНДИЦИОНИРОВАНИЯ – АККУМУЛЯТОРНАЯ БАТАРЕЯ И МАССА)


    1. B001Y01E01
      Обозначения на рисунке
      *A для моделей без системы посадки и запуска
      *B для моделей с системой посадки и запуска
      *a

      Вид спереди разъема со стороны жгута проводов:

      (к блоку управления системой кондиционирования)

      Отсоедините разъем панели.

    2. Измерьте сопротивление и напряжение в соответствии со значениями, приведенными в таблице.

      Номинальное сопротивление
      для моделей без системы посадки и запуска
      Контакты для подключения диагностического прибора Условие Заданные условия
      F10-1 (GND) - масса Всегда Менее 1 Ом
      для моделей с системой посадки и запуска
      Контакты для подключения диагностического прибора Условие Заданные условия
      F111-8 (GND) - масса Всегда Менее 1 Ом
      Номинальное напряжение
      для моделей без системы посадки и запуска
      Контакты для подключения диагностического прибора Положение переключателя Заданные условия
      F10-7 (IG+) - масса Зажигание включено 11 - 14 В
      для моделей с системой посадки и запуска
      Контакты для подключения диагностического прибора Положение переключателя Заданные условия
      F111-5 (IG+) - масса Зажигание включено 11 - 14 В

    NG
    OK
  7. ПРОВЕРЬТЕ БЛОК УПРАВЛЕНИЯ СИСТЕМОЙ КОНДИЦИОНИРОВАНИЯ В СБОРЕ


    1. Временно замените блок управления системой кондиционирования в сборе новым или заведомо исправным.


      • для моделей без системы посадки и запуска: См. стр. Click here

      • Для моделей без системы навигации: См. стр. Click here

    2. Проверьте работоспособность передней системы кондиционирования.

      OK
      Передняя система кондиционирования работает нормально.

    OK
    NG