СИСТЕМА ПЕРЕДАЧИ ДАННЫХ LIN Неисправность системы передачи данных LIN датчика дождя

ОПИСАНИЕ

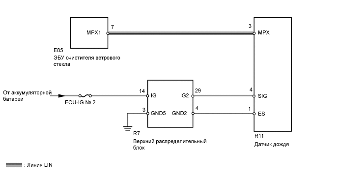
Обмен данными по шине LIN между устройствами, связанными с датчиком дождя, осуществляется между датчиком дождя и ЭБУ стеклоочистителя ветрового стекла.

СХЕМА ЭЛЕКТРИЧЕСКИХ СОЕДИНЕНИЙ

A01X3ROE01

ПРЕДОСТЕРЕЖЕНИЕ / ПРИМЕЧАНИЕ / УКАЗАНИЕ

Note

При использовании портативного диагностического прибора для диагностики с выключенным зажиганием:

Подключите портативный диагностический прибор к автомобилю и с интервалом 1,5 с включайте и выключайте выключатель освещения дверного проема до тех пор, пока не установится связь между прибором и автомобилем.

ПОРЯДОК ВЫПОЛНЕНИЯ


  1. ПРОВЕРЬТЕ ЖГУТ ПРОВОДОВ И РАЗЪЕМ (ДАТЧИК ДОЖДЯ – ЭБУ СТЕКЛООЧИСТИТЕЛЯ ВЕТРОВОГО СТЕКЛА И ВЕРХНИЙ РАСПРЕДЕЛИТЕЛЬНЫЙ БЛОК)

    A01X15UE01
    *1 Вид спереди разъема со стороны жгута проводов: (к ЭБУ стеклоочистителя ветрового стекла)
    *2 Вид спереди разъема со стороны жгута проводов: (к верхнему распределительному блоку)
    *3 Вид спереди разъема со стороны жгута проводов: (к датчику дождя)

    1. Отсоедините разъем E85 ЭБУ.

    2. Отсоедините разъем R11 датчика.

    3. Отсоедините разъем R7 распределительного блока.

    4. Измерьте сопротивление в соответствии со значениями, приведенными в таблице ниже.

      Номинальное сопротивление
      Подключение диагностического прибора Условие Заданные условия
      R11-3 (MPX) - E85-7 (MPX1) Всегда Менее 1 Ом
      R11-4 (SIG) - R7-29 (IG2) Всегда Менее 1 Ом
      R11-1 (ES) - R7-4 (GND2) Всегда Менее 1 Ом
      R11-3 (MPX) - Масса кузова Всегда 10 кОм или более
      R11-4 (SIG) - масса Всегда 10 кОм или более
      R11-1 (ES) - Масса кузова Всегда 10 кОм или более
    5. Подсоедините разъем R7 распределительного блока.

    6. Измерьте напряжение в соответствии со значениями, приведенными в таблице.

      Номинальное напряжение
      Подключение диагностического прибора Положение переключателя Заданные условия
      R11-4 (SIG) - масса Зажигание включено 11 - 14 В

    NG
    OK
  2. ЗАМЕНИТЕ ДАТЧИК ДОЖДЯ


    1. Временно замените датчик дождя новым (см. стр. Click here).

    2. Проверьте работоспособность датчика дождя.

      OK
      Датчик дождя работает нормально

    OK
    NG