СИСТЕМА ПЕРЕДАЧИ ДАННЫХ LIN Неисправность системы передачи данных LIN датчика дождя

ОПИСАНИЕ

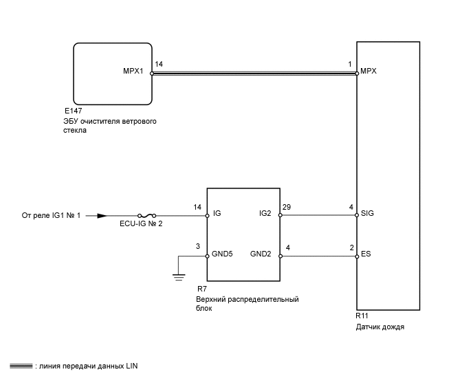
Обмен данными по шине LIN между устройствами, связанными с датчиком дождя, осуществляется между датчиком дождя и ЭБУ стеклоочистителя ветрового стекла.

СХЕМА ЭЛЕКТРИЧЕСКИХ СОЕДИНЕНИЙ

A01X6IDE04

ПРЕДОСТЕРЕЖЕНИЕ / ПРИМЕЧАНИЕ / УКАЗАНИЕ

Note


  • При использовании GTS для диагностики с выключенным зажиганием:

    Подключите GTS к автомобилю и с 1,5-секундным интервалом включайте и выключайте освещение дверного проема до тех пор, пока не установится связь между GTS и автомобилем.

  • Перед выполнением следующей процедуры проверки проверьте предохранители цепей, относящихся к данной системе.

ПОРЯДОК ВЫПОЛНЕНИЯ


  1. ПРОВЕРЬТЕ ЖГУТ ПРОВОДОВ И РАЗЪЕМ (ДАТЧИК ДОЖДЯ - ЭБУ СТЕКЛООЧИСТИТЕЛЯ ВЕТРОВОГО СТЕКЛА)


    1. Отсоедините разъем E147 ЭБУ стеклоочистителя ветрового стекла.

    2. Отсоедините разъем R11 датчика дождя.

    3. Измерьте сопротивление в соответствии со значениями, приведенными в таблице ниже.

      Номинальное сопротивление
      Подключение диагностического прибора Условие Заданные условия
      R11-1 (MPX) - E1147-14 (MPX1) Всегда Менее 1 Ом
      R11-1 (MPX) - масса Всегда Менее 1 Ом

    NG
    OK
  2. ПРОВЕРЬТЕ ЖГУТ ПРОВОДОВ И РАЗЪЕМ (ДАТЧИК ДОЖДЯ - АККУМУЛЯТОРНАЯ БАТАРЕЯ И МАССА)


    1. A01WZC8E01
      Обозначения на рисунке
      *a

      Вид спереди разъема со стороны жгута проводов:

      (к датчику дождя)

      Отсоедините разъем датчика дождя

    2. Измерьте сопротивление и напряжение в соответствии со значениями, приведенными в таблице.

      Номинальное сопротивление
      Подключение диагностического прибора Условие Заданные условия
      R11-2 (ES) - масса Всегда Менее 1 Ом
      Номинальное напряжение
      Подключение диагностического прибора Положение переключателя Заданные условия
      R11-4 (SIG) - масса Замок зажигания: OFF (ВЫКЛ) → ON (ВКЛ) Менее 1 В → 11-14 В

    NG
    OK
  3. ЗАМЕНИТЕ ДАТЧИК ДОЖДЯ


    1. Временно замените датчик дождя новым (см. стр. Click here).

    2. Проверьте работоспособность датчика дождя.

      OK
      Датчик дождя работает нормально.

    OK
    NG