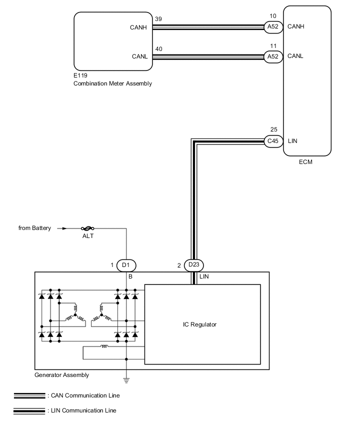
СИСТЕМА ЗАРЯДКИ АККУМУЛЯТОРНОЙ БАТАРЕИ СХЕМА СИСТЕМЫ

A01X19IE04