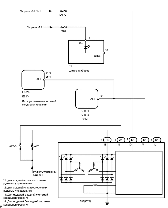
СИСТЕМА ЗАРЯДКИ АККУМУЛЯТОРНОЙ БАТАРЕИ СХЕМА СИСТЕМЫ

A01X5C8E10