СИСТЕМА ЛЮКА Цепь питания ЭБУ люка

ОПИСАНИЕ

Если не работает режим сдвига или режим подъема люка, это может быть связано с неисправностью в цепи источника питания ЭБУ люка.

СХЕМА ЭЛЕКТРИЧЕСКИХ СОЕДИНЕНИЙ

A01XB5AE02

ПОРЯДОК ВЫПОЛНЕНИЯ


  1. СНИМИТЕ ПОКАЗАНИЯ ПОРТАТИВНОГО ДИАГНОСТИЧЕСКОГО ПРИБОРА (СИГНАЛ ВЫКЛЮЧАТЕЛЯ ЗАЖИГАНИЯ)


    1. Проверьте в режиме Data List, что сигнал выключателя зажигания в норме (см. стр. Click here).

      Люк
      Информация на дисплее прибора Испытываемое устройство Диапазон регулирования Замечание по диагностике
      Ignition (MPX) Сигнал замка зажигания (сигнал MPX) / ON (ВКЛ) или OFF (ВЫКЛ)

      ON (ВКЛ): Зажигание включено (IG)

      OFF (ВЫКЛ): Зажигание выключено

      -
      Ignition (Direct Signal) Сигнал замка зажигания / ON (ВКЛ) или OFF (ВЫКЛ)

      ON (ВКЛ): Зажигание включено (IG)

      OFF (ВЫКЛ): Зажигание выключено

      -
      OK
      При управлении каждым переключателем показания портативного диагностического прибора соответствуют таблице.

    OK
    NG
  2. ПОВЕРЬТЕ ПЛАВКИЙ ПРЕДОХРАНИТЕЛЬ (S/ROOF, ECU-IG № 2)


    1. Извлеките предохранители S/ROOF и ECU-IG № 2 из главного ЭБУ кузова.

    2. Измерьте сопротивление в соответствии со значениями, приведенными в таблице ниже.

      Номинальное сопротивление
      Подключение диагностического прибора Условие Номинальное значение
      Предохранитель S/ROOF Всегда Менее 1 Ом
      Предохранитель ECU-IG № 2 Всегда Менее 1 Ом

    NG
    OK
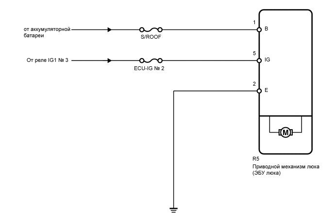
  3. ПРОВЕРЬТЕ ЖГУТ ПРОВОДОВ И РАЗЪЕМ (ПРИВОДНОЙ МЕХАНИЗМ ЛЮКА – АККУМУЛЯТОРНАЯ БАТАРЕЯ И МАССА)


    1. A01XBSTE01
      *1 Вид спереди разъема со стороны жгута проводов: (к приводному механизму люка)

      Отсоедините разъем R5 приводного механизма.

    2. Измерьте сопротивление и напряжение в соответствии со значениями, приведенными в таблице.

      Номинальное сопротивление
      Подключение диагностического прибора Условие Заданные условия
      R5-2 (E) - масса Всегда Менее 1 Ом
      Номинальное напряжение
      Подключение диагностического прибора Положение переключателя Заданные условия
      R5-1 (B) - масса Всегда 11–14 В
      R5-5 (IG) - масса Зажигание выключено Менее 1 В
      R5-5 (IG) - масса Зажигание включено (IG) 11–14 В

    OK
    NG