СИСТЕМА НАКЛОННОЙ ТЕЛЕСКОПИЧЕСКОЙ РУЛЕВОЙ КОЛОНКИ С ЭЛЕКТРОПРИВОДОМ КОНТАКТЫ ЭБУ


  1. МУЛЬТИПЛЕКСНЫЙ ЭБУ РЕГУЛИРОВКИ НАКЛОНА И ТЕЛЕСКОПИЧЕСКОГО ИЗМЕНЕНИЯ ВЫСОТЫ

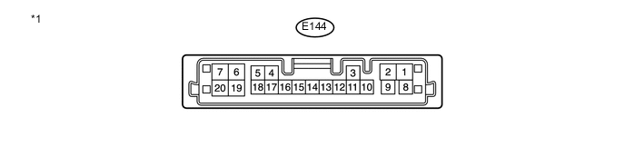
    A01X91VE02
    Обозначения на рисунке
    *1 Мультиплексный ЭБУ регулировки наклона и телескопического изменения высоты - -

    1. Измерьте напряжение и сопротивление в соответствии со значениями, приведенными в таблице.

      Номера контактов (обозначения) Цвет проводки Назначение контактов Условие Заданные условия
      E144-1 (GND) - масса W-B - масса Масса ЭБУ для электродвигателей Всегда Менее 1 Ом
      E144-2 (+B) - E144-1 (GND) LA-W - W-B Вход питания электродвигателя Всегда 11-14 В
      E144-3 (CANP) - E144-11 (CANN) P-L Мультиплексная шина CAN Зажигание выключено 54 - 69 Ом
      E144-4 (E1) - масса G - масса Масса датчика наклона Всегда Менее 1 Ом
      E144-5 (VC) - E144-18 (MSW) P - R Выходной сигнал переключателя регулировки наклона и телескопического изменения высоты Выключатель зажигания в состоянии ON (ВКЛ) (IG) 4,9 - 5,1 В
      E144-6 (TEM+) - E144-1 (GND) LA-W - W-B Выход электродвигателя телескопического изменения высоты
      • Выключатель зажигания в состоянии ON (ВКЛ) (IG)

      • Рулевая колонка втягивается

      11-14 В
      Электродвигатель телескопического изменения высоты не работает Менее 1 В
      E144-7 (TIM+) - E144-1 (GND) GR - W-B Выход электродвигателя наклона
      • Выключатель зажигания в состоянии ON (ВКЛ) (IG)

      • Рулевое колесо поднимается

      11-14 В
      Электродвигатель наклона не работает Менее 1 В
      E144-8 (GND2) - масса W-B - масса Масса ЭБУ для датчиков Всегда Менее 1 Ом
      E144-9 (ECUB) - E144-1 (GND) G - W-B Вход питания ЭБУ Всегда 11-14 В
      E144-10 (IG) - E144-1 (GND) B - W-B Вход питания IG / вход сигнала IG Выключатель зажигания в состоянии ON (ВКЛ) (IG) 11-14 В
      Зажигание выключено Менее 1 В
      E144-13 (VCI) - E144-4 (E1) P - G Выход питания датчика наклона Выключатель зажигания в состоянии ON (ВКЛ) (IG) 8-14 В
      E144-14 (VCE) - E144-17 (E2) SB - L Выход питания датчика телескопической длины Выключатель зажигания в состоянии ON (ВКЛ) (IG) 8-14 В
      E144-15 (TES) - E144-17 (E2) B - L Вход сигнала датчика телескопической длины Электродвигатель телескопического изменения высоты работает

      Формирование импульсов

      HI: 8–14 В

      LOW: Менее 1 В

      E144-16 (TIS) - E144-4 (E1) W - G Вход сигнала датчика наклона Электродвигатель наклона не работает

      Формирование импульсов

      HI: 8–14 В

      LOW: Менее 1 В

      E144-17 (E2) - масса L - масса Масса датчика телескопической длины Всегда Менее 1 Ом
      E144-19 (TEM-) - E144-1 (GND) LA-GR - W-B Выход электродвигателя телескопического изменения высоты
      • Выключатель зажигания в состоянии ON (ВКЛ) (IG)

      • Рулевая колонка выдвигается

      11-14 В
      Электродвигатель телескопического изменения высоты не работает Менее 1 В
      E144-20 (TIM-) - E144-1 (GND) LG - W-B Выход электродвигателя наклона
      • Выключатель зажигания в состоянии ON (ВКЛ) (IG)

      • Рулевое колесо опускается

      11-14 В
      Электродвигатель наклона не работает Менее 1 В