СИСТЕМА ECD (для моделей без DPF), Diagnostic DTC:P0560

Код DTC Наименование DTC
P0560 Напряжение бортовой сети

ОПИСАНИЕ

Питание от аккумуляторной батареи подается на ECM, даже когда зажигание выключено. Это позволяет ECM сохранять такие данные, как архив DTC, данные фиксированного набора параметров и параметры коррекции подачи топлива. Когда напряжение аккумуляторной батареи опускается ниже минимально допустимого уровня, память ЕСМ стирается и ECM определяет это как неисправность в цепи питания. ЕСМ включает контрольную лампу MIL и регистрирует DTC при последующем запуске двигателя.

P0560
Режим поездки при обнаружении DTC Условие обнаружения DTC Неисправный участок
Зажигание включено в течение 3 с

Напряжение на контакте BATT падает ниже допустимого уровня в течение 3 с, и часть сохраненных значений в ECM инициализируется.

(логика диагностирования за 1 поездку)


  • Обрыв в цепи резервного источника питания (к контакту BATT)

  • Аккумуляторная батарея

  • Выводы аккумуляторной батареи

  • Предохранитель EFI MAIN

  • ECM

Сопутствующие параметры Data List
№ DTC Параметры из Data List
P0560 Battery Voltage*

*: Это напряжение не является напряжением на контакте BATT, а представляет собой напряжение питания ECM.

Tech Tips

При регистрации кода DTC P0560 ECM не сохраняет другие DTC, или другие хранящиеся в ЕСМ данные частично стираются.

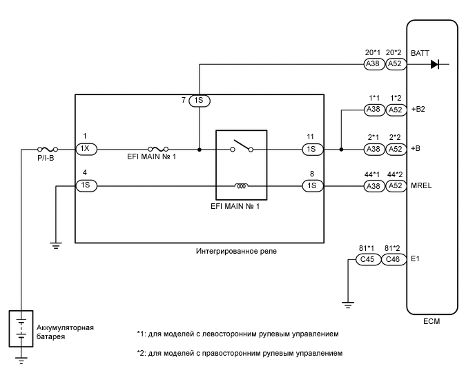
СХЕМА ЭЛЕКТРИЧЕСКИХ СОЕДИНЕНИЙ

A01X1SAE04

ПРЕДОСТЕРЕЖЕНИЕ / ПРИМЕЧАНИЕ / УКАЗАНИЕ

Note


  • Перед выполнением следующей процедуры проверки проверьте предохранители цепей, относящихся к данной системе.

  • После замены новый ЕСМ необходимо зарегистрировать (см. стр.) и инициализировать (см. стр. Click here).

  • После замены нагнетающего топливного насоса в сборе необходимо выполнить инициализацию ЕСМ (см. стр. Click here).

  • После замены форсунки необходимо выполнить регистрацию ЕСМ (см. стр. Click here).

Tech Tips


  • С помощью GTS считайте данные фиксированного набора параметров. В этих параметрах отражается состояние двигателя на момент обнаружения неисправности. При поиске неисправностей фиксированные параметры позволяют определить, двигался ли автомобиль в момент возникновения неисправности или нет, был ли прогрет двигатель и пр.

  • Если при включенном зажигании напряжение на контакте ВАТТ (питание для сохранения значений в ЕСМ) чрезмерно падает, несмотря на наличие напряжения +В, регистрируется DTC.

ПОРЯДОК ВЫПОЛНЕНИЯ


  1. ПРОВЕРЬТЕ НАПРЯЖЕНИЕ НА КОНТАКТЕ ECM (BATT)


    1. A01X4O9E01
      Обозначения на рисунке
      *A Для моделей с левосторонним рулевым управлением
      *B Для моделей с правосторонним рулевым управлением
      *a

      Вид спереди разъема со стороны жгута проводов:

      (ECM)

      Отсоедините разъем ЭБУ.

    2. Измерьте напряжение в соответствии со значениями, приведенными в таблице.

      Номинальное напряжение
      Для моделей с левосторонним рулевым управлением
      Подключение диагностического прибора Условие Заданные условия
      A38-20 (BATT) - масса Всегда 11 - 14 В
      Для моделей с правосторонним рулевым управлением
      Подключение диагностического прибора Условие Заданные условия
      A52-20 (BATT) - масса Всегда 11 - 14 В
    3. Подсоедините разъем ECM.


    NG
    OK
  2. ПРОВЕРЬТЕ АККУМУЛЯТОРНУЮ БАТАРЕЮ


    1. Убедитесь, что аккумуляторная батарея не разряжена (см. стр. Click here).

      OK
      Аккумуляторная батарея не разряжена.

    NG
    OK
  3. ПРОВЕРЬТЕ ВЫВОДЫ АККУМУЛЯТОРНОЙ БАТАРЕИ


    1. Убедитесь, что выводы аккумуляторной батареи надежно закреплены и не покрыты окисной пленкой.

      OK
      Выводы аккумуляторной батареи надежно закреплены и не покрыты окисной пленкой.

    NG
    OK
  4. ПРОВЕРЬТЕ, ВЫВОДИТСЯ ЛИ КОД DTC СНОВА


    1. Подключите GTS к DLC3.

    2. Включите зажигание и GTS.

    3. Сбросьте коды DTC (см. стр. Click here).

    4. Выключите зажигание.

    5. Включите зажигание на 3 с.

    6. Войдите в следующие меню: Engine and ECT / Trouble Codes.

    7. Считайте коды DTC.

      Результат
      Результат Перейти к
      P0560 выводится А
      Коды DTC не выводятся B

    B
    А
  5. ЗАМЕНИТЕ ECM


    1. Замените ECM (см. стр. Click here).


    ДАЛЕЕ
  6. ОТРЕМОНТИРУЙТЕ ИЛИ ЗАМЕНИТЕ ЖГУТ ПРОВОДОВ ИЛИ РАЗЪЕМ


    1. Отремонтируйте или замените жгут проводов или разъем.


    ДАЛЕЕ
  7. ЗАРЯДИТЕ ИЛИ ЗАМЕНИТЕ АККУМУЛЯТОРНУЮ БАТАРЕЮ


    1. Зарядите или замените аккумуляторную батарею.


    ДАЛЕЕ
  8. ОТРЕМОНТИРУЙТЕ ИЛИ ЗАМЕНИТЕ ВЫВОДЫ АККУМУЛЯТОРНОЙ БАТАРЕИ


    1. Отремонтируйте или замените вывод аккумуляторной батареи.


    ДАЛЕЕ
  9. ПРОВЕРЬТЕ, УСТРАНЕНА ЛИ ДОЛЖНЫМ ОБРАЗОМ НЕИСПРАВНОСТЬ


    1. Подключите GTS к DLC3.

    2. Сбросьте коды DTC (см. стр. Click here).

    3. Выключите зажигание и подождите не менее 30 с.

    4. Включите зажигание на 3 с.

    5. Войдите в следующие меню: Engine and ECT / Trouble Codes.

    6. Убедитесь, что DTC не выводится снова.


    ДАЛЕЕ