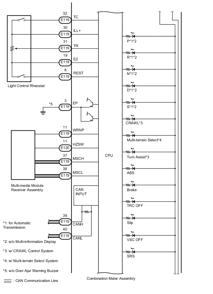
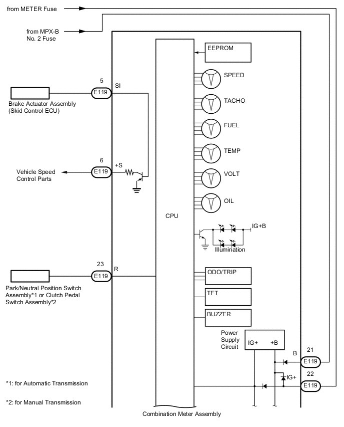
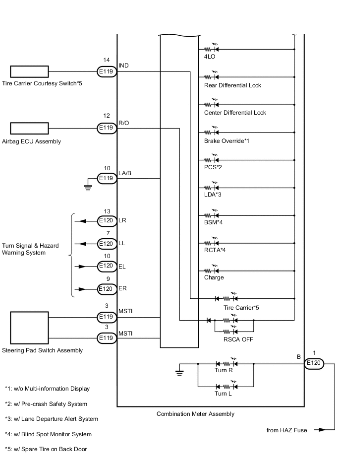
METER / GAUGE SYSTEM SYSTEM DIAGRAM

A01X648E02
A01XAA5E02
A01X0TJE02
A01XB8WE02
A01XB67E02