VEHICLE STABILITY CONTROL SYSTEM, Diagnostic DTC:C1380

DTC Code DTC Name
C1380 Stop Light Control Relay Malfunction

DESCRIPTION

Upon receiving the hill-start assist control operating signal from the skid control ECU (master cylinder solenoid), the relay contact turns on and the stop light comes on.

DTC Code DTC Detection Condition Trouble Area
C1380

Either condition is met:


  1. When the voltage at the IG1 terminal is between 11 and 14 V and the stop light control relay drive output (STPO) is on, a signal is not input to the STP2 terminal for 5 seconds or more.

  2. When the voltage at the IG1 terminal is between 11 and 14 V and the stop light control relay drive output (STPO) is off, the signal at the STP terminal is different from the input signal at the STP2 terminal for 5 seconds or more.


  • Pre-crash safety system

  • STOP fuse

  • Harness or connector

  • STP LP OPE relay (Brake light relay)

  • Stop light control relay assembly

  • Skid control ECU (Master cylinder solenoid)

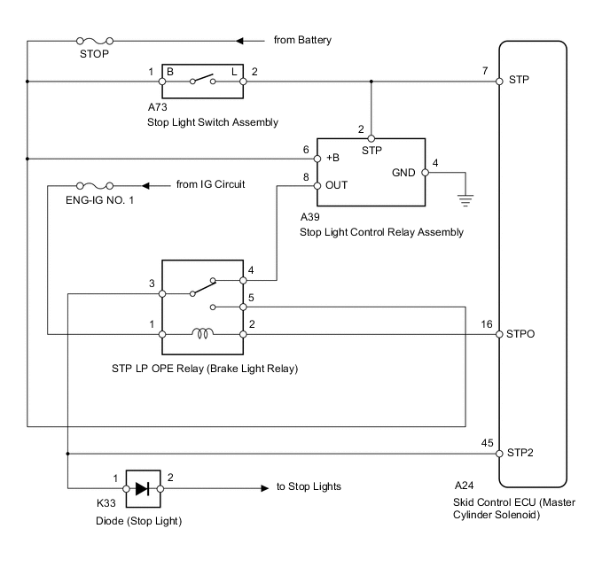
WIRING DIAGRAM

B001XBXE12

CAUTION / NOTICE / HINT

Note


  • After replacing the master cylinder solenoid, perform zero point calibration and store the system information Click here.

  • Inspect the fuses for circuits related to this system before performing the following inspection procedure.

Tech Tips

When DTC C1425 is output together with DTC C1380, inspect and repair the trouble areas indicated by DTC C1425 first Click here.

PROCEDURE


  1. CHECK PRE-CRASH SAFETY SYSTEM


    1. Connect the GTS to the DLC3.

    2. Turn the ignition switch off.

    3. Turn the GTS on.

    4. Enter the following menus: Body Electrical / Pre-Crash 2 / Trouble Codes.

    5. Check for DTCs Click here.

      Result
      Result Proceed to
      DTC is not output A
      DTC is output B

    B
    A
  2. CHECK HARNESS AND CONNECTOR (STP TERMINAL)


    1. Turn the ignition switch off.

    2. Disconnect the skid control ECU (master cylinder solenoid) connector.

    3. B001WX8E02
      Text in Illustration
      *a

      Front view of wire harness connector

      (to Skid Control ECU [Master Cylinder Solenoid])

      Measure the voltage according to the value(s) in the table below.

      Standard Voltage
      Tester Connection Condition Specified Condition
      A24-7 (STP) - Body ground Brake pedal depressed 8 to 14 V
      Brake pedal released Below 1.5 V

    NG
    OK
  3. RECONFIRM DTC


    1. Clear the DTCs Click here.

    2. Turn the ignition switch off.

    3. Check if the same DTC is output Click here.

      Result
      Result Proceed to
      DTC is not output A
      DTC is output (for LHD) B
      DTC is output (for RHD) C

    A
    B
    C