ANTI-LOCK BRAKE SYSTEM, Diagnostic DTC:C1242

DTC Code DTC Name
C1242 Open Circuit in IG1/IG2 Power Source Circuit

DESCRIPTION

If there is a problem with the skid control ECU (master cylinder solenoid) power supply circuit, the skid control ECU (master cylinder solenoid) stores DTCs and prohibits operation under the fail-safe function.

If the voltage supplied to the IG2 terminal is within the DTC detection range due to malfunctions in components such as the battery and generator circuit, this DTC is stored.

DTC Code DTC Detection Condition Trouble Area
C1242 The vehicle speed is 3 km/h (2 mph) or more and the voltage at the ECU IG2 terminal remains below 6.5 V for more than 7 seconds.
  • Battery

  • IGN fuse

  • Charging system

  • Harness or connector

  • Skid control ECU (Master cylinder solenoid)

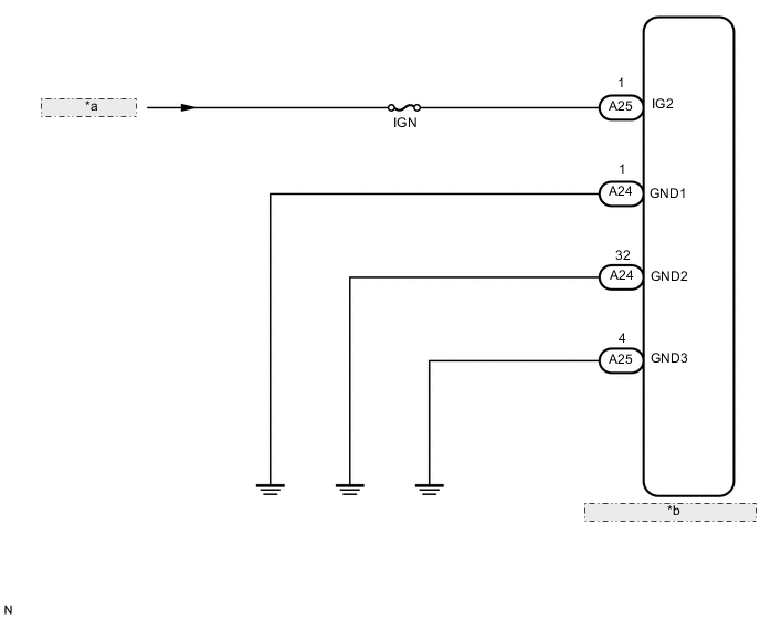
WIRING DIAGRAM

B001Y7AE18
*a from IG Circuit
*b Skid Control ECU (Master Cylinder Solenoid)

CAUTION / NOTICE / HINT

Note


  • After replacing the master cylinder solenoid, perform zero point calibration Click here.

  • Inspect the fuses for circuits related to this system before performing the following inspection procedure.

PROCEDURE


  1. CHECK HARNESS AND CONNECTOR (IG2 TERMINAL)


    1. Turn the ignition switch off.

    2. Disconnect the skid control ECU (master cylinder solenoid) connector.

    3. B001XZDE01
      Text in Illustration
      *a

      Front view of wire harness connector

      (to Skid Control ECU [Master Cylinder Solenoid])

      Measure the voltage according to the value(s) in the table below.

      Standard Voltage
      Tester Connection Switch Condition Specified Condition
      A25-1 (IG2) - Body ground Ignition switch ON 11 to 14 V

    NG
    OK
  2. CHECK HARNESS AND CONNECTOR (GND1, GND2 AND GND3 TERMINAL)


    1. B001Y3HE03
      Text in Illustration
      *a

      Front view of wire harness connector

      (to Skid Control ECU [Master Cylinder Solenoid])

      Turn the ignition switch off.

    2. Disconnect the skid control ECU (master cylinder solenoid) connectors.

    3. Measure the resistance according to the value(s) in the table below.

      Standard Resistance
      Tester Connection Condition Specified Condition
      A24-1 (GND1) - Body ground Always Below 1 Ω
      A24-32 (GND2) - Body ground Always Below 1 Ω
      A25-4 (GND3) - Body ground Always Below 1 Ω

    NG
    OK
  3. RECONFIRM DTC


    1. Clear the DTCs Click here.

    2. Turn the ignition switch off.

    3. Check if the same DTC is output Click here.

      Tech Tips

      Reinstall the sensors, connectors, etc. and restore the previous vehicle conditions before rechecking for DTCs.

      Result
      Result Proceed to
      DTC is not output A
      DTC is output (for LHD) B
      DTC is output (for RHD) C

    A
    B
    C