VALVE BODY ASSEMBLY COMPONENTS

ILLUSTRATION

B001VZ9C01
*1 TRANSMISSION CASE GASKET *2 TRANSMISSION VALVE BODY ASSEMBLY
*3 VALVE BODY OIL STRAINER ASSEMBLY *4 DETENT SPRING
*5 DETENT SPRING COVER *6 O-RING
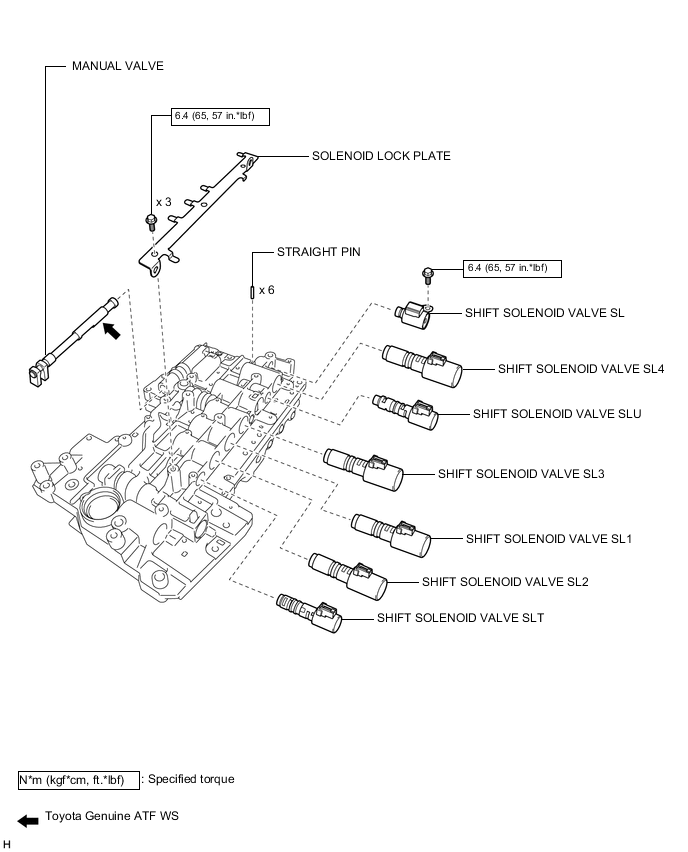
B001YVQ N*m (kgf*cm, ft.*lbf): Specified torque Non-reusable part
B001XPG Toyota Genuine ATF WS - -

ILLUSTRATION

B001YUXE02