CAN COMMUNICATION SYSTEM(for RHD with Central Gateway ECU) Steering Control ECU Communication Stop Mode

DESCRIPTION

Detection Item Symptom Trouble Area
Steering Control ECU Communication Stop Mode

Either Condition is met:


  • Communication stop for "Steering Control (VGRS)" is indicated on the "Communication Bus Check" screen of the GTS Click here

  • Communication system DTCs (DTCs that start with U) that are output correspond to "Steering Control ECU Communication Stop Mode" in "DTC Combination Table" Click here


  • Steering control ECU CAN branch wire or connector

  • Power source circuit of steering control ECU

  • Steering control ECU ground circuit

  • Steering control ECU

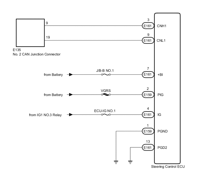
WIRING DIAGRAM

B001XSWE08

CAUTION / NOTICE / HINT

Note


  • Because the order of diagnosis is important to allow correct diagnosis, make sure to begin troubleshooting using How to Proceed with Troubleshooting when CAN communication system related DTCs are output Click here.

  • Before measuring the resistance of the CAN bus, turn the ignition switch off and leave the vehicle for 1 minute or more without operating the key, switches or opening or closing the doors. After that, disconnect the cable from the negative (-) battery terminal and leave the vehicle for 1 minute or more before measuring the resistance.

  • After turning the ignition switch off, waiting time may be required before disconnecting the cable from the battery terminal. Therefore, make sure to read the disconnecting the cable from the battery terminal notice before proceeding with work Click here.

  • Inspect the fuses for circuits related to this system before performing the following inspection procedure.

  • After performing repairs, perform the DTC check procedure and confirm that the DTCs are not output again.

  • After the repair, perform CAN Bus Check and check that all the ECUs and sensors connected to the CAN communication system are displayed Click here.

Tech Tips


  • Operating the ignition switch, any switches or any doors triggers related ECU and sensor communication with the CAN, which causes resistance variation.

  • Even after DTCs are cleared, if a DTC is stored again after driving the vehicle for a while, the malfunction may be occurring due to vibration of the vehicle. In such a case, wiggling the ECUs or wire harness while performing the inspection below may help determine the cause of the malfunction.

PROCEDURE


  1. CHECK FOR OPEN IN CAN BUS WIRE (STEERING CONTROL ECU CAN BRANCH WIRE)


    1. B001WLHE01
      Text in Illustration
      *a

      Front view of wire harness connector

      (to Steering Control ECU)

      Disconnect the cable from the negative (-) battery terminal.

    2. Disconnect the steering control ECU connector.

    3. Measure the resistance according to the value(s) in the table below.

      Standard Resistance
      Tester Connection Condition Specified Condition
      E161-3 (CNH1) - E161-9 (CNL1) Cable disconnected from negative (-) battery terminal 54 to 69 Ω

    NG
    OK
  2. CHECK HARNESS AND CONNECTOR (STEERING CONTROL ECU - BATTERY AND BODY GROUND)


    1. B001YKSE01
      Text in Illustration
      *a

      Front view of wire harness connector

      (to Steering Control ECU)

      Connect the cable to the negative (-) battery terminal.

      Note

      When connecting the cable, some systems need to be initialized after the cable is reconnected Click here.

    2. Disconnect the steering control ECU connector.

    3. Measure the voltage according to the value(s) in the table below.

      Standard Voltage
      Tester Connection Condition Specified Condition
      E159-2 (PIG) - Body ground Always 11 to 14 V
      E161-7 (+BI) - Body ground Always 11 to 14 V
      E161-4 (IG) - Body ground Ignition switch ON 11 to 14 V
    4. Measure the resistance according to the value(s) in the table below.

      Standard Resistance
      Tester Connection Condition Specified Condition
      E159-1 (PGND) - Body ground Always Below 1 Ω
      E161-13 (PGD2) - Body ground Always Below 1 Ω

    OK
    NG