CAN COMMUNICATION SYSTEM(for RHD with Central Gateway ECU), Diagnostic DTC:U023A

DTC Code DTC Name
U023A Lost Communication with Front Camera Module

DESCRIPTION

DTC Code DTC Detection Condition Trouble Area
U023A There is no communication from the forward recognition camera.
  • Forward recognition camera CAN main wire or connector

  • Power source or inside of forward recognition camera

  • Forward recognition camera ground circuit

  • Forward recognition camera

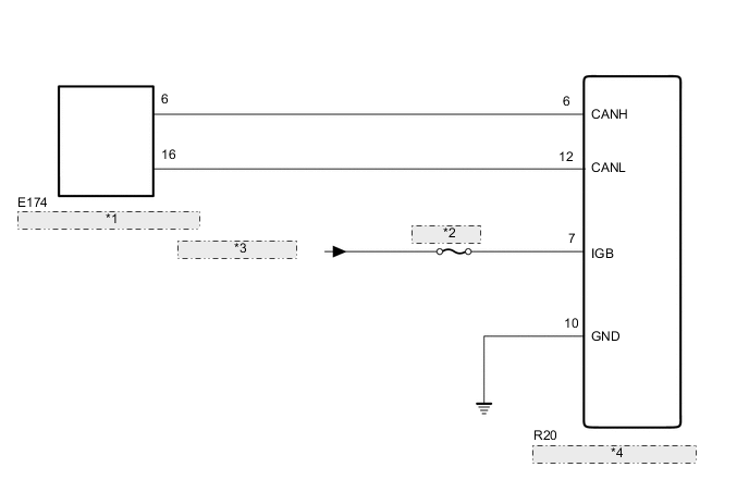
WIRING DIAGRAM

B001Z2ME35
*1 No. 10 CAN Junction Connector
*2 ECU-IG NO.2
*3 from IG1 NO.1 Relay
*4 Forward Recognition Camera

CAUTION / NOTICE / HINT

Note


  • Because the order of diagnosis is important to allow correct diagnosis, make sure to begin troubleshooting using How to Proceed with Troubleshooting when CAN communication system related DTCs are output Click here.

  • Before measuring the resistance of the CAN bus, turn the ignition switch off and leave the vehicle for 1 minute or more without operating the key, switches or opening or closing the doors. After that, disconnect the cable from the negative (-) battery terminal and leave the vehicle for 1 minute or more before measuring the resistance.

  • After turning the ignition switch off, waiting time may be required before disconnecting the cable from the battery terminal. Therefore, make sure to read the disconnecting the cable from the battery terminal notice before proceeding with work Click here.

  • Inspect the fuses for circuits related to this system before performing the following inspection procedure.

  • After performing repairs, perform the DTC check procedure and confirm that the DTCs are not output again.

  • After the repair, perform CAN Bus Check and check that all the ECUs and sensors connected to the CAN communication system are displayed Click here.

Tech Tips


  • Operating the ignition switch, any switches or any doors triggers related ECU and sensor communication with the CAN, which causes resistance variation.

  • Even after DTCs are cleared, if a DTC is stored again after driving the vehicle for a while, the malfunction may be occurring due to vibration of the vehicle. In such a case, wiggling the ECUs or wire harness while performing the inspection below may help determine the cause of the malfunction.

PROCEDURE


  1. RECONFIRM DTC OUTPUT


    1. Reconfirm DTCs.

      Tech Tips

      If DTC U1002 is output from Gateway of the driving support ECU assembly, this indicates a local bus malfunction. Troubleshoot for DTC U1002 and check for malfunctions in local bus.

      Result
      Result Proceed to
      DTC U1002 is not output from driving support ECU assembly. A
      DTC U1002 is output from driving support ECU assembly. B

    NG
    OK
  2. CHECK FOR OPEN IN CAN BUS WIRE (FORWARD RECOGNITION CAMERA CAN MAIN WIRE)


    1. B001YHJE01
      Text in Illustration
      *a

      Front view of wire harness connector

      (to Forward Recognition Camera)

      Disconnect the cable from the negative (-) battery terminal.

    2. Disconnect the forward recognition camera connector.

    3. Measure the resistance according to the value(s) in the table below.

      Standard Resistance
      Tester Connection Condition Specified Condition
      R20-6 (CANH) - R20-12 (CANL) Cable disconnected from negative (-) battery terminal 108 to 132 Ω

    NG
    OK
  3. CHECK HARNESS AND CONNECTOR (FORWARD RECOGNITION CAMERA - BATTERY AND BODY GROUND)


    1. B001ZKKE01
      Text in Illustration
      *a

      Front view of wire harness connector

      (to Forward Recognition Camera)

      Connect the cable to the negative (-) battery terminal.

      Note

      When connecting the cable, some systems need to be initialized after the cable is reconnected Click here.

    2. Measure the voltage according to the value(s) in the table below.

      Standard Voltage
      Tester Connection Switch Condition Specified Condition
      R20-7 (IGB) - Body ground Ignition switch ON 11 to 14 V
    3. Measure the resistance according to the value(s) in the table below.

      Standard Resistance
      Tester Connection Condition Specified Condition
      R20-10 (GND) - Body ground Always Below 1 Ω

    OK
    NG