SFI SYSTEM, Diagnostic DTC:P0550, P0552, P0553

DTC Code DTC Name
P0550 Power Steering Pressure Sensor Circuit Malfunction
P0552 Power Steering Pressure Sensor Circuit Low Input
P0553 Power Steering Pressure Sensor Circuit High Input

DESCRIPTION

The power steering oil pressure sensor is turned on when a power steering wheel load is generated by turning the steering wheel. The ECM regulates the engine idling speed according to the voltage output of the sensor.

DTC No. DTC Detection Condition Trouble Area
P0550 Power steering oil pressure sensor voltage is below 0.28 V, or higher than 4.9 V for 0.5 seconds while the engine is running (1 trip detection logic).
  • Open or short in power steering oil pressure sensor circuit

  • Power steering oil pressure sensor

  • ECM

P0552 Power steering oil pressure sensor voltage is below 0.28 V for 0.5 seconds while the engine is running (1 trip detection logic).
  • Open or short in power steering oil pressure sensor circuit

  • Power steering oil pressure sensor

  • ECM

P0553 Power steering oil pressure sensor voltage is higher than 4.9 V for 0.5 seconds while the engine is running (1 trip detection logic).
  • Open or short in power steering oil pressure sensor circuit

  • Power steering oil pressure sensor

  • ECM

MONITOR DESCRIPTION

The ECM monitors the power steering oil pressure sensor voltage and uses this value to regulate the engine idling speed. When the power steering oil pressure sensor output voltage deviates from the normal operating range, the ECM determines that there is a malfunction in the power steering oil pressure sensor and stores a DTC.

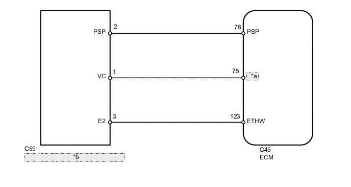
WIRING DIAGRAM



CAUTION / NOTICE / HINT

Tech Tips


  • If DTCs relating to different systems which share terminal E2 as their ground are stored simultaneously, there may be an open circuit between terminal E2 and ground.

  • Read freeze frame data using the GTS. Freeze frame data records the engine condition when malfunctions are detected. When troubleshooting, freeze frame data can help determine if the vehicle was moving or stationary, if the engine was warmed up or not, if the air-fuel ratio was lean or rich, and other data from the time the malfunction occurred.

PROCEDURE


  1. CHECK HARNESS AND CONNECTOR (ECM - POWER STEERING OIL PRESSURE SENSOR)


    1. Disconnect the ECM connector.

    2. Disconnect the power steering oil pressure sensor connector.

    3. Measure the resistance according to the value(s) in the table below.

      Standard Resistance
      for Manual Transmission Models
      Tester Connection Condition Specified Condition
      C59-2 (PSP) - C45-72 (PSP) Always Below 1 Ω
      C59-1 (VC) - C45-66 (VCV2) Always Below 1 Ω
      C59-3 (E2) - C45-97 (ETHW) Always Below 1 Ω
      C59-2 (PSP) or C45-72 (PSP) - Body ground Always 10 kΩ or higher
      C59-1 (VC) or C45-66 (VCV2) - Body ground Always 10 kΩ or higher
      for Automatic Transmission Models
      Tester Connection Condition Specified Condition
      C59-2 (PSP) - C45-76 (PSP) Always Below 1 Ω
      C59-1 (VC) - C45-75 (VCAI) Always Below 1 Ω
      C59-3 (E2) - C45-123 (ETHW) Always Below 1 Ω
      C59-2 (PSP) or C45-76 (PSP) - Body ground Always 10 kΩ or higher
      C59-1 (VC) or C45-75 (VCAI) - Body ground Always 10 kΩ or higher

    NG
    OK
  2. REPLACE POWER STEERING OIL PRESSURE SENSOR


    1. Replace the power steering oil pressure sensor Click here.


    NEXT
  3. CONFIRM WHETHER DTC OUTPUT RECURS


    1. Connect the GTS to the DLC3.

    2. Turn the ignition switch to ON.

    3. Turn the GTS on.

    4. Start the engine.

    5. Idle the engine for 5 seconds.

    6. Read the DTCs.

      Result
      Result Proceed to
      P0550, P0552 and/or P0553 is output A
      No DTC is output B

    A
    B